Magna Concursos

Foram encontradas 50 questões.

1810789 Ano: 2016
Disciplina: Engenharia Eletrônica
Banca: VUNESP
Orgão: UFABC
Provas:

Analise o seguinte circuito combinacional.

Enunciado 3369670-1

Assinale a alternativa que contém a combinação de X1, Y1, X2 e Y2 que produz a saída S igual a 1.

 

Provas

Questão presente nas seguintes provas
1810788 Ano: 2016
Disciplina: Engenharia Eletrônica
Banca: VUNESP
Orgão: UFABC
Provas:

Considere a seguinte porta lógica com entradas A e B e saída X.

Enunciado 3369669-1

A respeito dessa porta lógica, pode-se afirmar que se trata da porta

 

Provas

Questão presente nas seguintes provas
1810787 Ano: 2016
Disciplina: Engenharia Eletrônica
Banca: VUNESP
Orgão: UFABC
Provas:

Considere o número 234 na notação decimal. Esse número, na notação hexadecimal, é igual a

 

Provas

Questão presente nas seguintes provas
1810786 Ano: 2016
Disciplina: Engenharia Eletrônica
Banca: VUNESP
Orgão: UFABC
Provas:

Um dos componentes utilizados em alguns circuitos eletrônicos é o termistor, sobre o qual é correto afirmar que

 

Provas

Questão presente nas seguintes provas
1810785 Ano: 2016
Disciplina: Engenharia Elétrica
Banca: VUNESP
Orgão: UFABC
Provas:

Um sistema de alimentação de energia elétrica trifásico balanceado fornece tensão de fase de 220 [V] / 60 [Hz]. A tensão de linha nesse sistema é, em [V], aproximadamente,

 

Provas

Questão presente nas seguintes provas
1810784 Ano: 2016
Disciplina: Engenharia Elétrica
Banca: VUNESP
Orgão: UFABC
Provas:

Uma máquina síncrona de 8 polos opera como motor e é alimentada por uma tensão de 150 [V] / 60 Hz. A velocidade de rotação desse motor é, em rpm, igual a

 

Provas

Questão presente nas seguintes provas
1810783 Ano: 2016
Disciplina: Engenharia Elétrica
Banca: VUNESP
Orgão: UFABC
Provas:

Um chuveiro elétrico de 6 000 W foi utilizado duas vezes em um dia, e consumiu 4,5 kWh. Sabendo-se que a primeira utilização durou 15 minutos, o tempo da segunda utilização foi de

 

Provas

Questão presente nas seguintes provas
1810782 Ano: 2016
Disciplina: Engenharia Elétrica
Banca: VUNESP
Orgão: UFABC
Provas:

Um circuito operando em corrente alternada possui uma carga indutiva. Essa carga

 

Provas

Questão presente nas seguintes provas
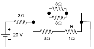
1810781 Ano: 2016
Disciplina: Engenharia Elétrica
Banca: VUNESP
Orgão: UFABC
Provas:

Analise o circuito a seguir.

Enunciado 3369662-1

A corrente i que circula no resistor R se encontra na faixa:

 

Provas

Questão presente nas seguintes provas
1427016 Ano: 2016
Disciplina: Português
Banca: VUNESP
Orgão: UFABC
Leia o texto, para responder à questão.
O que é a paixão senão um sentimento imenso que nos tira a razão? Quando estamos apaixonados, não queremos nada, além daquilo ou daquele que nos hipnotizou.
Ficamos cegos e nada mais faz sentido. Tudo em nossa volta se transforma em um nevoeiro, cinza e espesso, permitindo ver apenas o que tanto queremos.
Todos nos apaixonamos, seja por alguém ou por algo, e de repente nossos corações perdem a harmonia das batidas. De repente somos fisgados por algo que nos conquistou.
Não somente os jovens, adultos ou velhos se apaixonam. As crianças também. E, assim, um dia caí na armadilha de um cupido mal-intencionado.
Eu era criança, não lembro minha idade, mas lembro que aqui no hospital amanhecera. Dava para sentir o calor da luz do sol e o silêncio que pairava no ambiente do quarto onde, sozinho, eu ficava.
Em instantes, alguém, que estava ali para cuidar de mim, entra no quarto. Havia uma vitrola e, para permitir um momento agradável, essa que veio ser minha cuidadora pôs um disco para tocar. Não tenho certeza, mas era um vinil com canções românticas de uma dessas novelas.
Não sei como foi, mas lembro até hoje o nome dessa que, naquele dia, me ofertou grande afeto. Seu nome era Silvana, e lembro que ela tinha cabelos compridos e loiros.
Enquanto a música tocava, eu sentia que algo não estava certo com ela. Parecia que, apesar de estar diante de mim, estava com seu coração em outro mundo.
Mesmo assim, eu me sentia bem e feliz. Depois do banho e do café da manhã, ela sai do quarto para outras tarefas. Embalado pelas músicas da vitrola, fico vislumbrando a paisagem da janela. Bem ao longe, em cima do prédio da Faculdade de Medicina, em frente ao Instituto onde fico, uma bandeira do Brasil dança ao ritmo do vento que a embala.
Muitos momentos, quando se é garoto, são como fotografias, nas quais o maior sentimento que se expressa é a solidão.
A música parou de tocar, e assim voltei meu olhar para o quarto em que somente eu estava presente. Não demorou muito para que Silvana voltasse e colocasse outro disco. Poucas horas depois, irei dormir feliz, pois o carinho e o afeto que Silvana me permitiu deixarão um doce conforto. Como o filho de que a mãe cuida, fecho meus olhos, tranquilo e feliz.
Mas, infelizmente, nada dura para sempre. Veio outra pessoa cuidar de mim no dia seguinte, e no lugar do afeto que Silvana trazia, não veio o desprezo, mas alguém em quem eu mal poderia encontrar conforto. Aos soluços, pedi de volta a Silvana que tinha cuidado de mim no dia anterior. A resposta das minhas súplicas foi que ela não viria mais.
(Paulo Henrique, Minha primeira paixão. Disponível em: www.folha.uol.com.br. Acesso em 16.02.2016. Adaptado)
É correto afirmar que o texto descreve, em tom nostálgico,
 

Provas

Questão presente nas seguintes provas