Foram encontradas 341 questões.
De acordo com a NBR 5410 – Instalações Elétricas de Baixa Tensão, no esquema IT de aterramento,
todas as partes vivas são isoladas da terra ou um ponto de alimentação é aterrado através de
impedância. Observe a figura abaixo e assinale a alternativa que contenha corretamente a descrição
desse tipo de aterramento nas figuras 1, 2 e 3 abaixo.


Provas
Questão presente nas seguintes provas
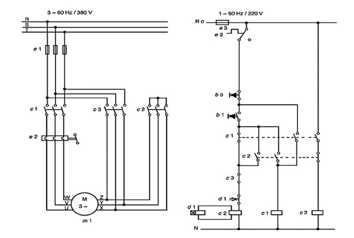
Motores trifásicos são máquinas elétricas muito difundidas na indústria, sendo utilizados nas mais
diversas etapas de processos industriais, devido, entre outros fatores, a sua economia, dimensão
reduzida e versatilidade.
Fonte: CREDER, H. Instalações elétricas. Atualização e revisão Luiz Sebastião Costa. Rio de Janeiro: LTC, 2016. p. 198.
Com base no esquema de ligação do motor trifásico abaixo, avalie as seguintes afirmações:

I. O botão de comando b1 aciona o contactor c2 e, ao mesmo tempo, o dispositivo de retardamento d1; o contato fechador de c2 atua sobre o contato de c1, fechando a bobina c1 do contactor da rede. Assim, o motor parte em estrela.
II. Decorrido o tempo de retardamento, o contato abridor d1 opera, e o contactor c2 é desligado. Quando o contato abridor de c3 abre, fecha o contactor c2, pois o contato fechador de c1 já estava fechado quando c1 ligou. O motor opera em triângulo.
III. Se quisermos parar o motor, acionamos o botão b0, interrompendo o contactor de rede c3. O contato fechador de c1 abre-se e aciona o dispositivo de retardamento d1; o contactor é desligado, e o motor para.
IV. O comando elétrico do esquema de ligação não realiza o acionamento dos contactores c1, c2 e c3 ao mesmo tempo.
Assinale a alternativa que apresenta APENAS as afirmações CORRETAS.
Fonte: CREDER, H. Instalações elétricas. Atualização e revisão Luiz Sebastião Costa. Rio de Janeiro: LTC, 2016. p. 198.
Com base no esquema de ligação do motor trifásico abaixo, avalie as seguintes afirmações:

I. O botão de comando b1 aciona o contactor c2 e, ao mesmo tempo, o dispositivo de retardamento d1; o contato fechador de c2 atua sobre o contato de c1, fechando a bobina c1 do contactor da rede. Assim, o motor parte em estrela.
II. Decorrido o tempo de retardamento, o contato abridor d1 opera, e o contactor c2 é desligado. Quando o contato abridor de c3 abre, fecha o contactor c2, pois o contato fechador de c1 já estava fechado quando c1 ligou. O motor opera em triângulo.
III. Se quisermos parar o motor, acionamos o botão b0, interrompendo o contactor de rede c3. O contato fechador de c1 abre-se e aciona o dispositivo de retardamento d1; o contactor é desligado, e o motor para.
IV. O comando elétrico do esquema de ligação não realiza o acionamento dos contactores c1, c2 e c3 ao mesmo tempo.
Assinale a alternativa que apresenta APENAS as afirmações CORRETAS.
Provas
Questão presente nas seguintes provas
- Transformadores e Máquinas ElétricasMáquinas EstáticasTransformador de Corrente
- Transformadores e Máquinas ElétricasMáquinas EstáticasTransformador de Potência
Os valores ôhmicos dos parâmetros do circuito de um transformador, tendo uma razão de espiras a=5,
são R1=0,5 Ω; X1 = 3,2 Ω para o primário e R2=0,021 Ω e X2 = 0,12 Ω para o secundário. Considerando
o circuito equivalente aproximado do transformador referido ao primário, quais os valores numéricos de
resistência R’ e reatância X’ referidas ao primário?
Provas
Questão presente nas seguintes provas
- Instalações ElétricasEquipamentos em Baixa Tensão
- Sistemas Elétricos de PotênciaAnálise de SEPFluxo de Potência, Estabilidade e Regulação
Considere uma instalação de 80kW que tenha um fator de potência médio igual a 80% e se queira
corrigi-lo para 95%. Qual a potência reativa a ser instalada para se obter o resultado desejado?
Provas
Questão presente nas seguintes provas
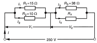
A análise de consumo, segundo a configuração de cargas em circuitos elétricos, é um aspecto
fundamental para o dimensionamento de proteções e capacidade da instalação. Para o circuito
mostrado na figura abaixo, sabe-se que a potência total dissipada no mesmo é 2,5kW.

Fonte: BIRD, J. Electrical Circuit: Theory and Technology. 6th ed. New York: Routledge, 2017. Adaptada.
Qual é o valor da resistência Rx no circuito em questão?

Fonte: BIRD, J. Electrical Circuit: Theory and Technology. 6th ed. New York: Routledge, 2017. Adaptada.
Qual é o valor da resistência Rx no circuito em questão?
Provas
Questão presente nas seguintes provas
Noções gerais de sistemas elétricos de potências são ferramentas necessárias para o desenvolvimento
e a interpretação de projetos elétricos.
Fonte: AILSON, P. M. MOURA, A. A. F. ROCHA, E. P. R. Engenharia de sistemas de potência. Artliber: 2018. (Adaptado).
Avalie as seguintes afirmações que tratam de fundamentos de sistemas elétricos de potência:
I. As equações básicas são obtidas impondo-se a conservação da potência ativa em cada barra do sistema. Para a potência reativa esse princípio pode ser utilizado em razão da possibilidade da existência de capacitores em conexão shunt.
II. Uma grande dificuldade a ser superada é a determinação do modelo matemático de todo o sistema elétrico, pois os modelos individuais não podem ser utilizados.
III. Um sistema elétrico não pode ter somente barras do tipo PQ e de referência.
IV. Um sistema elétrico não pode ter mais de uma barra de referência.
V. Os resultados obtidos com a carga pesada dispensam aqueles obtidos para os outros patamares de carga.
VI. É possível igualar as potências complexas nos dois lados de um transformador, quando se incluem os tapes fora do nominal na matriz de admitâncias.
Assinale a alternativa que apresenta APENAS as afirmações CORRETAS.
Fonte: AILSON, P. M. MOURA, A. A. F. ROCHA, E. P. R. Engenharia de sistemas de potência. Artliber: 2018. (Adaptado).
Avalie as seguintes afirmações que tratam de fundamentos de sistemas elétricos de potência:
I. As equações básicas são obtidas impondo-se a conservação da potência ativa em cada barra do sistema. Para a potência reativa esse princípio pode ser utilizado em razão da possibilidade da existência de capacitores em conexão shunt.
II. Uma grande dificuldade a ser superada é a determinação do modelo matemático de todo o sistema elétrico, pois os modelos individuais não podem ser utilizados.
III. Um sistema elétrico não pode ter somente barras do tipo PQ e de referência.
IV. Um sistema elétrico não pode ter mais de uma barra de referência.
V. Os resultados obtidos com a carga pesada dispensam aqueles obtidos para os outros patamares de carga.
VI. É possível igualar as potências complexas nos dois lados de um transformador, quando se incluem os tapes fora do nominal na matriz de admitâncias.
Assinale a alternativa que apresenta APENAS as afirmações CORRETAS.
Provas
Questão presente nas seguintes provas
Souza (2005), no livro Como reduzir perdas nos canteiros, apresenta a classificação de perdas, segundo
o tipo de recurso consumido: recursos físicos e financeiros; e conceitua desperdício como a parcela
evitável das perdas. Sobre os desperdícios físicos e financeiros, é possível afirmar:
I. Todo desperdício físico resulta em desperdício financeiro.
II. Todo desperdício financeiro resulta em desperdício físico.
III. Todo desperdício físico é visível, resultando em resíduos.
IV. Quando o consumo adicional de materiais é inerente ao processo construtivo, este não deve ser considerado desperdício, mas perda.
De acordo com as afirmações acima, assinale a alternativa que apresenta APENAS as afirmações CORRETAS.
I. Todo desperdício físico resulta em desperdício financeiro.
II. Todo desperdício financeiro resulta em desperdício físico.
III. Todo desperdício físico é visível, resultando em resíduos.
IV. Quando o consumo adicional de materiais é inerente ao processo construtivo, este não deve ser considerado desperdício, mas perda.
De acordo com as afirmações acima, assinale a alternativa que apresenta APENAS as afirmações CORRETAS.
Provas
Questão presente nas seguintes provas
A fiscalização de obras e serviços técnicos, a ser realizada pelos órgãos fiscalizadores como o Conselho
Regional de Engenharia, previsto na Lei 5194/66, deve atender às normas instituídas por câmeras
especializadas.
Para fins de fiscalização de obras, dentre os itens abaixo listados, qual não é exigido legalmente sua manutenção na obra?
Para fins de fiscalização de obras, dentre os itens abaixo listados, qual não é exigido legalmente sua manutenção na obra?
Provas
Questão presente nas seguintes provas
A NBR 16747/2020 aborda conceitos relacionados à avaliação de desempenho de edificações, como:
desempenho, deterioração, falha e manifestação patológica
De acordo com a norma citada, complemente as assertivas com a sequência correta destes conceitos, apresentados a seguir.
é o comportamento em uso de uma edificação e seus sistemas (estruturas, fachadas, paredes externas ,...) quando submetidos às condições de exposição e de uso a que estão sujeitos ao longo de sua vida útil e mediante as operações de manutenção previstas em projeto e na construção.
é a degradação antes do final da vida útil dos materiais e ou dos componentes das edificações, em decorrência de anomalias e ou falhas de uso, operação e manutenção.
é a ocorrência resultante de um mecanismo de degradação. Sinais ou sintomas decorrentes da existência de mecanismos ou processos de degradação de materiais, componentes ou sistemas, que contribuem ou atuam no sentido de reduzir seu desempenho.
é a irregularidade ou anormalidade que implica no término da capacidade da edificação ou das suas partes de cumprir suas funções como requerido, ou seja, atingimento de um desempenho não aceitável (inferior ao desempenho mínimo requerido).
Assinale a alternativa que apresenta a sequência CORRETA.
De acordo com a norma citada, complemente as assertivas com a sequência correta destes conceitos, apresentados a seguir.
é o comportamento em uso de uma edificação e seus sistemas (estruturas, fachadas, paredes externas ,...) quando submetidos às condições de exposição e de uso a que estão sujeitos ao longo de sua vida útil e mediante as operações de manutenção previstas em projeto e na construção.
é a degradação antes do final da vida útil dos materiais e ou dos componentes das edificações, em decorrência de anomalias e ou falhas de uso, operação e manutenção.
é a ocorrência resultante de um mecanismo de degradação. Sinais ou sintomas decorrentes da existência de mecanismos ou processos de degradação de materiais, componentes ou sistemas, que contribuem ou atuam no sentido de reduzir seu desempenho.
é a irregularidade ou anormalidade que implica no término da capacidade da edificação ou das suas partes de cumprir suas funções como requerido, ou seja, atingimento de um desempenho não aceitável (inferior ao desempenho mínimo requerido).
Assinale a alternativa que apresenta a sequência CORRETA.
Provas
Questão presente nas seguintes provas
A ABNT NBR 13752/1996, relativa a perícias de engenharia, define laudo como uma “peça na qual o
perito, profissional habilitado, relata o que observou e dá as suas conclusões ou avalia,
fundamentadamente, o valor de coisas ou direitos”.
De acordo com supracitada norma, qual dos itens listados não tem a obrigatoriedade de constar em um laudo?
De acordo com supracitada norma, qual dos itens listados não tem a obrigatoriedade de constar em um laudo?
Provas
Questão presente nas seguintes provas
Cadernos
Caderno Container