Foram encontradas 615 questões.
Em uma instalação elétrica, uma carga monofásica é alimentada em tensão senoidal de 100 V e consome uma corrente de 100 A com fator de potência 2 / 2 indutivo. Assinale a alternativa que apresenta o valor mais próximo do capacitor a ser instalado em paralelo com a carga para corrigir o fator de potência para 3 / 2 indutivo.
Provas
Considerando a Figura 6, a respeito da simbologia de componentes elétricos e seu significado, relacione as colunas e assinale a alternativa com a sequência correta.
Coluna 1 (1) (2) (3) (4) (5) (6) | Coluna 2 ( ) Condutor terra no interior do eletroduto ( ) Condutor neutro no interior do eletroduto ( ) Quadro geral de luz e força aparente ( ) Ponto de luz no teto ( ) Condutor de retorno no interior do eletroduto ( ) Condutor fase no interior do eletroduto |
Figura 6
Provas
Em uma instalação elétrica, estão ligados dois motores monofásicos de corrente alternada. Assinale a alternativa que apresenta a potência aparente total da instalação, dadas as seguintes informações dos motores:
Motor 1: Potência ativa: 6000 W Potência reativa: 5500 VAr Potência aparente: 8139 VA | Motor 2: Potência ativa: 2000 W Potência reativa: 500 VAr Potência Aparente: 2062 VA |
Provas
Assinale a alternativa que apresenta o resultado correto da simplificação da seguinte expressão booleana:
![]()
Provas
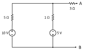
Assinale a alternativa que apresenta os valores corretos do resistor e da fonte de tensão do equivalente de Thévenin do circuito da Figura 3.

Figura 3
Provas
Compete aos profissionais integrantes dos Serviços Especializados em Engenharia de Segurança e em Medicina do Trabalho registrar mensalmente os dados atualizados de acidentes do trabalho, doenças ocupacionais e agentes de insalubridade, preenchendo, no mínimo, os quesitos descritos nos modelos de mapas constantes nos anexos da NR — 4. Dessa forma, é correto afirmar que
Provas
Informe se é verdadeiro (V) ou falso (F) o que se afirma a seguir e assinale a alternativa com a sequência correta.
( ) Temperatura efetiva é a temperatura do ar com a umidade relativa igual a 0% e velocidade nula, que oferece uma sensação de conforto térmico.
( ) As características psicofisiológicas dos trabalhadores devem estar adequadas às condições ambientais de trabalho e à natureza do trabalho a ser executado.
( ) É de 60 kg (sessenta quilogramas) o peso máximo que um empregado pode remover individualmente, ressalvadas as disposições especiais relativas ao trabalho do menor e da mulher.
( ) Quando mulheres forem designadas para o transporte manual de cargas, o peso máximo dessas cargas deverá ser nitidamente inferior àquele admitido para os trabalhadores jovens, a fim de não comprometer a sua saúde ou a sua segurança.
Provas
Sobre o Programa de Prevenção de Riscos Ambientais, informe se é verdadeiro (V) ou falso (F) o que se afirma a seguir e assinale a alternativa com a sequência correta.
( ) consideram-se agentes biológicos as bactérias, bacilos, vírus e fumos.
( ) o monitoramento da exposição aos riscos e o registro e divulgação dos dados fazem parte do PPRA.
( ) os dados registrados deverão ser mantidos por um período mínimo de 20 (vinte) anos.
( ) consideram-se riscos ambientais os agentes físicos, químicos, biológicos, ergonômicos e de acidentes.
Provas
Considerando a NR — 35, informe se é verdadeiro (V) ou falso (F) o que se afirma a seguir e assinale a alternativa com sequência correta.
( ) Cabe ao empregador assegurar a realização da Análise de Risco — AR — e, quando aplicável, a emissão da Permissão de Trabalho – PT.
( ) A aptidão para trabalho em altura deve ser consignada no atestado de saúde ocupacional do trabalhador.
( ) Considera-se trabalho em altura toda atividade executada acima de 2,00 m (dois metros) do nível inferior, independente do risco de queda.
( ) A sigla SPIQ significa sistema de proteção individual contra quedas.
Provas
Existem duas formas de proteção contra choques elétricos, contato direto e indireto. As figuras “a” e “b”, a seguir, representam o percurso da corrente elétrica pelo corpo do trabalhador, quando em contato com a parte energizada (choque elétrico).
|
|
(a) | (b) |
Fonte: Adaptado de VIANA, M. J. Fundacentro: Instalações elétricas em canteiros de obras. São Paulo: 2007. 44. Recomendação Técnica de Procedimento. RTP; 5.
Assinale a alternativa que apresenta o tipo de contato e a proteção adequada para o cho-que.
Provas
Caderno Container



