Foram encontradas 50 questões.
Utilize a figura a seguir para responder a questão.
A figura apresenta um circuito retificador a diodos em ponte. Considere que o transformador e os diodos são ideais. A relação de transformação do transformador é de 220 V: 12 V.

Suponha que o diodo D4 do circuito retificador da figura apresentada esteja danificado e comporta-se como uma chave aberta. A forma de onda da tensão sobre um resistor conectado na saída do retificador durante um ciclo da tensão de entrada será:
Provas
Utilize a figura a seguir para responder a questão.
A figura apresenta um circuito retificador a diodos em ponte. Considere que o transformador e os diodos são ideais. A relação de transformação do transformador é de 220 V: 12 V.

O valor eficaz da tensão alternada na entrada do transformador é 110 V. O valor de pico da corrente que passa através de um resistor de 10 kW conectado no lado da tensão contínua retificada será:
Provas
A figura a seguir apresenta um exemplo de instalação de descarregador de chifre em uma rede urbana de distribuição trifásica de energia elétrica.

MAMEDE FILHO, João. Manual de Equipamentos Elétricos. 3. ed. Rio de Janeiro: LTC, 2005. p. 770.
A função do descarregador de chifre na rede de distribuição de energia elétrica é a de
Provas
Utilize a figura a seguir para responder a questão.
A figura apresenta o diagrama unifilar de um ramal de acesso de uma linha de transmissão com tensão nominal de 138 kV para alimentar a subestação de um consumidor. O transformador possui potência nominal de 10 MVA, tensão secundária de 13,8 kV e reatância de dispersão de 0,762 W referida ao lado de 13,8 kV. A potência de curto-circuito no ponto de acoplamento comum (PAC) à linha de transmissão da concessionária é 1380 MVA. O comprimento da linha que vai do PAC à subestação é de 50 km e a reatância dos condutores é de 0,2 W/km.

O valor por unidade (p.u.) da impedância do transformador na base de 10 MVA e 13,8 kV é, aproximadamente:
Provas
Utilize a figura a seguir para responder a questão.
A figura apresenta o diagrama unifilar de um ramal de acesso de uma linha de transmissão com tensão nominal de 138 kV para alimentar a subestação de um consumidor. O transformador possui potência nominal de 10 MVA, tensão secundária de 13,8 kV e reatância de dispersão de 0,762 W referida ao lado de 13,8 kV. A potência de curto-circuito no ponto de acoplamento comum (PAC) à linha de transmissão da concessionária é 1380 MVA. O comprimento da linha que vai do PAC à subestação é de 50 km e a reatância dos condutores é de 0,2 W/km.

O valor eficaz da corrente de linha no curto-circuito franco trifásico no secundário do transformador é, aproximadamente:
Provas
Que parâmetro é determinado por meio do ensaio em vazio do motor de indução trifásico com rotor em gaiola?
Provas
A figura a seguir apresenta um transformador monofásico ideal, cuja relação de transformação é de 5:1. O lado de tensão superior possui terminais identificados com as marcações ‘H1’ e ‘H2’ e o lado de tensão inferior possui terminais identificados com as marcações ‘X1’ e ‘X2’.

Os terminais ‘H2’ e ‘X2’ são curto-circuitados e um voltímetro monofásico, V, é conectado entre os terminais ‘H1’ e ‘X1. Uma fonte de tensão senoidal monofásica com valor eficaz de 150 V é aplicada entre os terminais ‘H1’ e ‘H2’ e, nesta circunstância, o voltímetro indica 180 V. Com base nessa medição, é possível concluir que
Provas
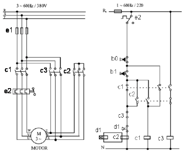
Utilize as figuras a seguir para responder a questão.
As figuras 1 e 2 são, respectivamente, o diagrama de força e o diagrama de comando de um sistema de partida de um motor de indução trifásico.

Figura 1: CREDER, Hélio. Instalações elétricas. 14. ed. Rio de Janeiro: LTC, 2000. p. 246. Figura 2: CREDER, Hélio. Instalações elétricas. 14. ed. Rio de Janeiro: LTC, 2000. p. 246.
Qual é a função do dispositivo denominado como “e2” nas figuras 1 e 2?
Provas
Utilize as figuras a seguir para responder a questão.
As figuras 1 e 2 são, respectivamente, o diagrama de força e o diagrama de comando de um sistema de partida de um motor de indução trifásico.

Figura 1: CREDER, Hélio. Instalações elétricas. 14. ed. Rio de Janeiro: LTC, 2000. p. 246. Figura 2: CREDER, Hélio. Instalações elétricas. 14. ed. Rio de Janeiro: LTC, 2000. p. 246.
O tipo de partida representado pelas figuras é a partida
Provas
A figura a seguir apresenta o circuito de um motor de corrente contínua com excitação independente. Considere que o comportamento do motor é linear, que o motor não sofre efeitos da reação de armadura e que as perdas por atrito e ventilação são nulas.

Sabendo-se que a velocidade nominal a vazio é 1000 rpm, a corrente de armadura, Ia, para uma velocidade de operação de 900 rpm, será:
Provas
Caderno Container