Magna Concursos

Foram encontradas 502 questões.

941619 Ano: 2007
Disciplina: Engenharia Elétrica
Banca: CESPE / CEBRASPE
Orgão: TRT-9
A vida útil de um motor está intimamente ligada ao aquecimento das bobinas dos enrolamentos. Dessa forma, se essas bobinas forem superaquecidas, em relação as limites previstos na fabricação da máquina, as temperaturas serão superiores aos limites da isolação. Uma elevação de 10 ºC na temperatura de isolação de um motor, por exemplo, reduz a sua vida útil pela metade. Além da temperatura, outras condições, como umidade, ambiente com vapores corrosivos, vibrações etc, interferem na vida útil de um motor.
João Mamede Filho. Instalações elétricas industriais.
Rio de Janeiro: LTC, 2007 (com adaptações).
Tendo o texto acima como referência inicial, julgue o item que se segue acerca dos motores de corrente alternada.
Para se obter maior contato elétrico e melhor deslizamento das escovas sobre o coletor, o ajuste do assentamento das escovas sobre o coletor pode ser feito com o lixamento da escova, de modo que a sua curvatura seja a mesma do coletor.
 

Provas

Questão presente nas seguintes provas
941618 Ano: 2007
Disciplina: Engenharia Elétrica
Banca: CESPE / CEBRASPE
Orgão: TRT-9
A vida útil de um motor está intimamente ligada ao aquecimento das bobinas dos enrolamentos. Dessa forma, se essas bobinas forem superaquecidas, em relação as limites previstos na fabricação da máquina, as temperaturas serão superiores aos limites da isolação. Uma elevação de 10 ºC na temperatura de isolação de um motor, por exemplo, reduz a sua vida útil pela metade. Além da temperatura, outras condições, como umidade, ambiente com vapores corrosivos, vibrações etc, interferem na vida útil de um motor.
João Mamede Filho. Instalações elétricas industriais.
Rio de Janeiro: LTC, 2007 (com adaptações).
Tendo o texto acima como referência inicial, julgue o item que se segue acerca dos motores de corrente alternada.
Uma das informações contidas na placa de identificação dos motores elétricos é o índice de proteção, que quantifica o grau de proteção do motor contra sobretensões.
 

Provas

Questão presente nas seguintes provas
941616 Ano: 2007
Disciplina: Engenharia Elétrica
Banca: CESPE / CEBRASPE
Orgão: TRT-9
A vida útil de um motor está intimamente ligada ao aquecimento das bobinas dos enrolamentos. Dessa forma, se essas bobinas forem superaquecidas, em relação as limites previstos na fabricação da máquina, as temperaturas serão superiores aos limites da isolação. Uma elevação de 10 ºC na temperatura de isolação de um motor, por exemplo, reduz a sua vida útil pela metade. Além da temperatura, outras condições, como umidade, ambiente com vapores corrosivos, vibrações etc, interferem na vida útil de um motor.
João Mamede Filho. Instalações elétricas industriais.
Rio de Janeiro: LTC, 2007 (com adaptações).
Tendo o texto acima como referência inicial, julgue o item que se segue acerca dos motores de corrente alternada.
Os contatos do interruptor centrífugo, encontrados nos motores monofásicos de indução devem permanecer normalmente fechados quando o motor está girando em sua rotação nominal.
 

Provas

Questão presente nas seguintes provas
941597 Ano: 2007
Disciplina: Engenharia Elétrica
Banca: CESPE / CEBRASPE
Orgão: TRT-9
A vida útil de um motor está intimamente ligada ao aquecimento das bobinas dos enrolamentos. Dessa forma, se essas bobinas forem superaquecidas, em relação as limites previstos na fabricação da máquina, as temperaturas serão superiores aos limites da isolação. Uma elevação de 10 ºC na temperatura de isolação de um motor, por exemplo, reduz a sua vida útil pela metade. Além da temperatura, outras condições, como umidade, ambiente com vapores corrosivos, vibrações etc, interferem na vida útil de um motor.
João Mamede Filho. Instalações elétricas industriais.
Rio de Janeiro: LTC, 2007 (com adaptações).
Tendo o texto acima como referência inicial, julgue o item que se segue acerca dos motores de corrente alternada.
Considere que, em um induzido de motor elétrico do tipo universal, a resistência entre os terminais do coletor e o eixo apresente valor próximo de zero. Nesse caso, é possível que o induzido esteja em curto-circuito com a massa.
 

Provas

Questão presente nas seguintes provas
941593 Ano: 2007
Disciplina: Engenharia Elétrica
Banca: CESPE / CEBRASPE
Orgão: TRT-9
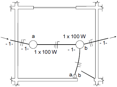
Enunciado 3279325-1
Julio Niskier. Manual de Instalações Elétricas. LTC, 2005, p. 58.
Considerando a figura acima, que mostra parte da planta de uma instalação elétrica residencial, na qual é destacado o circuito 1 e vários dos seus componentes, julgue o item a seguir.
É pouco provável que a seção dos condutores utilizados na parte mostrada do circuito 1 seja igual ou superior a 4 mm2.
 

Provas

Questão presente nas seguintes provas
941500 Ano: 2007
Disciplina: Engenharia Elétrica
Banca: CESPE / CEBRASPE
Orgão: TRT-9
Enunciado 3279324-1
Julio Niskier. Manual de Instalações Elétricas. LTC, 2005, p. 58.
Considerando a figura acima, que mostra parte da planta de uma instalação elétrica residencial, na qual é destacado o circuito 1 e vários dos seus componentes, julgue o item a seguir.
O eletroduto que interliga os dois pontos de luz contém um condutor de retorno, um condutor neutro, e um condutor de fase.
 

Provas

Questão presente nas seguintes provas
941493 Ano: 2007
Disciplina: Engenharia Elétrica
Banca: CESPE / CEBRASPE
Orgão: TRT-9
Enunciado 3279323-1
Julio Niskier. Manual de Instalações Elétricas. LTC, 2005, p. 58.
Considerando a figura acima, que mostra parte da planta de uma instalação elétrica residencial, na qual é destacado o circuito 1 e vários dos seus componentes, julgue o item a seguir.
A alimentação para as lâmpadas chega por meio do eletroduto que está à direita do ponto de luz b, olhando-se a partir da porta.
 

Provas

Questão presente nas seguintes provas
941492 Ano: 2007
Disciplina: Engenharia Elétrica
Banca: CESPE / CEBRASPE
Orgão: TRT-9
Enunciado 3279322-1
Julio Niskier. Manual de Instalações Elétricas. LTC, 2005, p. 58.
Considerando a figura acima, que mostra parte da planta de uma instalação elétrica residencial, na qual é destacado o circuito 1 e vários dos seus componentes, julgue o item a seguir.
Os dois pontos de luz a e b são comandados por meio de um interruptor de duas seções.
 

Provas

Questão presente nas seguintes provas
941482 Ano: 2007
Disciplina: Engenharia Elétrica
Banca: CESPE / CEBRASPE
Orgão: TRT-9
Em relação ao eletrodo de terra, uma das partes mais importantes do sistema de pára-raios, julgue o item que se segue.
É recomendado que a resistência do eletrodo de terra de um sistema de pára-raios seja verificada periodicamente.
 

Provas

Questão presente nas seguintes provas
941460 Ano: 2007
Disciplina: Engenharia Elétrica
Banca: CESPE / CEBRASPE
Orgão: TRT-9
Em relação ao eletrodo de terra, uma das partes mais importantes do sistema de pára-raios, julgue o item que se segue.
É permitido utilizar haste de cobre como elemento para eletrodo de terra. No entanto, tubo de aço zincado não é aceitável.
 

Provas

Questão presente nas seguintes provas