Foram encontradas 553 questões.
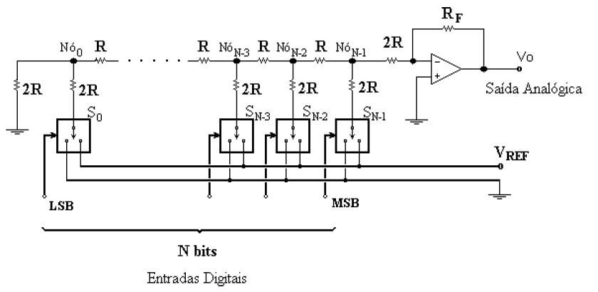
- Conversores Analógicos Digitais (AD) e Digitais Analógicos (DAC)
- Eletrônica Digital na Engenharia Eletrônica
Assinale a opção correta a respeito dos conversores A/D e D/A e das tecnologias envolvidas.
Provas
Questão presente nas seguintes provas
Assinale a opção correta acerca das tecnologias envolvidas no
processamento de dados e nos sistemas eletrônicos digitais.
Provas
Questão presente nas seguintes provas

A figura acima apresenta um diagrama de blocos que representa uma planta industrial. Nessa figura, U(s) corresponde à transformada de Laplace do sinal de entrada ut, e Y(s) corresponde à transformada de Laplace do sinal de saída y(t), em que t é o tempo em segundos.
Provas
Questão presente nas seguintes provas

A figura acima apresenta um diagrama de blocos que representa uma planta industrial. Nessa figura, U(s) corresponde à transformada de Laplace do sinal de entrada ut, e Y(s) corresponde à transformada de Laplace do sinal de saída y(t), em que t é o tempo em segundos.
Provas
Questão presente nas seguintes provas

A figura acima ilustra um circuito que utiliza uma parte de um decodificador de 3 para 8, que é um circuito utilizado na implementação de microcomputadores, em associação com algumas portas lógicas adicionais. Se as entradas binárias forem C = 1, B = 0 e A = 1, então os valores digitais das saídas S2, S1 e S0 serão, respectivamente,
Provas
Questão presente nas seguintes provas

Considerando a figura acima, que representa um circuito retificador, assinale a opção correta.
Provas
Questão presente nas seguintes provas
As comunicações ópticas e via satélite representaram uma
revolução nos meios de telecomunicação modernos. A respeito
dessas plataformas de comunicação, assinale a opção correta.
Provas
Questão presente nas seguintes provas
Em relação aos sistemas de comunicação analógicos e digitais,
assinale a opção correta.
Provas
Questão presente nas seguintes provas
Acerca das memórias semicondutoras e dos diversos dispositivos de armazenamento de um microcomputador, assinale a opção correta.
Provas
Questão presente nas seguintes provas
Acerca de um sistema de controle estável e de fase não mínima, assinale a opção correta.
Provas
Questão presente nas seguintes provas
Cadernos
Caderno Container