Magna Concursos

Foram encontradas 60 questões.

1895230 Ano: 2007
Disciplina: Engenharia Elétrica
Banca: FCC
Orgão: TRT-23

A tabela apresenta o planejamento da atividade X, em dias, de uma rede de atividades de uma obra.

Enunciado 1895230-1

Nesse caso, a duração e a folga previstas para a execução da atividade são, respectivamente,

 

Provas

Questão presente nas seguintes provas
1895229 Ano: 2007
Disciplina: Engenharia Elétrica
Banca: FCC
Orgão: TRT-23
O fenômeno fisiológico mais grave no corpo humano quando ele é atravessado por uma corrente elétrica e cuja conseqüência pode ser a morte é a contração irregular e desordenada das várias partes do coração, impedindo que o sangue circule normalmente pelo corpo. Esse fenômeno é conhecido por
 

Provas

Questão presente nas seguintes provas
1895228 Ano: 2007
Disciplina: Engenharia Elétrica
Banca: FCC
Orgão: TRT-23

Analise as proposições abaixo, relativas às características magnéticas de materiais.

I. Material que possui permeabilidade magnética maior que a do vácuo, baixa susceptibilidade magnética positiva e cujos átomos têm um momento magnético permanente.

II. Material que possui permeabilidade magnética muito maior que a do vácuo, grande susceptibilidade magnética positiva e cujos átomos têm um momento magnético permanente e estão alinhados mesmo na ausência de um campo magnético externo.

III. Material que possui permeabilidade magnética menor que a do vácuo, susceptibilidade magnética negativa e cujos átomos não produzem momento magnético permanente.

As proposições caracterizam os materiais

 

Provas

Questão presente nas seguintes provas
1895227 Ano: 2007
Disciplina: Informática
Banca: FCC
Orgão: TRT-23
No Autocad, para a construção de uma linha perpendicular a uma reta dada, a partir de um ponto desta, necessita-se
 

Provas

Questão presente nas seguintes provas
1895226 Ano: 2007
Disciplina: Engenharia Eletrônica
Banca: FCC
Orgão: TRT-23

Aplica-se em um capacitor de 1μF inicialmente descarregado uma corrente elétrica definida pela expressão i(t) = 50.t. Então, a expressão da tensão no capacitor é

Enunciado 1895226-1

 

Provas

Questão presente nas seguintes provas
1895225 Ano: 2007
Disciplina: Engenharia Elétrica
Banca: FCC
Orgão: TRT-23
Um instrumento de medidas elétricas tem como princípio de funcionamento a indução de correntes parasitas em um disco metálico com a produção de forças eletromagnéticas atuantes em correntes imersas em campo magnético. Trata-se de um medidor
 

Provas

Questão presente nas seguintes provas
1895224 Ano: 2007
Disciplina: Engenharia de Telecomunicações
Banca: FCC
Orgão: TRT-23

São padrões de tensão em uma linha telefônica:

 

Provas

Questão presente nas seguintes provas
1895223 Ano: 2007
Disciplina: Engenharia Eletrônica
Banca: FCC
Orgão: TRT-23

Considere o sistema trifásico representado abaixo.

Enunciado 1895223-1

As potências ativas totais na carga com a chave aberta e fechada valem, respectivamente,

Enunciado 1895223-2

 

Provas

Questão presente nas seguintes provas
1895222 Ano: 2007
Disciplina: Engenharia Eletrônica
Banca: FCC
Orgão: TRT-23

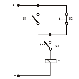
Considere o circuito abaixo.

Enunciado 1895222-1

A função lógica que representa o funcionamento do circuito de comando é

 

Provas

Questão presente nas seguintes provas
1895221 Ano: 2007
Disciplina: Engenharia Elétrica
Banca: FCC
Orgão: TRT-23

Considere as características das barras de cobre utilizadas em subestações elétricas:

Barra 1: 1" x 1/8" − 250 A

Barra 2: 1" x 1/4" − 400 A

Verifica-se que a espessura da barra 1 é metade da barra 2, mas a sua capacidade de corrente não reduz na mesma proporção. Isso se deve ao efeito

 

Provas

Questão presente nas seguintes provas