Foram encontradas 956 questões.
Para turbinas hidráulicas semelhantes, são válidas as seguintes relações:
Provas
Com referência a uma transmissão por engrenagens de dentes retos normais, com ângulo de pressão de 20° e perfil evolvente, na qual um torque de 1.200 N.m seja transmitido por um pinhão de 25 dentes e diâmetro primitivo de 100 mm a uma coroa de 75 dentes e 300 mm de diâmetro primitivo, julgue o próximo item.
As citadas engrenagens devem ser fabricadas com módulo m = 4 mm.
Provas
Com referência a uma transmissão por engrenagens de dentes retos normais, com ângulo de pressão de 20° e perfil evolvente, na qual um torque de 1.200 N.m seja transmitido por um pinhão de 25 dentes e diâmetro primitivo de 100 mm a uma coroa de 75 dentes e 300 mm de diâmetro primitivo, julgue o próximo item.
Durante a ação conjugada, cada dente do pinhão aplicará ao dente da coroa uma força tangencial de 12 kN.
Provas
Com referência à aplicação dos princípios da terotecnologia no desenvolvimento de um novo sistema industrial, julgue o item.
A chefia da manutenção do sistema ou instalação deverá ocupar um nível hierárquico no organograma subordinado à chefia de operação.
Provas
Julgue o item, que se referem às Leis da Termodinâmica.
Sob condições ideais, todo o calor gerado pela queima do combustível em um motor de combustão interna é convertido em trabalho mecânico.
Provas
Com referência à aplicação dos princípios da terotecnologia no desenvolvimento de um novo sistema industrial, julgue o item.
Os conceitos relacionados à manutenção deverão ser levados em conta durante toda a fase de concepção, seleção de componentes e escolha de soluções do sistema mediante a participação de um especialista de manutenção na equipe de projeto.
Provas
Julgue o item, relacionado a conceitos da engenharia de manutenção.
O cômputo do tempo de inatividade, tempo de parada ou downtime de um equipamento para manutenção deve incluir o tempo gasto em procedimentos administrativos necessários à manutenção, inclusive eventuais atrasos no início da ação de reparo e demora na entrega de peças de reposição
Provas
- Mecânica dos SólidosModelagem Estática e Dinâmica
- Mecânica dos SólidosElasticidade Linear, Plasticidade, Fratura, Fadiga e Flambagem

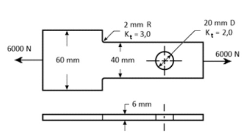
Considerando que o componente submetido a uma carga axial de 6.000 N esquematizado na figura acima seja fabricado em aço ABNT 4130 normalizado (resistência à ruptura Srt = 1030 MPa e ao escoamento Sy = 650 MPa), e considerando, ainda, os fatores de concentração de tensões indicados para a mudança de seção e para o furo, julgue o item a seguir.
O coeficiente de segurança contra escoamento na peça é menor que 5.
Provas
Julgue o item, que se referem às Leis da Termodinâmica.
Entre os três processos esquematizados nos diagramas PV (pressão versus volume) mostrados abaixo, referentes à compressão, do estado inicial i para o estado final f, exercida por um pistão sobre um gás contido em um cilindro, é correto afirmar que, no processo b, é realizado o maior trabalho.

Provas
Julgue o item abaixo à luz dos conceitos da psicrometria.
A temperatura de orvalho é a temperatura da água no equipamento de ar condicionado que produzirá ar saturado na saída sob essa mesma temperatura.
Provas
Caderno Container