Foram encontradas 1.072 questões.
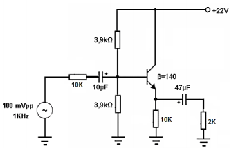
A figura a seguir representa um amplificador coletor comum aplicado a circuitos amplificadores de pequenos sinais. 
O valor máximo de pico a pico da tensão c.a de saída, sem ceifamento, é aproximadamente igual a: (Obs.: Vbe = 0.7V.)

O valor máximo de pico a pico da tensão c.a de saída, sem ceifamento, é aproximadamente igual a: (Obs.: Vbe = 0.7V.)
Provas
Questão presente nas seguintes provas

O circuito lógico representado pelo circuito integrado 7400, no que tange a sua escala de integração, é:
Provas
Questão presente nas seguintes provas
Analise o gráfico a seguir.

O gráfico apresentado pela figura é de um circuito com diodo de silício polarizado diretamente. Considerando o ponto Q, a resistência DC está corretamente representada em:
Provas
Questão presente nas seguintes provas
As centrais telefônicas que compõem a rede pública de telefonia necessitam trocar informações para garantir que as
comutações sejam realizadas da forma correta. Uma central digital do tipo local conectada a uma central digital do
tipo trânsito troca sinais a respeito do estado da chamada utilizando o time-slot 16 do link de dados E-1. É correto
afirmar que estes sinais podem ser classificados como sinalização:
Provas
Questão presente nas seguintes provas
Sobre o parâmetro DRIFT de um amplificador operacional, assinale a afirmativa correta.
Provas
Questão presente nas seguintes provas
VGS (off) é um parâmetro presente nas folhas de dados de um JFET. Este parâmetro corresponde à:
Provas
Questão presente nas seguintes provas
Apesar da revolução digital que temos vivenciado, com o surgimento de dispositivos eletrônicos que associam cada
vez mais todos os serviços de telecomunicações, aquele ao qual chamamos de telefone, seja ele móvel ou fixo,
permanece responsável pela execução de determinadas funções em relação às centrais telefônicas. Uma destas
funções é a conexão central telefônica – telefone permitindo o acesso do assinante. Neste sentido, é correto afirmar
que:
Provas
Questão presente nas seguintes provas
O resultado da equação 011110 + 011001 em decimal é representado na alternativa:
Provas
Questão presente nas seguintes provas
São características de fontes de alimentação chaveadas, EXCETO:
Provas
Questão presente nas seguintes provas
Os meios de transmissão, utilizados para o envio das informações em telecomunicações, podem ser classificados em
dois tipos: meios físicos ou guiados como, por exemplo, os cabos e a fibra óptica, e os meios não físicos ou
não guiados, como o espaço livre. Para transmitir sinais à distância, vencendo a atenuação e o ruído que são comuns
a esses meios de transmissão, comumente é utilizada a técnica de:
Provas
Questão presente nas seguintes provas
Cadernos
Caderno Container