Foram encontradas 792 questões.

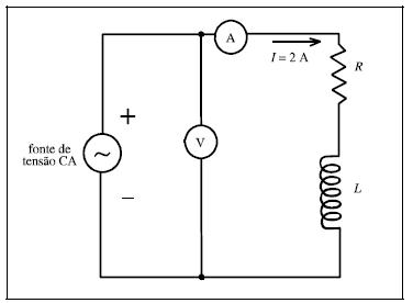
A figura acima representa um circuito alimentado por fonte de tensão em corrente alternada senoidal, cuja freqüência é igual a 60 Hz. Os medidores são considerados ideais e fornecem valores eficazes como leitura. Ao se ligar a fonte, o voltímetro indica 100 V e o amperímetro, 2 A. Acerca do funcionamento do circuito em regime permanente e dos seus elementos, julgue os itens que se seguem.
Se a resistência R é igual a 40
, a indutância L é superior a 100 mH.
Provas

A figura acima representa um circuito alimentado por fonte de tensão em corrente alternada senoidal, cuja freqüência é igual a 60 Hz. Os medidores são considerados ideais e fornecem valores eficazes como leitura. Ao se ligar a fonte, o voltímetro indica 100 V e o amperímetro, 2 A. Acerca do funcionamento do circuito em regime permanente e dos seus elementos, julgue os itens que se seguem.
Se a resistência R é igual a 40
, a reatância do circuito é igual a 10
.
Provas

A figura acima representa um circuito alimentado por fonte de tensão em corrente alternada senoidal, cuja freqüência é igual a 60 Hz. Os medidores são considerados ideais e fornecem valores eficazes como leitura. Ao se ligar a fonte, o voltímetro indica 100 V e o amperímetro, 2 A. Acerca do funcionamento do circuito em regime permanente e dos seus elementos, julgue os itens que se seguem.
A impedância composta pela resistência R e pelo indutor L apresenta módulo igual a 50
.
Provas
Em um local suprido por rede de baixa tensão, foi necessário instalar disjuntores para realizar as funções de comando e de proteção de circuitos. Em relação aos dispositivos que cumprem tais funções, julgue os itens a seguir.
Disjuntores termomagnéticos são providos de disparadores para ações de sobrecarga e de curto-circuito.
Provas
Em um local suprido por rede de baixa tensão, foi necessário instalar disjuntores para realizar as funções de comando e de proteção de circuitos. Em relação aos dispositivos que cumprem tais funções, julgue os itens a seguir.
Em caso de avaria, os componentes dos disjuntores construídos em caixa moldada são, normalmente, substituídos, o que possibilita a recuperação do disjuntor.
Provas
Em um local suprido por rede de baixa tensão, foi necessário instalar disjuntores para realizar as funções de comando e de proteção de circuitos. Em relação aos dispositivos que cumprem tais funções, julgue os itens a seguir.
São inadequados para montagem em quadros e painéis quando o seu mecanismo de atuação — o dispositivo de disparo, entre outros — é montado em estrutura, normalmente metálica, do tipo aberta.
Provas
Os condutores isolados para emprego em baixa tensão são constituídos de fios de cobre mole e apresentam bitola de acordo com a capacidade de corrente que podem conduzir. Acerca desses condutores, julgue os itens abaixo.
A vida útil de um cabo condutor não é afetada pela temperatura na qual o cabo opera.
Provas
Os condutores isolados para emprego em baixa tensão são constituídos de fios de cobre mole e apresentam bitola de acordo com a capacidade de corrente que podem conduzir. Acerca desses condutores, julgue os itens abaixo.
Os cabos são, em geral, isolados com dielétricos sólidos, tais como cloreto de polivinila (PVC) e polietileno reticulado (XLPE).
Provas
Em um circuito primário de determinada instalação elétrica, é necessário instalar buchas de passagem para conectar um circuito aéreo ao tempo a um circuito aéreo abrigado. Em relação às características de buchas de passagem que têm essa finalidade, julgue os itens seguintes.
A parte da bucha exposta ao tempo não deve ter isolação dotada de saias.
Provas
Em um circuito primário de determinada instalação elétrica, é necessário instalar buchas de passagem para conectar um circuito aéreo ao tempo a um circuito aéreo abrigado. Em relação às características de buchas de passagem que têm essa finalidade, julgue os itens seguintes.
A corrente nominal é um dos itens necessários na especificação dessas buchas.
Provas
Caderno Container