Foram encontradas 698 questões.

Para realizar adaptações em um sistema de áudio, um técnico em eletrônica necessitou projetar um circuito lógico com base na tabela verdade precedente. Nessa situação, a expressão lógica mínima, na forma soma de produtos, para a saída é dada por
Provas

A figura precedente ilustra um circuito de medição de temperatura usando o termistor NTC RT. Considere que a tensão VCC seja de 5 V, que os resistores RA, RB e RC tenham resistências iguais a 10 kΩ cada, e que a resistência do termistor RT seja, à temperatura de 25 ºC, igual a 10 kΩ. Considere, ainda, que as seguintes condições sejam satisfeitas: R1=R3 e R2=R4, que as tensões de entrada do amplificador de instrumentação sejam Vi1 e Vi2, e que a tensão de saída do circuito seja representada por Vout.
Com base nessas informações e assumindo que todos os componentes do circuito sejam ideais, assinale a opção correta.
Provas

A figura precedente mostra um circuito para ajuste de luminosidade de uma lâmpada incandescente em que são usados tiristores. O filtro formado por L1 e C1 serve para diminuir a contaminação da rede por ruídos oriundos do chaveamento do TRIAC. Nesse circuito,
Provas

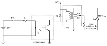
No circuito de acionamento de uma resistência de aquecimento ilustrado na figura precedente, observam-se três fontes de tensão eletricamente isoladas: duas fontes de corrente contínua, de 24 V e 30 V, e uma fonte de corrente alternada com tensão eficaz de 220 V. Nesse circuito, quando se fechar a chave SW1,
Provas

A figura apresentada ilustra um esquema de cabeamento estruturado genérico de um edifício comercial, que atende a especificação da ABNT NBR 14565. Na figura, o cabeamento horizontal, o cabeamento de backbone de campus e o cabeamento de edifício compreendem os subsistemas indicados, respectivamente, por
Provas
Provas
Provas
Provas
Provas
Provas
Caderno Container