Foram encontradas 50 questões.
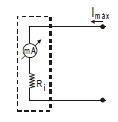
Para o controle de temperatura de um determinado processo (entre 0ºC e 50ºC) foi implementado um termômetro eletrônico que produz uma tensão DC (entre 0 e 50 mV) proporcional à temperatura, conforme o esquema abaixo.


Com base nessas informações, o esquema elétrico correto do circuito do medidor para que a indicação do galvanômetro entre 0 e 1 mA corresponda à temperatura medida entre 0oC e 50oC é
Dados: corrente de fundo de escala ⇒ Imáx = 1 mA
resistência interna ⇒ Ri = 10 Ω
Provas
A figura abaixo representa um medidor indutivo de vazão, cujo princípio de medição baseia-se no fenômeno de que um condutor elétrico em movimento, submerso em um campo magnético, faz surgir uma força eletromotriz (f.e.m.) induzida.

Basicamente, o instrumento é composto por um tubo cilíndrico de material não-magnético e isolado eletricamente na parte interna, duas bobinas fixadas no tubo em lados opostos para a geração do fluxo magnético e dois eletrodos fixados perpendicularmente em relação às bobinas.
Para que haja tensão induzida, é necessário que o fluido tenha uma condutibilidade elétrica mínima de 0,5μS/cm, o que ocorre com praticamente todos os fluidos de uso industrial.
Analisando a formação desse instrumento, pode-se afirmar que a tensão induzida nos eletrodos(Um), a densidade de fluxo magnético (B) e a vazão (Q) se relacionam, proporcionalmente, segundo a representação
Provas
- Circuitos ElétricosAspectos Básicos e Topologia de Circuitos
- Circuitos ElétricosModelos Físicos e Matemáticos
O esquema abaixo refere-se a um tipo de medidor de nível:

Provas
Os textos e figuras seguintes referem-se às questões de números 46 e 47.
A figura I corresponde a um exemplo de célula de medição dinamométrica para cargas de tração de 60 kgf, usada em balanças eletromecânicas, cujo diagrama em blocos simplificado está representado na figura II.

Os elementos básicos de medição da célula dinamométrica são as molas de medição e as tiras de medição extensiométricas (DMS ou strain gauge), conforme mostra a figura III.

A DMS é uma resistência laminada e sinuosa que, colada na mola de medição, sofre uma deformação (dilatação ou compressão) quando a célula é submetida à força mecânica da peça a ser pesada.
Um circuito típico interno de uma célula de medição dinamométrica com DMS está apresentado na figura IV.

As resistências de compensação (fixas) e as de compensação para a variação da temperatura têm as seguintes funções:
R0 e RT0 - aferição do ponto zero
REu e RETu - aferição da sensibilidade com alimentação de tensão
REi e RETi - aferição da sensibilidade com alimentação de corrente
Qual das grandezas indicadas na figura IV é usada para avaliar o peso da peça?
Provas
Os textos e figuras seguintes referem-se às questões de números 46 e 47.
A figura I corresponde a um exemplo de célula de medição dinamométrica para cargas de tração de 60 kgf, usada em balanças eletromecânicas, cujo diagrama em blocos simplificado está representado na figura II.

Os elementos básicos de medição da célula dinamométrica são as molas de medição e as tiras de medição extensiométricas (DMS ou strain gauge), conforme mostra a figura III.

A DMS é uma resistência laminada e sinuosa que, colada na mola de medição, sofre uma deformação (dilatação ou compressão) quando a célula é submetida à força mecânica da peça a ser pesada.
Um circuito típico interno de uma célula de medição dinamométrica com DMS está apresentado na figura IV.

As resistências de compensação (fixas) e as de compensação para a variação da temperatura têm as seguintes funções:
R0 e RT0 - aferição do ponto zero
REu e RETu - aferição da sensibilidade com alimentação de tensão
REi e RETi - aferição da sensibilidade com alimentação de corrente
Se a DMS tem uma resistência estática R = 100 Ω, cujo efeito de medição ΔR/R máximo é de 20.10−3 quando submetida a um esforço, a variação máxima de sua resistência é
Provas
Analise o sistema abaixo.

Provas
Há várias maneiras de apresentar o maior valor de erro estático que um instrumento pode ter ao longo de sua faixa de trabalho, dentre elas:
- erro em porcentagem do alcance (span)
- erro em porcentagem do valor medido
Alcance ou span é a diferença algébrica entre os valores superior e inferior da faixa de medida (range) de um instrumento.
Em um processo industrial, há dois termômetros (I e II) de diferentes fabricantes, cujas especificações são as seguintes:
T(I) - range: 50°C a 150°C
precisão: ± 0,5% do valor medido
T(II) - range: 20°C a 180°C
precisão: ± 0,5% do span
Considere que os dois termômetros estejam indicando a mesma temperatura de 100°C. Para cada termômetro, os valores mínimo e máximo que podem corresponder à temperatura real medida são
Provas
O texto seguinte refere-se às questões de números 42 e 43.
Um dos tipos de termômetros elétricos de contato é aquele que utiliza como sensor (elemento primário) uma resistência composta por um condutor metálico, cujo valor varia com a temperatura t, conforme a relação:
Rt = R0 ⋅ (1+ α⋅ Δt + β ⋅Δt2)
em que: Rt é a resistência, em Ω, à temperatura t;
R0 é a resistência, em Ω, à temperatura de referência (t = 0°C ou T = 273,15K);
α é o coeficiente de temperatura do material, em K−1;
β é o coeficiente de correção do material, em K−2;
Δt é a variação da temperatura em relação à de referência e relativa à Rt.
A conversão de temperatura entre graus celsius (ºC) e kelvin (K) pode ser feita por meio da fórmula: t(ºC) = T (K) − 273,15
Considere que para termômetros de níquel, a resistência do sensor é ajustada para 100 Ω a 0°C e que, conforme a norma DIN 43760, a resistência de níquel usada para termômetros deve ter as seguintes especificações:
α = 0,00617 K−1
Rt = 161,7 Ω para t = 100°C
Rt = 223,1 Ω para t = 180°C
Provas
O texto seguinte refere-se às questões de números 42 e 43.
Um dos tipos de termômetros elétricos de contato é aquele que utiliza como sensor (elemento primário) uma resistência composta por um condutor metálico, cujo valor varia com a temperatura t, conforme a relação:
Rt = R0 ⋅ (1+ α⋅ Δt + β ⋅Δt2)
em que: Rt é a resistência, em Ω, à temperatura t;
R0 é a resistência, em Ω, à temperatura de referência (t = 0°C ou T = 273,15K);
α é o coeficiente de temperatura do material, em K−1;
β é o coeficiente de correção do material, em K−2;
Δt é a variação da temperatura em relação à de referência e relativa à Rt.
A conversão de temperatura entre graus celsius (ºC) e kelvin (K) pode ser feita por meio da fórmula: t(ºC) = T (K) − 273,15
Considere que para termômetros de níquel, a resistência do sensor é ajustada para 100 Ω a 0°C e que, conforme a norma DIN 43760, a resistência de níquel usada para termômetros deve ter as seguintes especificações:
α = 0,00617 K−1
Rt = 161,7 Ω para t = 100°C
Rt = 223,1 Ω para t = 180°C
Provas
O texto e a figura seguintes referem-se às questões de números 40 e 41.
Considere o sistema seguinte formado por duas polias ligadas por uma correia, sendo que os pontos de contato da correia com as polias formam um ângulo δ em relação aos eixos imaginários verticais.
Se o número de rotações da polia maior for 120 rpm, a rotação da polia menor será
Provas
Caderno Container