Foram encontradas 540 questões.
Os sistemas de aterramento e equipotencialização são
parte integrante dos projetos de instalações elétricas.
As canalizações metálicas de água
As canalizações metálicas de água
Provas
Questão presente nas seguintes provas
O circuito da Figura possui componentes ideais, sendo composto por uma fonte de tensão senoidal, uma impedância Z1
,
uma chave S e uma reatância indutiva de valor jX2
, além dos instrumentos de medição wattímetro, amperímetro e voltímetro. Considere a operação sempre em regime permanente.
Quando a chave S está aberta, o wattímetro mede 800 W; o amperímetro, 5 A; e o voltímetro 200 V. Quando a chave S está fechada, a medida do wattímetro é igual ao produto da medida do amperímetro pela medida do voltímetro.
Qual é o valor de Z1 , em ohms, quando se representa essa impedância como uma resistência em série com uma reatância?
Quando a chave S está aberta, o wattímetro mede 800 W; o amperímetro, 5 A; e o voltímetro 200 V. Quando a chave S está fechada, a medida do wattímetro é igual ao produto da medida do amperímetro pela medida do voltímetro.
Qual é o valor de Z1 , em ohms, quando se representa essa impedância como uma resistência em série com uma reatância?
Provas
Questão presente nas seguintes provas
O circuito CC puramente resistivo, mostrado na Figura
a seguir, tem seus componentes considerados ideais, e
seus valores expostos na Figura.
Sabendo-se que a carga resistiva RL é alimentada pela corrente IL = 1A, o valor da resistência de carga RL , em ohms, deverá ser igual a
Sabendo-se que a carga resistiva RL é alimentada pela corrente IL = 1A, o valor da resistência de carga RL , em ohms, deverá ser igual a
Provas
Questão presente nas seguintes provas
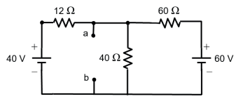
Considere o circuito resistivo mostrado na Figura a seguir.

Com base nos dados da Figura, o valor da resistência, em ohms, do Equivalente Thevenin, medida entre os pontos a e b desse circuito, é
Provas
Questão presente nas seguintes provas
A Figura a seguir mostra o esquema elétrico, montado em
laboratório, para medir a resistência interna de uma bateria com valor nominal de 12 volts. O esquema é composto
de um voltímetro (V), um amperímetro (A) e um resistor
variável.
Em um primeiro ensaio, variando-se o resistor, foi medido no amperímetro a corrente de 2 A e, no voltímetro, a tensão de 11,2 V.
Para confirmar o resultado, foi feito um segundo ensaio, variando-se o resistor. Foram obtidas as seguintes medidas: no amperímetro, a corrente de 3 A, e, no voltímetro, a tensão de 10,8 V.
Com base nos ensaios realizados, o valor, em ohms, da resistência interna da bateria é
Em um primeiro ensaio, variando-se o resistor, foi medido no amperímetro a corrente de 2 A e, no voltímetro, a tensão de 11,2 V.
Para confirmar o resultado, foi feito um segundo ensaio, variando-se o resistor. Foram obtidas as seguintes medidas: no amperímetro, a corrente de 3 A, e, no voltímetro, a tensão de 10,8 V.
Com base nos ensaios realizados, o valor, em ohms, da resistência interna da bateria é
Provas
Questão presente nas seguintes provas
Um equipamento foi alimentado por um condutor que se
deteriorou devido ao fato de ele ser submetido a impactos
mecânicos.
O condutor mais adequado para a sua substituição é o de isolação
O condutor mais adequado para a sua substituição é o de isolação
Provas
Questão presente nas seguintes provas
A necessidade de proteção contra descargas atmosféricas e a escolha das medidas adequadas de proteção
devem ser buscadas pelos profissionais, por ocasião da
elaboração dos projetos.
A proteção que visa a reduzir falhas em sistemas eletroeletrônicos, em uma estrutura a ser protegida, é pautada
A proteção que visa a reduzir falhas em sistemas eletroeletrônicos, em uma estrutura a ser protegida, é pautada
Provas
Questão presente nas seguintes provas
É obrigatório que uma instalação elétrica com carga instalada acima de 75 kVA tenha como medida de controle o
seguinte documento:
Provas
Questão presente nas seguintes provas
Existem diversos tipos de sistemas de manutenção de
energia (Uninterruptible Power Supplies – UPS).
O tipo que alimenta a carga com a energia da rede sem qualquer tratamento (estando a rede elétrica com seus parâmetros dentro das condições especificadas pelo fabricante do UPS), é:
O tipo que alimenta a carga com a energia da rede sem qualquer tratamento (estando a rede elétrica com seus parâmetros dentro das condições especificadas pelo fabricante do UPS), é:
Provas
Questão presente nas seguintes provas
Uma instalação elétrica em baixa tensão apresentou, em
um quadro de distribuição de circuitos, uma sobretensão
elevada em uma de suas fases.
Uma possível causa dessa sobretensão é a(o)
Uma possível causa dessa sobretensão é a(o)
Provas
Questão presente nas seguintes provas
Cadernos
Caderno Container