Foram encontradas 540 questões.
Ao aplicar o sinal de tensão senoidal v(t) = 150 sen(ω0 t) sobre a impedância complexa, dada por Z(jω0 ) = 10 - j10, ambos operando na mesma frequência, a expressão do sinal da corrente elétrica resultante será
Provas
Questão presente nas seguintes provas
- Circuitos ElétricosCircuitos CC
- Transformadores e Máquinas ElétricasMáquinas EstáticasTransformador de Corrente
Na Figura abaixo, está representado o diagrama esquemático de um circuito empregando dois transformadores
e uma fonte de tensão vS(t) = 120 sen(ωt), expressa em
volts. Considerando-se os transformadores ideais, haverá
uma corrente elétrica i2
(t) = A2
sen(ωt) no resistor R2
.
Qual será, em amperes, a amplitude A2 da corrente elétrica i2 (t)?
Qual será, em amperes, a amplitude A2 da corrente elétrica i2 (t)?
Provas
Questão presente nas seguintes provas
No circuito ilustrado na Figura abaixo, são conhecidas
apenas a tensão vS(t) = 50 cos(300t), expressa em volts,
e a corrente iS(t) = 2,0 cos(300t – 30º ), expressa em
amperes.
A partir dessas informações, qual será a potência média, em watts, dissipada pela resistência de carga RL , quando o circuito acima estiver operando em regime permanente?
A partir dessas informações, qual será a potência média, em watts, dissipada pela resistência de carga RL , quando o circuito acima estiver operando em regime permanente?
Provas
Questão presente nas seguintes provas
Um técnico necessita gerar certa impedância, conectando, em série, uma capacitância e uma indutância. É importante que a frequência de ressonância w0
para essa
impedância seja a mais próxima possível de w0
=500 rad/s.
Para isso, o técnico dispõe de apenas dois capacitores e
de dois indutores que, em caso de necessidade, poderão
ser conectados em série ou em paralelo. Os componentes
disponíveis são:
– Capacitores: C1 = 1,5 mF e C2 = 450 µF; – Indutores: L1 = 1,8 mH e L2 = 250 µH.
Sabe-se que a frequência w0 , em rad/s, pode ser ajustada em função da capacitância, em F, e da indutância, em H, de acordo com a seguinte fórmula: w0 = 1 / √LC
Nessas condições, para se obter o ajuste mais próximo da frequência w0 desejada, o técnico deverá utilizar
– Capacitores: C1 = 1,5 mF e C2 = 450 µF; – Indutores: L1 = 1,8 mH e L2 = 250 µH.
Sabe-se que a frequência w0 , em rad/s, pode ser ajustada em função da capacitância, em F, e da indutância, em H, de acordo com a seguinte fórmula: w0 = 1 / √LC
Nessas condições, para se obter o ajuste mais próximo da frequência w0 desejada, o técnico deverá utilizar
Provas
Questão presente nas seguintes provas
- Conceitos BásicosMateriais Elétricos
- Eletromagnetismo
- Sistemas Elétricos de PotênciaAnálise de SEPFluxo de Potência, Estabilidade e Regulação
Um técnico precisa instalar, de forma improvisada, um receptor de rádio na floresta. Ele sabe que vai operar para
receber um sinal de onda eletromagnética; para tal, precisa improvisar, com fios, uma antena receptora, tendo de
estender, entre duas árvores, um pedaço de fio condutor
com, exatamente, a metade do comprimento de onda do
sinal eletromagnético a ser recebido.
A onda portadora do sinal que será sintonizado no aparelho rádio receptor opera na frequência de 10 MHz.
Qual será, em metros, o comprimento do fio da antena improvisada?
A onda portadora do sinal que será sintonizado no aparelho rádio receptor opera na frequência de 10 MHz.
Qual será, em metros, o comprimento do fio da antena improvisada?
Provas
Questão presente nas seguintes provas
Em um circuito trifásico a três fios, são utilizados dois
wattímetros para aferir a potência ativa total do circuito,
aplicando-se o método dos dois wattímetros.
Nesse método, a potência ativa total do circuito trifásico é obtida através da(o)
Nesse método, a potência ativa total do circuito trifásico é obtida através da(o)
Provas
Questão presente nas seguintes provas
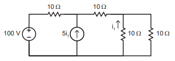
O circuito em corrente contínua da Figura é composto
por uma fonte de tensão de 100 V, uma fonte de corrente
controlada, cujo valor é de cinco vezes a corrente i1
, e
quatro resistências de 10 Ω. Considere que o circuito está
operando em regime permanente, e que todos os componentes são ideais.
Qual a potência total, em Watt, dissipada pelos quatro resistores?
Qual a potência total, em Watt, dissipada pelos quatro resistores?
Provas
Questão presente nas seguintes provas
A Norma ABNT NBR 5410 estabelece os princípios fundamentais e as determinações das características gerais
que orientam os seus objetivos e prescrições, sendo
Provas
Questão presente nas seguintes provas
Em uma subestação de energia elétrica de distribuição,
o uso dos transformadores de corrente (TC) se destina a
Provas
Questão presente nas seguintes provas
Um equipamento elétrico monofásico possui potência de
3.520 VA, e sua tensão de alimentação é de 220 V. O circuito utilizado para a sua alimentação possui uma queda
de tensão unitária de 10 V/(A.km).
Para que o percentual de queda de tensão não ultrapasse 2%, o comprimento máximo desse circuito deve ser de
Para que o percentual de queda de tensão não ultrapasse 2%, o comprimento máximo desse circuito deve ser de
Provas
Questão presente nas seguintes provas
Cadernos
Caderno Container