Magna Concursos

Foram encontradas 1.700 questões.

154997 Ano: 2018
Disciplina: Engenharia Ambiental e Sanitária
Banca: CESGRANRIO
Orgão: Transpetro
Provas:

Um topógrafo, estacionado no ponto A, utilizou um teodolito analítico para realizar uma visada horizontal (perpendicular), conforme a mira abaixo, localizada no ponto B. A leitura do fio superior na mira foi igual a 2,591 m, e a do fio inferior foi igual a 2,443 m e, ainda, a leitura do fio médio foi de 2,517 m.

Enunciado 154997-1

Qual a distância horizontal, em m, entre o ponto A e o ponto B?

Dado

No caso de uma visada horizontal, o cos² α é igual a 1.

 

Provas

Questão presente nas seguintes provas
154996 Ano: 2018
Disciplina: Eletroeletrônica
Banca: CESGRANRIO
Orgão: Transpetro
Um ohmímetro é utilizado para medir a resistência de um resistor padrão. A Correção (C) e a Precisão (P) do aparelho foram previamente determinadas e valem, respectivamente, C = -40 Ω e P = 4,8Ω. Foram realizadas 16 medições repetidas, e a média obtida das 16 indicações foi de 1048,0 Ω. O resultado estimado da medição, em Ω, é
 

Provas

Questão presente nas seguintes provas
154995 Ano: 2018
Disciplina: Eletroeletrônica
Banca: CESGRANRIO
Orgão: Transpetro
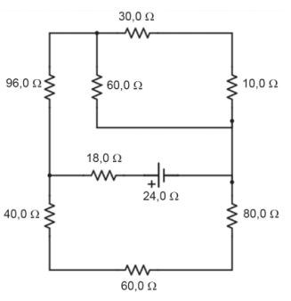
Uma fonte de tensão contínua alimenta um circuito composto por resistores, como mostra a Figura. Enunciado 154995-1 A tensão em V sobre o resistor de 18,0 Ω vale
 

Provas

Questão presente nas seguintes provas
154994 Ano: 2018
Disciplina: Eletroeletrônica
Banca: CESGRANRIO
Orgão: Transpetro

Dentre as representações utilizadas em eletricidade, o símbolo abaixo corresponde a um

Enunciado 154994-1

 

Provas

Questão presente nas seguintes provas
154993 Ano: 2018
Disciplina: Eletroeletrônica
Banca: CESGRANRIO
Orgão: Transpetro

A Lei de Coulomb é dada pela seguinte expressão:

Enunciado 154993-1

onde, F é a força elétrica, q1 e q2 são as cargas elétricas, r é a distância entre as cargas e ε é a permissividade elétrica.

A unidade da permissividade elétrica no Sistema Interna

 

Provas

Questão presente nas seguintes provas
154992 Ano: 2018
Disciplina: Eletroeletrônica
Banca: CESGRANRIO
Orgão: Transpetro
Com o objetivo de determinar a resistência interna de uma fonte de tensão contínua, foi utilizado um voltímetro para medir a voltagem da fonte com e sem carga. A medida da voltagem entre os terminais da fonte sem carga foi de 12,0 V e, com uma carga de 8,00 Ω acoplada aos terminais, a voltagem medida foi de 9,00 V. De acordo com esse ensaio, a resistência interna da fonte, em Ω, vale, aproximadamente,
 

Provas

Questão presente nas seguintes provas
154991 Ano: 2018
Disciplina: Edificações
Banca: CESGRANRIO
Orgão: Transpetro
Provas:
A Figura a seguir esquematiza uma estrutura de contenção de encosta. Enunciado 154991-1 Essa estrutura é um tipo de muro de arrimo, denominado
 

Provas

Questão presente nas seguintes provas
154990 Ano: 2018
Disciplina: Edificações
Banca: CESGRANRIO
Orgão: Transpetro
Provas:
Considere as informações e dados a seguir para responder à questão.
Uma viga de concreto armado com seção transversal de 25 cm x 60 cm e comprimento 7,0 m será concretada usando-se um traço no qual, para cada metro cúbico, os consumos são:
• cimento: 450 kg
• areia: 520 litros
• brita: 740 litros
Adote como parâmetro de cálculo sacos de cimento com 50 kg e desconsidere as perdas.
Sendo os preços da areia e da brita R$ 150,00/m3 e R$ 100,00/m3, respectivamente, os custos desses insumos para atender a essa concretagem são
 

Provas

Questão presente nas seguintes provas
154989 Ano: 2018
Disciplina: Edificações
Banca: CESGRANRIO
Orgão: Transpetro
Provas:
A NR 18 (Condições e meio ambiente de trabalho na indústria da construção civil) estabelece a obrigatoriedade de os trabalhadores receberem treinamento admissional. A duração mínima, em horas, desse treinamento é
 

Provas

Questão presente nas seguintes provas
154988 Ano: 2018
Disciplina: Edificações
Banca: CESGRANRIO
Orgão: Transpetro
Provas:
É uma prática nas obras o reaproveitamento das sobras de estacas pré-moldadas de concreto resultantes da diferença entre a estaca efetivamente levantada e a estaca arrasada. Esse reaproveitamento pode ser feito, desde que, na utilização dessa sobra, ele seja o
 

Provas

Questão presente nas seguintes provas