Foram encontradas 1.700 questões.
Na Teoria de Adensamento de Terzaghi, foram utilizadas
algumas hipóteses simplificadoras, tais como:
Provas
Questão presente nas seguintes provas
Em conformidade com a NBR NM 248:2003 (Agregados
– Determinação da composição granulométrica), o acúmulo de material sobre uma peneira impede o acesso de
todos os grãos à tela.
Com o objetivo de evitar esse problema, para peneiras com aberturas menores que 4,75 mm, a quantidade retida sobre cada peneira, na operação completa de peneiramento, NÃO deve exceder na superfície de peneiramento, a que valor, em kg/m2?
Com o objetivo de evitar esse problema, para peneiras com aberturas menores que 4,75 mm, a quantidade retida sobre cada peneira, na operação completa de peneiramento, NÃO deve exceder na superfície de peneiramento, a que valor, em kg/m2?
Provas
Questão presente nas seguintes provas
Os solos expansivos ocorrem comumente na região do
Recôncavo Baiano.
Os solos expansivos se caracterizam por:
Os solos expansivos se caracterizam por:
Provas
Questão presente nas seguintes provas
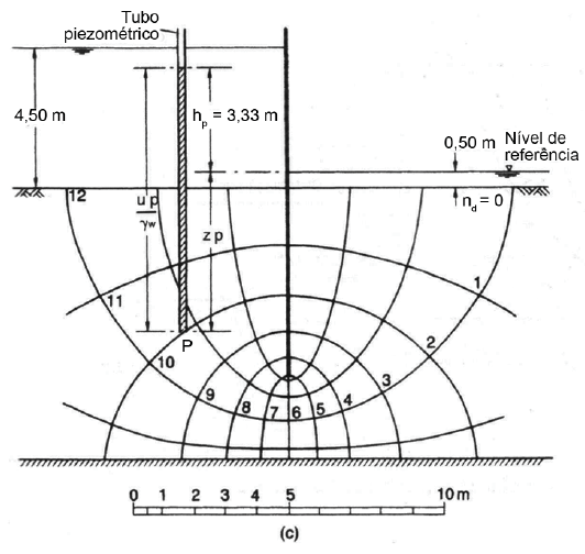
Considere a Figura abaixo.

Dado Permeabilidade horizontal e vertical do solo de fundação: k = 3 x 10-5 m/s.
Provas
Questão presente nas seguintes provas
A Figura abaixo apresenta dois esquemas de ensaios de permeabilidade.

Provas
Questão presente nas seguintes provas
Considere um solo argiloso com as seguintes características:
Volume = 0,16 m3
Teor de umidade = 13%
Saturação = 50%
Peso específico seco = 16,5 kN/m3
Qual é o seu peso específico natural?
Qual é o seu peso específico natural?
Provas
Questão presente nas seguintes provas
Considere o croqui de uma estrutura e os dados a seguir
para responder a questão abaixo.

• Despreze o peso da estrutura.
• As cotas estão em metros.
• Os círculos representam tubos apoiados na estrutura.
• Cada tubo deve ser substituído por uma carga pontual
de 10 kN no eixo, aplicada sobre sua geratriz inferior
que se apoia nas barras da estrutura.
• O diâmetro dos tubos é 1,0 m.
Provas
Questão presente nas seguintes provas
Um aterro de 3 m de altura será construído sobre um depósito de argila muito mole normalmente adensada de 12 m de
espessura.
No projeto,
No projeto,
Provas
Questão presente nas seguintes provas
A Figura abaixo apresenta a representação esquemática dos principais ensaios mecânicos realizados em laboratório de
geotecnia, que estão numerados de 1 a 4.

O comportamento do solo durante os ensaios está adequadamente relacionado ao tipo de ensaio em:

O comportamento do solo durante os ensaios está adequadamente relacionado ao tipo de ensaio em:
Provas
Questão presente nas seguintes provas
Os mapas de suscetibilidade e deslizamentos são utilizados para minimizar as consequências de deslizamentos.
Nesse contexto, o que é vulnerabilidade?
Nesse contexto, o que é vulnerabilidade?
Provas
Questão presente nas seguintes provas
Cadernos
Caderno Container