Magna Concursos

Foram encontradas 1.426 questões.

831569 Ano: 2011
Disciplina: Engenharia Elétrica
Banca: CESGRANRIO
Orgão: Transpetro
Uma instalação elétrica em uma indústria de processo possui sistema de proteção contra descargas atmosféricas (SPDA) e apresenta, instalados em sua planta, motores elétricos de indução, sistema de iluminação e equipamentos eletrônicos. O sistema de aterramento dessa instalação deve ter
 

Provas

Questão presente nas seguintes provas
831568 Ano: 2011
Disciplina: Engenharia Elétrica
Banca: CESGRANRIO
Orgão: Transpetro
Provas:
Uma subestação que se liga à rede pública de distribuição de média tensão e disponibiliza ao usuário baixa tensão possui dois transformadores em paralelo e atende a uma demanda total de 1125 kVA. Dados dos transformadores:
• Trafo 1: potência de 500 kVA nominais e impedância percentual de 2,5%.
• Trafo 2: potência de 750 kVA nominais e impedância percentual de 3%.
Com base nos dados acima, a distribuição de cargas para as unidades de transformação 1 e 2 são dadas pelas demandas parciais, em kVA, respectivamente, por
 

Provas

Questão presente nas seguintes provas
831567 Ano: 2011
Disciplina: Engenharia Elétrica
Banca: CESGRANRIO
Orgão: Transpetro
Provas:
O disjuntor termomagnético e o dispositivo à corrente Diferencial Residual (DR) são equipamentos de proteção muito utilizados em instalações elétricas de baixa tensão. As suas atuações ocorrem
 

Provas

Questão presente nas seguintes provas
831566 Ano: 2011
Disciplina: Engenharia Elétrica
Banca: CESGRANRIO
Orgão: Transpetro
Com respeito a um motor de indução trifásico, considere as afirmativas seguintes:
I - O rendimento e o fator de potência são baixos para cargas reduzidas, tornando-se maiores com o aumento da carga e atingindo o máximo em correspondência à carga nominal do motor.
II - O rendimento é alto, e o fator de potência é baixo para cargas reduzidas, e, com o aumento da carga, o rendimento diminui, e o fator de potência aumenta, tornando-se unitário com a carga nominal.
III - O rendimento e o fator de potência são altos para cargas reduzidas, e, com o aumento da carga, o rendimento diminui, e o fator de potência diminui na razão inversa do aumento da carga.
IV - O rendimento e o fator de potência são altos para cargas reduzidas, e, com o aumento da carga, o rendimento diminui, e o fator de potência torna-se igual a 80% para carga nominal.
É correto APENAS o que se afirma em
 

Provas

Questão presente nas seguintes provas
831565 Ano: 2011
Disciplina: Engenharia Elétrica
Banca: CESGRANRIO
Orgão: Transpetro
Provas:
Os motores elétricos são classificados segundo dois grandes grupos: os de corrente contínua e os de corrente alternada.

Analise as afirmativas abaixo
I - Os motores de corrente contínua operam alimentados por um tipo de fonte de energia normalmente disponibilizada por concessionárias a residências, indústrias e comércio em geral.
II - Os motores de corrente alternada são muito utilizados na partida de motores a combustão interna, empregados em veículos, sendo alimentados por bateria.
III - Os motores de corrente alternada podem ser mono- fásicos ou trifásicos, sendo síncronos ou assíncronos os trifásicos.

Estão corretas APENAS as afirmativas
 

Provas

Questão presente nas seguintes provas
831564 Ano: 2011
Disciplina: Engenharia Elétrica
Banca: CESGRANRIO
Orgão: Transpetro
Provas:
A respeito do curto-circuito em uma linha de transmissão, analise as afirmativas.
I - O curto-circuito trifásico depende somente do circuito equivalente de Thèvenin de sequência positiva.
II - O curto-circuito bifásico depende dos circuitos equivalentes de Thèvenin de sequências positiva e zero.
III - O curto-circuito monofásico depende dos circuitos equivalentes de Thèvenin de sequências positiva, negativa e zero.
Está correto APENAS o que se afirma em
 

Provas

Questão presente nas seguintes provas
831563 Ano: 2011
Disciplina: Engenharia Elétrica
Banca: CESGRANRIO
Orgão: Transpetro
Provas:

Enunciado 831563-1

No circuito da figura acima, deseja-se inserir um resistor de 20 kΩ entre os pontos a e b do circuito. Para que o resistor seja especificado, que potência, em mW, esse resistor dissipará ao ser inserido?

 

Provas

Questão presente nas seguintes provas
831562 Ano: 2011
Disciplina: Engenharia Elétrica
Banca: CESGRANRIO
Orgão: Transpetro
Enunciado 831562-1
Algumas horas após o fechamento da chave CH, um acidente provocou um curto-circuito na carga RL . Nessas circunstâncias, o fusível de proteção atua
 

Provas

Questão presente nas seguintes provas
831561 Ano: 2011
Disciplina: Engenharia Elétrica
Banca: CESGRANRIO
Orgão: Transpetro
Enunciado 831561-1
Em um determinado setor de uma indústria de fertilizantes, não pode ocorrer descontinuidade no fornecimento de energia elétrica, devido ao risco de acidente. Por isso, um gerador trifásico, ilustrado na figura ao lado, com potência nominal 20 MVA e impedância de sequência positiva por fase igual a 0,4 O, está sempre operando em vazio, para suprir a carga instantaneamente, no caso de ocorrência de falta de energia. Em um dado instante, ocorre um curto-circuito monofásico na fase b, nos terminais do gerador. Se Ra é o valor do resistor de aterramento, em ohm, que deve ser ligado para limitar a corrente de curto-circuito monofásico a 20% do valor da corrente de curto-circuito trifásica simétrica (curto-circuito direto), então
 

Provas

Questão presente nas seguintes provas
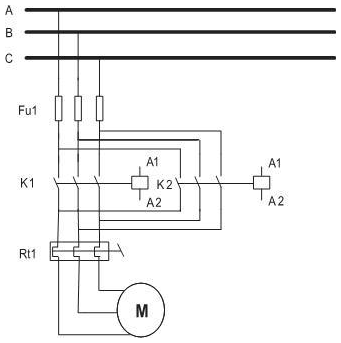
831560 Ano: 2011
Disciplina: Eletroeletrônica
Banca: CESGRANRIO
Orgão: Transpetro
Enunciado 831560-1
O diagrama trifilar mostrado acima corresponde ao acionamento de motor elétrico trifásico assíncrono de 4 polos, 6 terminais e 1.720 rpm. Tal motor é acionado com
 

Provas

Questão presente nas seguintes provas