Foram encontradas 215 questões.
Para se instalar uma luminária com lâmpadas fluorescentes, necessita-se da utilização de reatores para a ignição e estabilização da corrente em um nível adequado às lâmpadas de descargas. A respeito desse tema, considere as afirmativas abaixo.
I - Os reatores convencionais não necessitam de starter.
II - Os reatores de partida rápida necessitam de starter.
III - Os reatores eletrônicos não necessitam de starter.
Está(ão) correta(s) SOMENTE a(s) afirmativa(s)
Provas

Considere os três esquemas de aterramento para instalações em média tensão apresentados nas figuras acima. De acordo com a simbologia adotada na ABNT NBR 14039, as nomenclaturas dos Esquemas 1, 2 e 3, respectivamente, são
Provas
De acordo com a NBR 5410, para circuitos de iluminação, a seção mínima permitida dos condutores de cobre das fases dos circuitos, em mm2, é
Provas
Um prédio de 20 m de comprimento frontal e seção reta retangular, provido de um SPDA do tipo Franklin, com um ângulo de proteção de 45°, possui 4 captores com alturas de !$ \sqrt {50} !$ m em relação à cobertura do prédio. A largura máxima desse prédio, em metros, para que haja proteção plena contra descargas atmosféricas é
Provas

O sistema de controle para acionamento de motores, conforme o esquema simplificado acima, possui uma chave S2 com um retardo de !$ \Delta t !$ segundos para mudar de estado. Para que o motor M1 seja acionado e, em seguida, o motor M2 também entre em operação, é necessário que se aperte a botoeira
Provas

Para o circuito apresentado na figura acima, a potência, em Watts, dissipada no resistor de 1 é aproximadamente igual a
Provas

Uma certa instalação elétrica monofásica contém três máquinas elétricas, ligadas em paralelo, conforme ilustra a figura, com as seguintes características:
- A máquina 1 possui potência ativa de 1,8 kW e fator de potência 0,6 indutivo.
- A máquina 2 apresenta potência reativa de 1,5 kvar indutivo e fator de potência 0,8.
- A máquina 3 possui potência ativa de 1,7 kW.
- A potência reativa total da instalação é de 4,5 kvar indutivo.
Deseja-se que essa instalação elétrica apresente fator de potência de 1,0 com somente as máquinas 1 e 2 em funcionamento. Neste caso, a potência reativa do banco de capacitores, em kvar, a ser instalado em paralelo com as máquinas, é, aproximadamente,
Provas

Uma certa instalação elétrica monofásica contém três máquinas elétricas, ligadas em paralelo, conforme ilustra a figura, com as seguintes características:
- A máquina 1 possui potência ativa de 1,8 kW e fator de potência 0,6 indutivo.
- A máquina 2 apresenta potência reativa de 1,5 kvar indutivo e fator de potência 0,8.
- A máquina 3 possui potência ativa de 1,7 kW.
- A potência reativa total da instalação é de 4,5 kvar indutivo.
O fator de potência apresentado por esta instalação elétrica, com as três máquinas em funcionamento, é, aproximadamente,
Provas

A figura acima mostra um circuito de corrente alternada, cuja amplitude de pico da fonte senoidal é de 12V e em que os componentes já estão representados por suas impedâncias. Neste caso, a amplitude de pico do sinal VC sobre o capacitor, em volts, será
Provas

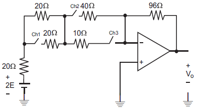
No circuito da figura acima, o AMP-OP é considerado ideal. Dado que ON significa ligado e OFF desligado, para que a tensão de saída Vo seja equivalente a +4E, a combinação correta das chaves deve ser
| Ch1 | Ch2 | Ch3 |
Provas
Caderno Container