Foram encontradas 1.219 questões.

O elemento final de controle de um circuito hidráulico composto pelo conjunto da figura é descrito como válvula de controle:
Provas
Materiais piezoelétricos, de uso comum em instalações de instrumentação, são transdutores que convertem energia:
Provas
No controle metrológico de analisadores, uma mistura padrão utilizada na calibração de um analisador de gases é um(a):
Provas
A calibração de um instrumento de medição permite o estabelecimento dos valores do mensurando para as indicações e a determinação:
Provas
Segundo a norma DIN 19226: “Regulagem é o fenômeno mediante o qual o parâmetro de saída é constantemente comparado com outro de referência, resultando numa ação corretiva através do parâmetro de entrada”.
Em um processo de controle automático contínuo, tal ação de regulagem corresponde a um controle:
Provas
No controle de um processo, o controlador instalado em série com a planta insere no sistema um Pólo e um Zero, ambos reais, sendo que o Zero se localiza mais próximo da origem do plano complexo do que o Pólo.
Este controlador é do tipo:
Provas
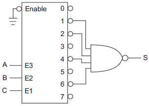
Observe a figura abaixo.

A figura ilustra um decodificador com 3 entradas e 8 saídas, sendo que o sinal de entrada E3 representa o bit mais significativo.
De acordo com o circuito digital implementado, o Mapa de Karnaugh, referente ao sinal lógico S, é:
Provas
Um sensor de pressão, localizado no fundo de um reservatório, é utilizado como instrumento de medição de nível. Considere a massa específica do líquido contido no reservatório igual a 1,2 kg/L e a aceleração da gravidade igual a 10 m/s2. Para uma leitura de pressão manométrica de 66 kgf/cm2, o nível, em m, corresponde a:
Provas
Uma medida de pressão manométrica de 8 bar, em um circuito pneumático ao nível do mar, corresponde, aproximadamente, a uma pressão:
Provas
Observe a figura que se segue.

O gráfico da figura mostra um sinal senoidal que aparece, comumente, nos circuitos de saída de amplificadores de potência.
O círculo pontilhado realça um efeito conhecido como distorção do tipo:
Provas
Caderno Container