Magna Concursos

Foram encontradas 119 questões.

787837 Ano: 2014
Disciplina: Engenharia Elétrica
Banca: CESPE / CEBRASPE
Orgão: TJ-SE
Enunciado 787837-1
Tendo como referência o circuito mostrado na figura acima, julgue os itens subsequentes.

Se o núcleo do indutor fosse de ar e se, em função de VS, a corrente IL fosse alternada de forma senoidal, então, ao se aproximar um ímã permanente do indutor, não surgiria entre eles nenhuma interação mecânica.
 

Provas

Questão presente nas seguintes provas
787836 Ano: 2014
Disciplina: Engenharia Elétrica
Banca: CESPE / CEBRASPE
Orgão: TJ-SE
Enunciado 787836-1
Tendo como referência o circuito mostrado na figura acima, julgue os itens subsequentes.

Se a tensão Vs for um degrau de tensão de amplitude 10 V aplicado no instante T = 0 s e se as resistências valerem R1 = 5 kΩ e R2 = R3 = 10kΩ a corrente IL(T) será dada por IL (t) = 500 μ ( 1 - e-t/τ ) A, para t ≥ 0 s , em que τ é a constante de tempo do circuito.
 

Provas

Questão presente nas seguintes provas
787835 Ano: 2014
Disciplina: Engenharia Elétrica
Banca: CESPE / CEBRASPE
Orgão: TJ-SE
Enunciado 787835-1
A figura acima ilustra o modelo simplificado de um circuito em que se procura corrigir um fator de potência deficiente de certa carga elétrica modelada pela associação de um resistor R2 e de um indutor L. Com referência a esse circuito, julgue os itens a seguir.

A partir de uma análise em regime permanente senoidal, observa-se, qualitativamente, que a relação entre VL e V se comporta como um filtro passa-faixa.
 

Provas

Questão presente nas seguintes provas
787834 Ano: 2014
Disciplina: Engenharia Elétrica
Banca: CESPE / CEBRASPE
Orgão: TJ-SE
Enunciado 787834-1
A figura acima ilustra o modelo simplificado de um circuito em que se procura corrigir um fator de potência deficiente de certa carga elétrica modelada pela associação de um resistor R2 e de um indutor L. Com referência a esse circuito, julgue os itens a seguir.

Em uma análise em regime permanente senoidal, observa-se que as tensões fasoriais correspondentes a VL e a VR2 estão em fase.
 

Provas

Questão presente nas seguintes provas
787833 Ano: 2014
Disciplina: Engenharia Elétrica
Banca: CESPE / CEBRASPE
Orgão: TJ-SE
Enunciado 787833-1
A figura acima ilustra o modelo simplificado de um circuito em que se procura corrigir um fator de potência deficiente de certa carga elétrica modelada pela associação de um resistor R2 e de um indutor L. Com referência a esse circuito, julgue os itens a seguir.

Se a fonte de tensão for descrita no tempo por uma função degrau de amplitude positiva igual a U Volts, o módulo da corrente no indutor, em regime permanente, assumirá um valor igual a Enunciado 787833-2
 

Provas

Questão presente nas seguintes provas
787832 Ano: 2014
Disciplina: Engenharia Elétrica
Banca: CESPE / CEBRASPE
Orgão: TJ-SE
Enunciado 787832-1
A figura acima ilustra o modelo simplificado de um circuito em que se procura corrigir um fator de potência deficiente de certa carga elétrica modelada pela associação de um resistor R2 e de um indutor L. Com referência a esse circuito, julgue os itens a seguir.

Se o capacitor, cuja capacitância vale C, for dado por um par de placas paralelas, tendo o ar como meio dielétrico, então a intensidade de campo elétrico entre as placas não dependerá da taxa temporal de variação de corrente no indutor.
 

Provas

Questão presente nas seguintes provas
787831 Ano: 2014
Disciplina: Engenharia Elétrica
Banca: CESPE / CEBRASPE
Orgão: TJ-SE
Enunciado 787831-1
A figura acima ilustra o modelo simplificado de um circuito em que se procura corrigir um fator de potência deficiente de certa carga elétrica modelada pela associação de um resistor R2 e de um indutor L. Com referência a esse circuito, julgue os itens a seguir.

A função de transferência desse circuito, que relaciona a tensão entre os terminais do indutor com a tensão de entrada, apresenta dois polos.
 

Provas

Questão presente nas seguintes provas
787830 Ano: 2014
Disciplina: Engenharia Elétrica
Banca: CESPE / CEBRASPE
Orgão: TJ-SE
Enunciado 787830-1
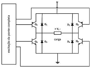
A figura acima mostra um circuito que contém uma ponte completa para implementação de conversor CC-CC, em que a carga deve ser assumida como um motor de corrente contínua. A excitação dos transistores se dá segundo um procedimento de modulação por largura de pulso (PWM). A respeito desse conversor, julgue os itens subsequentes.

Os diodos são utilizados para proteger os transistores e a fonte VCC de altas tensões induzidas devido a cargas indutivas, uma vez que oferecem caminhos alternativos para correntes que irão liberar a energia armazenada no campo magnético da carga.
 

Provas

Questão presente nas seguintes provas
787829 Ano: 2014
Disciplina: Engenharia Elétrica
Banca: CESPE / CEBRASPE
Orgão: TJ-SE
Enunciado 787829-1
A figura acima mostra um circuito que contém uma ponte completa para implementação de conversor CC-CC, em que a carga deve ser assumida como um motor de corrente contínua. A excitação dos transistores se dá segundo um procedimento de modulação por largura de pulso (PWM). A respeito desse conversor, julgue os itens subsequentes.

As excitações das bases dos transistores seguem certo sequenciamento digital ao longo do tempo. Uma possibilidade de chaveamento dos transistores seria tal que para o motor girar em certo sentido, os transistores Q1 e Q4 devem saturar, enquanto os transistores Q2 e Q3 devem permanecer cortados. Para inverter o sentido de rotação, Q2 e Q3 devem saturar, enquanto Q1 e Q4 devem permanecer cortados.
 

Provas

Questão presente nas seguintes provas
787828 Ano: 2014
Disciplina: Engenharia Elétrica
Banca: CESPE / CEBRASPE
Orgão: TJ-SE
Enunciado 787828-1
A figura acima mostra um circuito que contém uma ponte completa para implementação de conversor CC-CC, em que a carga deve ser assumida como um motor de corrente contínua. A excitação dos transistores se dá segundo um procedimento de modulação por largura de pulso (PWM). A respeito desse conversor, julgue os itens subsequentes.

Se a carga, hipoteticamente, possuísse constante de tempo única de 1 μs, então uma frequência de 20 KHz poderia, adequadamente, ser adotada para a excitação PWM da ponte.
 

Provas

Questão presente nas seguintes provas