Foram encontradas 660 questões.
Fiscalização é a atividade que deve ser realizada de modo sistemático pelo contratante e seus prepostos, com a finalidade de verificar o cumprimento das disposições contratuais, técnicas e administrativas em todos os seus aspectos. Com base nessas premissas, analise as afirmativas a seguir.
I. O contratado manterá, desde o início dos serviços até o recebimento definitivo, profissional ou equipe de fiscalização constituída de profissionais habilitados, os quais deverão ter experiência técnica necessária ao acompanhamento e controle dos serviços relacionados com o tipo de obra que está sendo executada.
II. Os fiscais poderão ser somente os servidores do órgão da Administração e nunca pessoas contratadas para esse fim.
III. A empresa contratada para execução da obra deve facilitar, por todos os meios ao seu alcance, ação da fiscalização, permitir o amplo acesso aos serviços em execução e atender prontamente às solicitações que lhe forem dirigidas.
Está correto o que se afirma apenas em
Provas
Conforme a Resolução CNJ nº 114/2010, todos os projetos de engenharia e arquitetura exigidos devem ser submetidos à aprovação junto ao Órgão Licenciador. Para isso, o engenheiro eletricista preparou um projeto elétrico do ramal de entrada subterrâneo de energia de um prédio público contendo as informações necessárias para o fornecimento em alta tensão dessa edificação para sua aprovação. Portanto, é(são) órgão(s) responsável(eis) pela aprovação do projeto no que se refere aos cálculos da demanda necessária e dimensionamentos para alimentação do prédio:
Provas
Durante as etapas de execução de uma obra pública, o responsável pela fiscalização deverá estar atento quanto aos princípios básicos de cada atividade envolvida. Conforme tais princípios e práticas adotadas em relação aos serviços de instalações elétricas e telefônicas, NÃO são recomendáveis.
Provas
A fiscalização da obra pública deverá verificar se os critérios utilizados na construção, assim como na escolha e especificações dos materiais utilizados, estão de acordo com os documentos e regulamentos da licitação, entre outros aspectos. Considerando esses critérios, normas e ações a serem adotadas, NÃO se deve aplicar:
Provas
O engenheiro durante o exercício de sua profissão deve seguir um Código de Ética. Nesse código, estão descritas as condutas, os direitos e os deveres a serem cumpridos. Sobre os deveres descritos dentro do Código de Ética do Profissional de Engenharia, analise o texto a seguir que descreve deveres nas relações com os clientes, empregadores e colaboradores. Com base nesse contexto, assinale a alternativa que completa correta e sequencialmente as afirmativas a seguir. “Atuar com ____________ e _______________ em atos arbitrais e periciais. _______________ tratamento justo a terceiro, observando o princípio da _______________.”
Provas
Durante uma visita técnica, o engenheiro eletricista executou a inspeção visual seguida das medições do Sistema de Proteção contra Descargas Atmosféricas (SPDA) de uma edificação. Sobre as atividades envolvidas nessa visita técnica, analise as afirmativas a seguir.
I. Para verificação da resistência de aterramento foi utilizado um megômetro nas caixas de inspeção das hastes de terra localizadas no pavimento térreo.
II. Foi observada na cobertura a inexistência de um mastro com captor tipo Franklin; porém, foi verificada a presença de barras chatas de alumínio contornando o perímetro do prédio com minicaptores fixados por cima, também conhecidos como terminais aéreos galvanizados, ao longo dessas barras e conectados com diversos pontos de descidas, o que caracterizou o tipo do SPDA como a gaiola de Faraday.
III. Para auxiliar a vistoria, foi analisado o projeto original do SPDA, no qual se destacam detalhes de peças utilizadas na construção do sistema, sendo uma delas, barras redondas de aço galvanizadas a fogo, para uso interno (embutido), além da ausência de descidas externas de cordoalha e isoladores nas laterais do prédio entre a cobertura e o térreo, caracterizando assim um sistema estrutural de SPDA.
Está correto o que se afirma apenas em
Provas
Um imóvel foi adquirido recentemente e foi constatado que não existe proteção adequada para descargas atmosféricas. Dessa forma, o engenheiro foi convocado para realizar um projeto desse imóvel, o qual deve ser baseado em critérios básicos para proteção de suas estruturas, cujas propriedades e conceitos estão definidos na norma. Com base nesses conhecimentos, analise as afirmativas a seguir.
I. O ponto de impacto é considerado como uma descarga elétrica de origem atmosférica entre uma nuvem e a terra.
II. O Sistema de Proteção contra Descargas Atmosféricas (SPDA) é composto por um sistema externo e um sistema interno de proteção.
III. O SPDA deve abranger um volume que envolve uma estrutura a ser protegida, ou de uma região que requer proteção contra os efeitos das descargas atmosféricas.
IV. A descarga atmosférica é considerada como o ponto onde uma descarga atmosférica atinge a terra, ou uma estrutura, como, por exemplo, um ponto elevado, ou o próprio SPDA.
Está correto o que se afirma apenas em
Provas
O projeto de uma edificação possui planta baixa de formato retangular, cujas dimensões estão em metros mostradas na figura a seguir, onde o valor final de 9 metros, referente ao distanciamento do prédio, do plano da estrutura prolongada em todas as direções, foi dimensionado pela equipe técnica responsável, com base na recomendação da norma, resultando na área de exposição equivalente em metros quadrados:

Com base nessas informações, assinale o valor correto da área de exposição equivalente em m2, desprezando os valores após a vírgula.
Provas
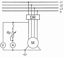
Durante uma vistoria de rotina em determinada instalação elétrica de um motor trifásico protegido com dispositivos diferencial-residual, o profissional utilizou um método recomendado nas normas para a verificação da atuação desses dispositivos, conforme o diagrama da figura a seguir:

Analise as afirmativas a seguir.
I. A corrente diferencial-residual IΔ é diminuída, reduzindo-se o valor de RP.
II. Uma resistência variável RP deve ser conectada, a jusante do dispositivo DR, entre um condutor vivo e massa.
III. O disparo do DR deve ocorrer para uma corrente IΔ maior que a corrente diferencial-residual nominal de atuação IΔn.
Está correto o que se afirma apenas em
Provas
As instalações elétricas, conforme suas aplicações, podem ser alimentadas tanto em corrente alternada quanto em contínua; para isso, a Norma Regulamentadora nº 10 estabelece critérios durante as intervenções. Com base nesses critérios, em relação aos níveis de tensões permitidos somente aos trabalhadores qualificados, analise as afirmativas a seguir.
I. Inferior a 120 Volts em corrente contínua.
II. Superior a 120 Volts em corrente contínua.
III. Igual ou superior a 50 Volts em corrente alternada.
IV. Igual ou superior a 220 Volts em corrente alternada.
Está correto o que se afirma apenas em
Provas
Caderno Container