Foram encontradas 583 questões.
Para a realização do controle tecnológico do concreto e de seus materiais constituintes, é necessária a qualificação do pessoal, evitando riscos, como recebimento, na obra, de materiais com qualidade duvidosa, com os consequentes riscos para a execução do empreendimento, assim como resultados de ensaios que não comprovem a qualidade dos materiais. Acerca da qualificação de pessoal para esse tipo de serviço, é correto afirmar que
Provas

A investigação do subsolo é essencial para que parâmetros necessários à produção do projeto geotécnico sejam obtidos. Com base no boletim de sondagem apresentado acima, assinale a alternativa correta.
Provas
O estudo da pressão dos fluidos permitiu que fossem criados os sistemas hidráulicos. Em termos de coluna de mercúrio, a altura representativa para que seja gerada uma pressão de 600 kN/m² em um sistema será igual a
Provas

Por meio de prospecção geotécnica e de outros ensaios, determinou-se a estratigrafia de um perfil de solo e seus parâmetros conforme ilustrado na figura acima.
Com base nesse caso hipotético, assinale a alternativa que apresenta o valor da tensão efetiva vertical atuante a uma profundidade de 13 m, dado que o nível de água esteja a 3 m da superfície.
Provas

CLASSIFICAÇÃO GERAL | MATERIAIS GRANULARES (35% OU MENOS PASSANDO NA PENEIRA Nº. 200) | MATERIAIS SILTO-ARGILOSOS (MAIS DE 35% PASSANDO NA PENEIRA Nº. 200) | |||||||||
Classificação em Grupos | A - 1 | A - 3 | A - 2 | A - 4 | A - 5 | A - 6 | A - 7 A - 7 - 5 A - 7 - 6 | ||||
A -1 - a | A -1 - b | A - 2 - 4 | A - 2 - 5 | A - 2 - 6 | A - 2 - 7 | ||||||
Granulometria: % passando na peneira: Nº. 10 (2,0 mm.) Nº. 40 (0,42 mm.) Nº. 200 (0,074 mm.) | 50 máx. 30 máx. 15 máx. | 30 máx. 25 máx. | 51 min. 10 máx. | 35 máx. | 35 máx. | 35 máx. | 35 máx. | 36 min. | 36 min. | 36 min. | 36 min. |
Característica da fração passando na peneira no. 40: Limite de Liquidez (%) Ìndice de Plasticidade (%) | 6 máx. | 6 máx. | NP | 40 máx. 10 máx. | 41 min. 10 máx. | 40 máx. 11 min. | 41 min. 11 min. | 40 máx. 10 máx. | 41 min. 10 máx. | 40 máx. 11 min. | 41 min. 11 min. |
Índice de Grupo (IG) | 0 | 0 | 0 | 0 | 0 | 4 máx. | 4 máx. | 8 máx. | 12 máx. | 16 máx. | 20 máx. |
Materiais constituintes | Fragmentos de pedra, pedregulho fino e areia | Areia fina | Pedregulhos ou areia siltosas ou argilosas | Solos siltosos | Solos argilosos | ||||||
Comportamento como subleito | Excelente a bom | Sofrível a mau | |||||||||
A classificação dos solos torna-se necessária quando o solo é utilizado como material de suporte para as construções. A classificação utilizada pelas normas atuais para o dimensionamento de pavimentos é a HRB (Highway Research Board). Considerando essas informações, a classificação do solo cujos dados se encontram na figura acima será
Provas

Uma obra tem uma escavação que gerou um talude vertical de 4 m, conforme a figura acima.
Nessa situação hipotética, o empuxo ativo atuante nesse talude, dado que o solo se encontre saturado, com peso específico γ igual a 18 kN/m³ e coeficiente de empuxo ativo (Ka) igual a 0,49, equivalerá a
Provas
O custo direto, acrescido do BDI, forma o preço de venda de uma obra. Considerando essa informação, assinale a alternativa que apresenta tributo que não está inserido no BDI.
Provas
Uma obra possui a seguinte composição orçamentária:
- custo direto (CD): R$ 350.000,00;
- custo indireto (CI): R$ 30.000,00;
- custos acessórios (CA):
a) administração central: 2% sobre CD mais CI; e
b) custo financeiro: 2% sobre CD mais CI;
- tributos: 6%; e
- lucro: 10% sobre o valor do contrato.
Considerando essa situação hipotética, assinale a alternativa que apresenta o valor do BDI (benefício e despesas indiretas) da obra.
Provas
Antes da elaboração de um projeto de grande magnitude, há a necessidade de se realizar estudos de viabilidade técnico-econômica. Pelas características das ações, seus impactos afetam de forma significativa os meios físicos, biológicos e antrópicos. Com relação a esse assunto, é correto afirmar que
Provas
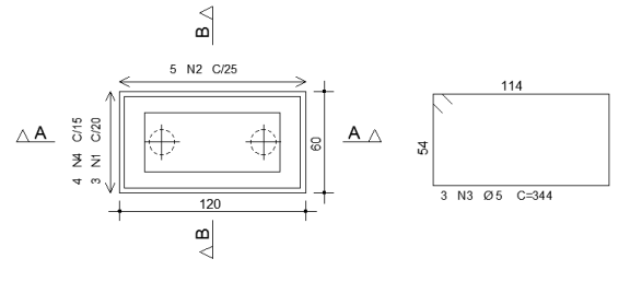
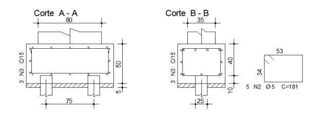
Figura para as questões 23 e 24.



Com base na figura, considerando que o lastro de concreto abaixo do bloco dispense o uso de formas na base e que as formas não sejam reaproveitadas, assinale a alternativa que apresenta o total de formas a serem utilizadas na concretagem dos blocos da obra.
Provas
Caderno Container