Foram encontradas 583 questões.
Um dos papéis do perito é identificar patologias nas estruturas de concreto. Para isso, é necessário ter conhecimento básico a respeito de fissuras, que correspondem a um dos sintomas mais comuns. Acerca da fissuração do concreto, assinale a alternativa correta.
Provas
As coberturas mais comuns em construções térreas residenciais são aquelas com a estrutura de madeira. No que diz respeito a esse assunto, assinale a alternativa correta.
Provas
As rochas são estudadas por várias áreas da engenharia civil. Uma delas é a construção civil, que a utiliza como agregado para o concreto. Os agregados constituem cerca de 70% do concreto. Com relação a eles, é correto afirmar que o(a)
Provas
Os materiais betuminosos têm grande aplicabilidade na engenharia, com o uso, por exemplo, em pavimentação rodoviária. A respeito das características básicas desses materiais, é correto afirmar que
Provas
Entre os processos para tratamento de resíduos sólidos domésticos, o que tem sido visto como a melhor opção, sob a ótica das políticas modernas, é o aterro sanitário. A escolha do local de implantação de um aterro sanitário deve basear-se em diversos fatores. Assinale a alternativa que apresenta um fator altamente recomendado para a escolha do local de implantação de um aterro sanitário municipal.
Provas
As taxas ou tarifas decorrentes da prestação de serviço público de limpeza urbana e manejo de resíduos sólidos urbanos devem levar em conta a adequada destinação dos resíduos coletados e poderão considerar
Provas
unidade de tratamento biológico na qual se desenvolva processo unitário com adição de ar, dotada de meio de suporte estruturado ou randômico e de decantador secundário para remoção de sólidos em suspensão de seu efluente, dá-se o nome de
Provas
Todo projetista deve ter um conhecimento básico a respeito das normas de instalações prediais. Em se tratando de sistemas prediais de esgoto sanitário, assinale a alternativa que apresenta, correta e respectivamente, os diâmetros nominais mínimos (em milímetros) e o número de unidades de Hunter de contribuição do ramal de descarga.
Provas

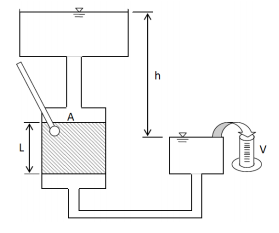
Área da amostra de solo (A) = 400 cm²;
Volume percolado (V) = 100 cm³;
Tempo observado (t) = 20 s;
Altura da amostra de solo (L) = 40 cm; e
Carga hidráulica sobre a amostra (h) = 20 cm.
No cálculo de vazões, o estudo da percolação da água no solo é imprescindível. Para isso, é necessária a determinação do coeficiente de permeabilidade do solo. A figura acima apresenta dados de um solo, obtidos por meio de um ensaio de carga constante. A partir desses dados e da figura, é correto afirmar que o coeficiente de permeabilidade do solo analisado seja igual a
Provas
O entendimento do ciclo hidrológico é necessário para a realização do projeto de sistemas de drenagens superficiais e subsuperficiais e para outros tipos de intervenções. Para o dimensionamento, utilizam-se elementos do estudo da hidrologia. Considere-se uma faixa de área em que o volume de água leve um tempo entre ti e t+i-1 para chegar ao exutório e os tempos ti identifiquem linhas de mesmo período de deslocamento até a saída. Essas linhas são chamadas de
Provas
Caderno Container