Foram encontradas 1.018 questões.
2247242
Ano: 2015
Disciplina: TI - Desenvolvimento de Sistemas
Banca: CESPE / CEBRASPE
Orgão: TELEBRAS
Disciplina: TI - Desenvolvimento de Sistemas
Banca: CESPE / CEBRASPE
Orgão: TELEBRAS
Julgue o item subsequente, referente à programação orientada a objetos.
A herança permite a extensão de uma classe existente, mas requer a repetição ou a reescrita do código original.
Provas
Questão presente nas seguintes provas
No que se refere a fundamentos de computação, julgue o próximo item.
Em um sistema operacional, um processo pode assumir dois estados: em execução ou pronto para executar.
Provas
Questão presente nas seguintes provas
Julgue o item seguinte, acerca dos sistemas e das unidades de medidas.
Watt (W) e Coulomb por metro quadrado (C/m2) são exemplos de unidades derivadas do sistema internacional de unidades.
Provas
Questão presente nas seguintes provas
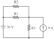
Considere o circuito mostrado na figura a seguir.

Com relação a este circuito elétrico, julgue o item que se segue.
Se R1 = 24 Ω , R2 = 24 Ω e R3 = 6 Ω , então a corrente que flui pelo resistor R3 é igual a 9 A.
Provas
Questão presente nas seguintes provas
Julgue o item a seguir, relativo a materiais elétricos e eletrônicos.
O arranjo cristalino dos materiais condutores faz que a resistência elétrica desses condutores diminua com o aumento da temperatura ambiente.
Provas
Questão presente nas seguintes provas
Julgue o item a seguir, relativo a materiais elétricos e eletrônicos.
Em condutores sólidos, a corrente elétrica surge devido ao movimento de íons carregados, movimento este denominado condução eletrônica.
Provas
Questão presente nas seguintes provas
Solicitou-se a um engenheiro civil e a outros profissionais da equipe técnica a elaboração de um projeto completo em duas dimensões, no AutoCAD 2015. O programa disponível à equipe estava em língua inglesa e não havia sido utilizado por outro usuário anteriormente.
Tendo como referência essa situação, julgue o item seguinte a respeito das funcionalidades do AutoCAD 2015.
Para inserir uma cota linear na planta baixa desenhada, é correto digitar dimlinear na linha de comando; ou digitar na linha de comando o atalho padrão dli; ou, ainda, clicar o botão
, disponível em duas abas existentes na faixa superior do programa.
, disponível em duas abas existentes na faixa superior do programa.Provas
Questão presente nas seguintes provas

A tabela I apresenta a ficha de composição de preço do serviço de reboco em parede apresentado no orçamento de referência durante a licitação de uma obra. A tabela II mostra a composição de preço do mesmo serviço da empresa licitante vencedora.
Com base na legislação vigente, julgue o item subsequente a respeito das composições de preços apresentadas.
Se a licitante mantivesse, em sua composição, os mesmos coeficientes da equipe de referência, o preço do serviço seria superior ao de referência.
Provas
Questão presente nas seguintes provas

A tabela I apresenta a ficha de composição de preço do serviço de reboco em parede apresentado no orçamento de referência durante a licitação de uma obra. A tabela II mostra a composição de preço do mesmo serviço da empresa licitante vencedora.
Com base na legislação vigente, julgue o item subsequente a respeito das composições de preços apresentadas.
De acordo com as composições apresentadas, pode-se concluir que a equipe de reboco da licitante apresenta produtividade maior que a equipe da composição de referência.
Provas
Questão presente nas seguintes provas

A tabela I apresenta a ficha de composição de preço do serviço de reboco em parede apresentado no orçamento de referência durante a licitação de uma obra. A tabela II mostra a composição de preço do mesmo serviço da empresa licitante vencedora.
Com base na legislação vigente, julgue o item subsequente a respeito das composições de preços apresentadas.
A diferença entre os coeficientes de argamassa na composição de referência e na composição da licitante significa, necessariamente, erro de orçamento.
Provas
Questão presente nas seguintes provas
Cadernos
Caderno Container