Foram encontradas 371 questões.
Assinale a alternativa verdadeira:
Provas
Assinale a alternativa verdadeira:
Provas
Assinale a alternativa correta:
Provas
Com relação ao controle de obras, uma das alternativas abaixo é verdadeira. Assinale-a:
Provas
Assinale a alternativa verdadeira:
Provas
Na figura abaixo, está representado o croqui de um levantamento topográfico regular por caminhamento de uma poligonal fechada e o nivelamento geométrico dos vértices. O nível foi instalado no ponto A, donde foram visados o RN de cota 10000 e os pontos 0 , 1 , 2. Depois, o nível foi transferido para o ponto B, donde foram visados os pontos A , 3 , 4. As leituras estão entre os parênteses. Pede-se para calcular o erro angular de fechamento, a altura do aparelho no ponto B, as cotas dos pontos 1 e 3, e marcar a alternativa que apresenta, respectivamente, estes valores.

Provas
Assinale a alternativa verdadeira:
Provas
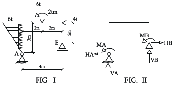
Abaixo, temos uma figura I, representando uma estrutura plana carregada, onde A é um apoio de 2° gênero, B é um apoio de 1° gênero.
Uma figura II representa a mesma estrutura, com as reações de apoio.

Em qual das alternativas abaixo os valores correspondem às reações, na seguinte ordem: HA ; VA ; MA ; HB ; VB ; MB?
Provas
Em um levantamento topográfico planimétrico, o primeiro alinhamento –AB - coincide com a direção do meridiano magnético. No ponto B, foi feita uma deflexão para direita de 50° 40' 15", para obter o alinhamento – BC. No ponto C, foi feita nova deflexão para direita de 60° 20' 50", para obter o alinhamento CD.
Em qual das alternativas abaixo, os ângulos correspondem, respectivamente, ao azimute e rumo magnéticos do alinhamento CD?
Provas
Assinale a alternativa verdadeira:
Provas
Caderno Container