Foram encontradas 371 questões.
Uma instalação elétrica em BT é protegida pelo dispositivo diferencial residual (DRs) de 30 mA. Neste caso, as correntes de fugas naturais pela isolação do circuito não podem ultrapassar o valor de:
Provas
Uma pequena indústria tem uma potência instalada de 20 kW. Seu perfil de consumo diário é expresso pelo gráfico apresentado abaixo.

Assinale a alternativa que indica respectivamente os valores do fator de demanda e a demanda média em kW da indústria.
Provas
Numa subestação de uma empresa de energia elétrica, um TC e um TP devem operar sem carga nos seus terminais secundários. Assinale a alternativa que indica como devem ser conectados os respectivos terminais secundários dos equipamentos mencionados.
Provas
Um transformador monofásico de dois enrolamentos de 150 kVA, 13.800V/380V, é conectado como um autotransformador para elevar a tensão em uma carga elétrica a partir de uma linha de distribuição de 13,8 kV. Assinale a alternativa que indica corretamente a especificação da placa do autotransformador em relação a sua potência aparente e tensões nominais.
Provas
Considere um projeto elétrico de uma instalação em BT. O melhor sistema elétrico da instalação com respeito à simetria, à segurança, à equipotencialidade das carcaças dos equipamentos, e atuação da proteção independente da resistência do aterramento elétrico é o denominado por:
Provas
Assinale a alternativa que dá o valor da resistência R em ohm do circuito abaixo, para que a potência dissipada na resistência de 4 ohm seja máxima.

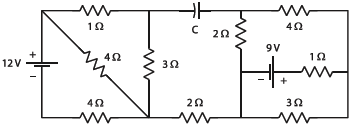
Provas
Assinale o valor do módulo da tensão em volts submetida no capacitor do circuito apresentado.

Provas
O gerador síncrono opera com freqüência variável, mantendo sempre nos seus terminais a tensão apresentada no circuito abaixo. Assinale o valor da freqüência em Hz que o gerador síncrono deva operar para que a potência dissipada na resistência de 40 ohm seja de 1000W.

Provas
Numa instalação elétrica, o aterramento é dito funcional quando:
Provas
Assinale a alternativa que indica o fator de potência da resistência de 4 ohm que está especialmente instalada de acordo com a topologia do circuito abaixo.

Provas
Caderno Container