Foram encontradas 1.318 questões.
No âmbito do sistema CONFEA/CREA, julgue o item abaixo,
acerca dos procedimentos peculiares à anotação de
responsabilidade técnica (ART).
A ART, importante instrumento de registro dos deveres e dos direitos do profissional e do contratante, pode ser adotada, simultaneamente, como certificado de autoria e de registro de autoria.
A ART, importante instrumento de registro dos deveres e dos direitos do profissional e do contratante, pode ser adotada, simultaneamente, como certificado de autoria e de registro de autoria.
Provas
Questão presente nas seguintes provas

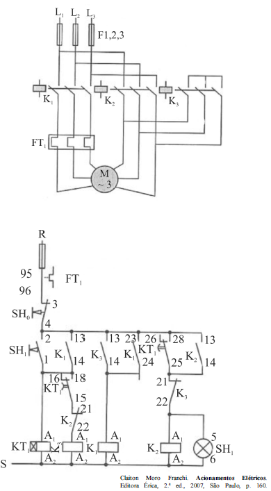
As figuras apresentadas ilustram diagramas de força e de comando
para a ligação de um motor de indução trifásico a uma rede elétrica.
Com base nessas figuras, julgue o item que se segue considerando que a partida do motor ocorra por meio da conexão
de chave estrela-triângulo.
Provas
Questão presente nas seguintes provas
Considerando que uma empresa realize suas atividades em um
estabelecimento cuja carga elétrica demandada seja igual a 150 kW
de potência ativa, julgue o item subsecutivo, a respeito das
obrigações da empresa em questão no que se refere à segurança em
eletricidade nas suas instalações.
A empresa em questão deve constituir e manter prontuário da instalação elétrica, no qual deverá constar, entre outros itens, a documentação comprobatória da qualificação, da habilitação, da capacitação dos trabalhadores e dos seus treinamentos realizados.
A empresa em questão deve constituir e manter prontuário da instalação elétrica, no qual deverá constar, entre outros itens, a documentação comprobatória da qualificação, da habilitação, da capacitação dos trabalhadores e dos seus treinamentos realizados.
Provas
Questão presente nas seguintes provas

Considerando o circuito elétrico apresentado e seu equivalente de Thévenin com relação aos terminais 1 e 2, julgue o item que se seguem.
A resistência de Thévenin desse circuito é superior a 30 Ω.
Provas
Questão presente nas seguintes provas
Durante a fase de planejamento da reforma de um edifício
comercial, foi elaborada a tabela seguinte com objetivo de
sequenciar as atividades por meio de uma rede PERT/CPM. Todas
as relações de dependências das atividades são do tipo
término-início e a duração das atividades está expressa em semanas.
atividade antecessor duração
A – 5
B A 2
C A 3
D B 7
E C 4
F D 1
G E, F 2
Com relação às informações apresentadas, julgue o próximo item. atividade antecessor duração
A – 5
B A 2
C A 3
D B 7
E C 4
F D 1
G E, F 2
A duração total da obra, que corresponde à soma da duração das atividades, é igual a 24 semanas.
Provas
Questão presente nas seguintes provas
Para o combate a um incêndio, a escolha do produto com o qual se deseja apagá-lo, o tipo de instalação e o modo de executá-lo dependem da natureza do material cujo incêndio se cogita debelar. A partir dessa afirmação, julgue o item subsecutivo.
Pó químico seco pode ser empregado no combate a incêndios em indústrias, refinarias, fábricas de produtos químicos, e aeroportos.
Pó químico seco pode ser empregado no combate a incêndios em indústrias, refinarias, fábricas de produtos químicos, e aeroportos.
Provas
Questão presente nas seguintes provas

Ao receber o projeto de estrutura de concreto armado do calculista, o gerente de uma obra de grande porte da área automobilística designou um engenheiro para analisá-lo e, em seguida, encaminhá-lo à central responsável pelos cortes e pelas dobras de aço. Ao analisar a armação da viga ilustrada na figura apresentada, o engenheiro fez algumas críticas técnicas e tirou algumas conclusões.
Conforme foram projetadas, as barras de aço da posição 3, identificadas como cavaletes, servem para combater os efeitos das tensões de cisalhamento.
Provas
Questão presente nas seguintes provas

O concreto protendido é uma tecnologia bastante conhecida e utilizada no mundo. Obras como a ponte Rio-Niterói, com grandes vãos entre pilares, certamente não seriam executadas sem o recurso desse tipo de concreto. Um dos objetivos da protensão é aumentar a capacidade de carga de vigas e lajes, propiciando peças com maior comprimento ou maior vão livre do que aquelas executadas somente com armadura frouxa. As figuras apresentadas ilustram o uso de protensão em algumas obras.
Nessas figuras, são mostradas execuções de peças em concreto protendido: na figura I, com aderência posterior; na figura II, com sistema sem aderência.
Provas
Questão presente nas seguintes provas
Durante a fase de planejamento da reforma de um edifício
comercial, foi elaborada a tabela seguinte com objetivo de
sequenciar as atividades por meio de uma rede PERT/CPM. Todas
as relações de dependências das atividades são do tipo
término-início e a duração das atividades está expressa em semanas.
atividade antecessor duração
A – 5
B A 2
C A 3
D B 7
E C 4
F D 1
G E, F 2
Com relação às informações apresentadas, julgue o próximo item. atividade antecessor duração
A – 5
B A 2
C A 3
D B 7
E C 4
F D 1
G E, F 2
Se a atividade C se atrasar em duas semanas, a data de conclusão da reforma não será alterada.
Provas
Questão presente nas seguintes provas

A = limite de elasticidade
A' = limite de escoamento
B = limite de resistência
C = limite de ruptura
Após o recebimento de uma carga de aço para a obra de ampliação do aeroporto de Brasília, foram retiradas amostras para serem ensaiadas, tendo-se como base as normas técnicas vigentes. Para subsidiar os resultados e justificá-los, o laboratório, junto com os resultados dos ensaios de resistência à tração, dobramento e massa linear, anexou o gráfico padrão tensão x deformação apresentado.
A Lei de Hooke só é válida até um determinado valor de tensão, representado no gráfico pelo ponto B, ou limite de resistência à tração.
Provas
Questão presente nas seguintes provas
Cadernos
Caderno Container