Foram encontradas 1.318 questões.

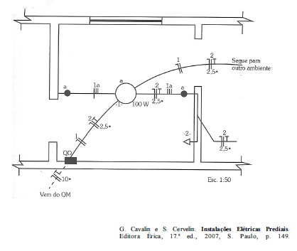
Considerando a figura apresentada, que ilustra parte da planta baixa de uma instalação elétrica predial em baixa tensão, julgue o próximo item.
Provas
Os transformadores de corrente (TC), cujo enrolamento secundário alimenta instrumentos de medição, proteção ou controle, são classificados de acordo com sua construção mecânica. O TC do tipo janela, por exemplo, não possui enrolamento primário próprio.
Provas

Tendo como referência o circuito de duas portas (quadripolo) ilustrado na figura, bem como as equações apresentadas, que relacionam as tensões de terminal com as correntes de terminal do circuito, julgue o item subsecutivo.
Os termos z21 e z12 são chamados de impedância de transferência.
Provas
Caso os enrolamentos de um gerador trifásico sejam interligados conforme mostrado na figura a seguir, a corrente de linha do gerador será igual à corrente de fase.

Provas

Provas
Em relação à representação de sistemas “por unidade” (pu), julgue
o item subsecutivo.
Se a reatância de um equipamento elétrico de 50 MVA e 8 kV
for igual a 5% e os valores de base onde esse equipamento
estiver ligado forem 100 MVA e 10 kV, então a reatância nas
bases da rede será igual a 0,08 pu.
Provas

Essas três figuras mostram as componentes normal e tangencial dos campos elétricos e magnéticos estáticos em dois meios dielétricos diferentes, identificados como meio 1 e meio 2. A partir dessas figuras e considerando D = ε*E, julgue o próximo item.
Provas
Se o campo elétrico de uma onda plana uniforme é caracterizada pela equação E(z,t) = E0cos(ωt - βz)ax, então a onda se propaga na direção x.
Provas

Com referência ao circuito ilustrado, julgue o item seguinte, acerca do princípio da superposição.
A corrente que flui pelo resistor de 3Ω é menor que 5 A.
Provas

Considerando o circuito elétrico apresentado e seu equivalente de Thévenin com relação aos terminais 1 e 2, julgue o item que se seguem.
A corrente que flui pelo resistor de 30 Ω tem o mesmo valor da corrente da fonte de 2 A.
Provas
Caderno Container