Foram encontradas 50 questões.
Computação em Nuvem (do inglês cloud computing) é um conceito que faz referência a uma tecnologia que permite armazenamento de dados e acessos a programas, arquivos e serviços por meio da internet. Considerando o tema, analise as assertivas e assinale a alternativa correta quanto às vantagens da tecnologia de Computação em Nuvem.
I. O armazenamento de dados é feito em serviços que poderão ser disponibilizados a partir de qualquer lugar do mundo, a qualquer hora, não havendo necessidade de instalação de programas ou de armazenar dados.
II. O armazenamento de dados é feito em serviços online, em uma rede. Dessa maneira, para realizar determinada tarefa, bastaria conectar ao serviço, desfrutar de suas ferramentas, salvar o trabalho e depois acessá-lo de qualquer outro lugar.
III. Uma das desvantagens proporcionadas pela computação em nuvem está no fato de não precisar de computadores muito potentes, já que a maioria das tarefas são executadas em servidores remotos.
IV. Com a computação em nuvem, os dados não estão salvos em um disco rígido do computador, mas sim disponíveis na web. O requisito mínimo deste conceito é um computador conectado à internet.
Provas
Considerando o Windows 10, em português e em sua configuração padrão, analise as assertivas e assinale a alternativa correta sobre as ferramentas, funcionalidades e facilidades do Windows.
I. Uma biblioteca é um recurso no qual é possível incluir pastas de diversos locais, e assim os arquivos podem ser vistos em um único local, facilitando a organização de arquivos. Uma das formas de incluir na biblioteca é disponibilizado no menu do Explorador de Arquivos do Windows, no qual deverá clicar com o botão direito na pasta marcada e escolher a opção “Incluir na Biblioteca”.
II. Quando desejar interromper momentaneamente o uso do computador e retomar o trabalho do mesmo ponto onde parou, poderá usar a opção “Suspender” do Windows. Essa opção manterá os programas abertos e passará a funcionar em um baixo estado de energia, sem que o conteúdo da memória RAM seja apagado.
III. Apesar de não ser possível abrir um arquivo que esteja na lixeira, é perfeitamente permitido que o mesmo seja excluído ou transferido para outra pasta que seja comum. Para fazer a transferência basta clicar com o botão direito do mouse no ícone do arquivo a ser recuperado e escolher a opção “Restaurar”.
IV. No Windows 10, o tamanho máximo de um nome de arquivo é de 252 caracteres, considerando o caminho completo (diretório, subdiretório e nome).
Provas
Considerando o MS-Excel 2016, em português e em sua configuração padrão, assinale a alternativa que representa corretamente a fórmula que atualizou o resultado da célula F3, da planilha abaixo.

Provas
A guia “Arquivo” do MS-Word 2016, em português e em sua configuração padrão, dá acesso a uma opção chamada “Informações” em que encontram-se várias outras opções, entre elas, a de “Proteger Documento”, que tem como função principal controlar que tipo de mudanças os usuários podem fazer no documento. Assinale a alternativa que não representa uma das possibilidades de proteção existentes no menu de opções “Proteger Documento”.
Provas
A Ferramenta de Captura do Windows 10 permite que seja selecionada uma parte da área de trabalho do Windows, em qualquer aplicativo que esteja ativo ou mesmo em uma mensagem que esteja em seu computador. Considerando essa ferramenta, analise as assertivas e assinale a alternativa correta sobre suas opções de uso.
I. Captura de Janela - nesta opção basta clicar na janela ou aplicativo que se deseja copiar. Esta opção é válida em casos no qual se deseja uma imagem integral de uma tela ativa e de todos os aplicativos que estão em execução como, por exemplo, uma página de Internet e uma planilha do Excel.
II. Recorte de Formato Livre – esta opção irá habilitar a captura de tela permitindo que se faça um formato livre da imagem. Esta opção é válida para imagens que não estejam em formato retangular e que precise selecionar apenas uma parte específica, por exemplo.
III. Captura Retangular – opção padrão da ferramenta. Através dela pode-se “desenhar” um formato retangular para copiar a imagem desejada.
Provas
A Transformada de Laplace é uma ferramenta matemática que trabalha com variáveis na frequência. Considere o circuito RLC abaixo e assinale a alternativa que apresenta a função de transferência correta do circuito RLC apresentado.

Provas
Um circuito é composto por diversos elementos, dentre eles os resistores. A resistência de um resistor é apresentada por faixas de cores em seu corpo. Considere um resistor com as faixas e na seguinte ordem de cores: Verde, Azul, Laranja e Dourado. Assinale a alternativa que apresenta o valor correto da sua resistência, de acordo com as cores em seu corpo.
Provas
O software BIM permite a integração entre projetos e é considerado o futuro nas aplicações de projetos. Diante disso, assinale a alternativa que apresenta o correto significado da sigla BIM em português.
Provas
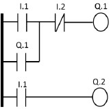
A linguagem ladder foi desenvolvida para os CLPs e é similar aos diagramas de lógica por relês. No diagrama ladder abaixo há duas lâmpadas Q.1 e Q.2 acionadas por botoeiras sem retenção. Ao acionar a botoeira I.1 aplicando um pulso, o que acontece com as lâmpadas depois de soltar a botoeira I.1? Assinale a alternativa que apresenta o que acontece com as lâmpadas.

Provas
Uma carga absorve de uma tensão senoidal RMS de 120 V, possui uma potência de 6 kVA e com fator de potência igual à 0,8 (atrasado). Considere cos (36,87º) = 0,8 e sen (36,87º) = 0,6. Assinale a alternativa que apresenta a corrente de pico na carga.
Provas
Caderno Container