Foram encontradas 1.310 questões.

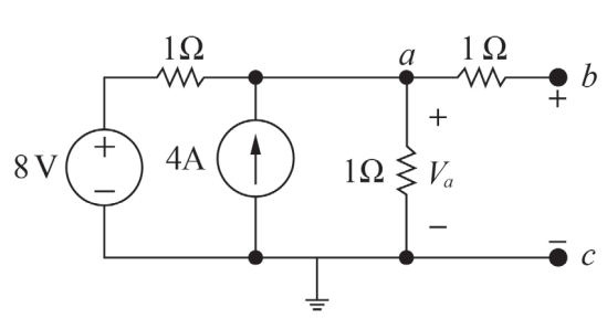
Considerando que, no circuito precedente, todos os elementos sejam ideais e c seja o nó de referência, com tensão igual a zero, julgue o item a seguir.
Se conectado um fio com resistência zero entre os terminais b e c, a corrente que passará pelos nós a, b e c terá módulo igual ao módulo da tensão Va.
Provas

Considerando que, no circuito precedente, todos os elementos sejam ideais e c seja o nó de referência, com tensão igual a zero, julgue o item a seguir.
A tensão de Thévenin vista a partir dos terminais b-c é igual a Va.
Provas
Julgue o item a seguir, a respeito dos pacotes computacionais de sistema de informações geográficas (SIG), que permitem diferentes tipos de armazenamento, interpolação e visualização de dados espaciais e tabulares.
A triangulação de Delaunay baseia-se em critérios de distância e direção para efetuar interpolação de dados espaciais.
Provas
Disciplina: Engenharia de Agrimensura
Banca: CESPE / CEBRASPE
Orgão: SLU-DF
Com relação aos programas computacionais de sistema de informações geográficas (SIG), julgue o próximo item.
Polígonos e atributos são conceitos de SIG envolvidos, por exemplo, na identificação de aterros sanitários com áreas superiores a 10 hectares.
Provas
Julgue o item a seguir, a respeito dos pacotes computacionais de sistema de informações geográficas (SIG), que permitem diferentes tipos de armazenamento, interpolação e visualização de dados espaciais e tabulares.
A operação denominada álgebra de mapas permite corrigir erros de armazenamento de dados, como duplicidade de linhas, polígonos sem fechamento e sobreposição de bordas de dois polígonos adjacentes.
Provas
Julgue o item a seguir, referente a sensores imageadores e seus modos de imageamento.
TM (thematic mapper), ETM+ (enhanced thematic mapper plus) e OLI (operational land imager) são sensores componentes de satélites da série Landsat.
Provas
Disciplina: Engenharia de Agrimensura
Banca: CESPE / CEBRASPE
Orgão: SLU-DF
Com relação aos programas computacionais de sistema de informações geográficas (SIG), julgue o próximo item.
Operações de álgebra de mapas são realizadas mais facilmente com os dados em formato matricial que com dados em vetor.
Provas
Julgue o item a seguir, a respeito dos pacotes computacionais de sistema de informações geográficas (SIG), que permitem diferentes tipos de armazenamento, interpolação e visualização de dados espaciais e tabulares.
Diferentes camadas (layers) ou planos de informações podem ser visualizadas conjuntamente em um pacote computacional de SIG, mesmo que não apresentem a mesma estrutura de armazenamento de dados.
Provas
Com referência a essa situação, julgue o item subsequente, de acordo com as Resoluções CONAMA n.º 1/1986 e n.º 237/1997.
Dadas as peculiaridades do projeto e as características da área onde será construído o aterro sanitário, caberá ao órgão competente que determinar a execução do estudo de impacto ambiental fornecer instruções adicionais que se fizerem necessárias à execução do referido estudo.
Provas
Com referência a essa situação, julgue o item subsequente, de acordo com as Resoluções CONAMA n.º 1/1986 e n.º 237/1997.
Uma vez que a obra é de interesse coletivo, as despesas com a contratação de profissionais para realização dos estudos de impacto ambiental deverão ficar a cargo do órgão licenciador federal.
Provas
Caderno Container