Foram encontradas 1.310 questões.

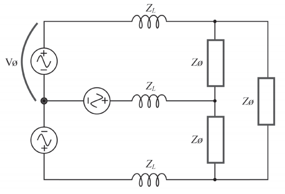
A figura precedente ilustra o esquema elétrico de um gerador trifásico ideal e equilibrado, de tensão de fase V⌀ = 240 V, ligado em estrela, que está conectado por meio de uma linha de transmissão trifásica a uma carga simétrica conectada em triângulo (delta). A impedância intrínseca da linha de transmissão é ZL = j20√2 Ω por fase, e a impedância da carga é Z⌀ = (30√2 − j30√2) Ω entre cada fase.
A partir da figura apresentada e das informações a ela referentes, julgue o item a seguir.
A potência reativa armazenada na linha de transmissão é o dobro da potência reativa armazenada na carga.
Provas

A figura precedente ilustra o esquema elétrico de um gerador trifásico ideal e equilibrado, de tensão de fase V⌀ = 240 V, ligado em estrela, que está conectado por meio de uma linha de transmissão trifásica a uma carga simétrica conectada em triângulo (delta). A impedância intrínseca da linha de transmissão é ZL = j20√2 Ω por fase, e a impedância da carga é Z⌀ = (30√2 − j30√2) Ω entre cada fase.
A partir da figura apresentada e das informações a ela referentes, julgue o item a seguir.
A potência real dissipada pela carga é superior a 4 kW
Provas

A figura precedente ilustra o esquema elétrico de um gerador trifásico ideal e equilibrado, de tensão de fase V⌀ = 240 V, ligado em estrela, que está conectado por meio de uma linha de transmissão trifásica a uma carga simétrica conectada em triângulo (delta). A impedância intrínseca da linha de transmissão é ZL = j20√2 Ω por fase, e a impedância da carga é Z⌀ = (30√2 − j30√2) Ω entre cada fase.
A partir da figura apresentada e das informações a ela referentes, julgue o item a seguir.
O fator de potência da carga está adiantado em 60°.
Provas

A figura precedente ilustra o esquema elétrico de um gerador trifásico ideal e equilibrado, de tensão de fase V⌀ = 240 V, ligado em estrela, que está conectado por meio de uma linha de transmissão trifásica a uma carga simétrica conectada em triângulo (delta). A impedância intrínseca da linha de transmissão é ZL = j20√2 Ω por fase, e a impedância da carga é Z⌀ = (30√2 − j30√2) Ω entre cada fase.
A partir da figura apresentada e das informações a ela referentes, julgue o item a seguir.
O módulo da tensão de linha na carga é inferior a 360 V.
Provas

A figura precedente ilustra o esquema elétrico de um gerador trifásico ideal e equilibrado, de tensão de fase V⌀ = 240 V, ligado em estrela, que está conectado por meio de uma linha de transmissão trifásica a uma carga simétrica conectada em triângulo (delta). A impedância intrínseca da linha de transmissão é ZL = j20√2 Ω por fase, e a impedância da carga é Z⌀ = (30√2 − j30√2) Ω entre cada fase.
A partir da figura apresentada e das informações a ela referentes, julgue o item a seguir.
Em cada linha de transmissão, o módulo da corrente de linha é 12 A.
Provas

O diagrama de comando ilustrado anteriormente proporciona a partida estrela-triângulo de um motor de indução trifásico. Considerando que quaisquer contatos pertinentes aos contatores K1, K2 e K3, não apresentados na figura, sejam normalmente abertos e que os dispositivos de proteção não estejam seccionados e funcionem corretamente, julgue o item a seguir, a respeito do comportamento do referido sistema.
Quando o sistema atinge o seu estado final, o contato D1’ do relé temporizador está aberto.
Provas

O diagrama de comando ilustrado anteriormente proporciona a partida estrela-triângulo de um motor de indução trifásico. Considerando que quaisquer contatos pertinentes aos contatores K1, K2 e K3, não apresentados na figura, sejam normalmente abertos e que os dispositivos de proteção não estejam seccionados e funcionem corretamente, julgue o item a seguir, a respeito do comportamento do referido sistema.
Caso o motor em questão parta em estrela e assuma a configuração em triângulo somente após o relé temporizador atuar, a função de ligar os terminais em estrela será de K3, enquanto a função de ligar os terminais em triângulo será de K1.
Provas

O diagrama de comando ilustrado anteriormente proporciona a partida estrela-triângulo de um motor de indução trifásico. Considerando que quaisquer contatos pertinentes aos contatores K1, K2 e K3, não apresentados na figura, sejam normalmente abertos e que os dispositivos de proteção não estejam seccionados e funcionem corretamente, julgue o item a seguir, a respeito do comportamento do referido sistema.
O relé temporizador D1 atua aproximadamente 5 segundos após a botoeira S2 ser pressionada, o que implica na desenergização de K3 e torna K2 passível de ser energizada.
Provas

O diagrama de comando ilustrado anteriormente proporciona a partida estrela-triângulo de um motor de indução trifásico. Considerando que quaisquer contatos pertinentes aos contatores K1, K2 e K3, não apresentados na figura, sejam normalmente abertos e que os dispositivos de proteção não estejam seccionados e funcionem corretamente, julgue o item a seguir, a respeito do comportamento do referido sistema.
As bobinas dos contatores K1 e K2 podem estar energizadas simultaneamente.
Provas

O diagrama de comando ilustrado anteriormente proporciona a partida estrela-triângulo de um motor de indução trifásico. Considerando que quaisquer contatos pertinentes aos contatores K1, K2 e K3, não apresentados na figura, sejam normalmente abertos e que os dispositivos de proteção não estejam seccionados e funcionem corretamente, julgue o item a seguir, a respeito do comportamento do referido sistema.
A botoeira S2 permite iniciar/ligar o sistema.
Provas
Caderno Container