Foram encontradas 50 questões.
- Protocolos e ServiçosAutenticação e SegurançaTLS: Transport Layer Security
- Protocolos e ServiçosInternet e EmailHTTPS: Hyper Text Transfer Protocol Secure
Provas
Provas
Provas
ATENÇÃO
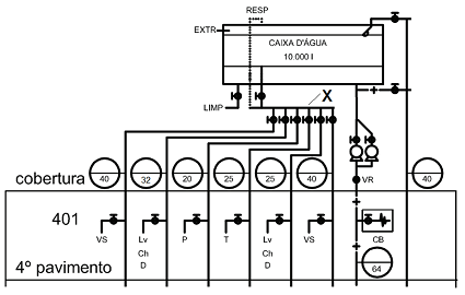
A figura a seguir ilustra parte do diagrama vertical de água fria de uma edificação.

Tomando por base esse diagrama, responda à próxima questão.
Provas
ATENÇÃO
A figura a seguir ilustra parte do diagrama vertical de água fria de uma edificação.

Tomando por base esse diagrama, responda à próxima questão.
Provas
A figura abaixo ilustra um ensaio realizado em uma amostra de um solo:

A característica do solo que pode ser determinada por meio desse ensaio é o/a:
Provas
Provas
A figura a seguir ilustra parte da instalação elétrica de uma residência unifamiliar. Use-a para responder à próxima questão, considerando que não há aterramento nessa instalação e que a fiação das tomadas é tirada do interruptor.

Provas
A figura a seguir ilustra parte da instalação elétrica de uma residência unifamiliar. Use-a para responder à próxima questão, considerando que não há aterramento nessa instalação e que a fiação das tomadas é tirada do interruptor.

Provas
A figura abaixo mostra diversas camadas do revestimento interno de uma parede:

Essas camadas são identificadas como:
Provas
Caderno Container