Foram encontradas 1.412 questões.
Em uma rede de comunicações via satélite do tipo VSAT, o satélite possui uma antena de transmissão de ganho !$ {\large{4 \pi \over λ^2}}A_s !$ e os terminais dos usuários possuem antenas de ganho !$ {\large{4 \pi \over λ^2}}A_r . A_s !$ d !$ A_r !$ são, respectivamente, as aberturas efetivas das antenas do satélite e dos terminais e !$ λ !$ é o comprimento de onda do sinal. A distância aproximada entre o satélite e os terminais VSAT é igual a r, e a atenuação de espaço livre é !$ \left( {\large{4 \pi r \over λ}} \right)^2 !$.
O desempenho do enlace de descida, caracterizado pela relação portadora-densidade de ruído !$ {\large{C \over N_o}} !$, medido nos terminais da antena do terminal, melhora com
Provas
Você é responsável por uma estação de rádio, em local onde a população em geral pode ser exposta à direção de máximo ganho de uma antena (Gmax = 20 dBi).
O equipamento transmissor possui potência máxima de 40dBm na frequência de f = 1728MHz. Em relação à exposição a ondas eletromagnéticas, as normas vigentes estabelecem, para esta faixa de frequências, que a máxima intensidade de campo elétrico (RMS), na posição de observação, é de 1,375 !$ \sqrt f !$ (f em MHz).
Por esse critério, a distância mínima de segurança é, aproximadamente, de
Provas
Sobre circuitos digitais sequenciais e combinacionais, assinale a afirmativa correta.
Provas
Uma simplificação da expressão booleana
!$ \bar{A} \bar{B} \bar{C} + \bar{A} B \bar{C} + A \bar{B} \bar{C} \bar{D}+ \bar{B} C \bar{D} !$
é:
Provas
Considere as seguintes afirmações sobre amplificadores transistorizados:
I. Um amplificador classe A é suscetível a distorção de crossover.
II. Considerando uma mesma aplicação, um amplificador classe B deverá possuir maior eficiência energética que um amplificador classe A.
III. Para amplificar os dois semiciclos de um sinal de entrada senoidal, um amplificador classe B precisará de ao menos 2 transistores.
Está correto o que se afirma em
Provas
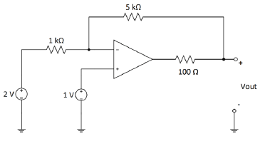
Considere o modelo ideal para o amplificador operacional no circuito a seguir.

O valor de Vout, indicado no circuito, é:
Provas
Nos circuitos abaixo, os diodos são ideais, as fontes de tensão são senoidais com 1 Hz e os resistores R são dimensionados para que, quando houver corrente no circuito, os respectivos leds acendam.

A esse respeito, assinale a afirmativa correta.
Provas
As pontes de medição são peças fundamentais em equipamentos de medição. O circuito abaixo consiste de uma ponte de Wheatstone conectada a uma bateria de 9V. O resistor !$ R_1 !$ possui valor igual a 10 !$ k Ω !$, os resistores !$ R_2 !$ e !$ R_3 !$ possuem valor nominal igual a 1 !$ k Ω !$ e !$ R_4 !$ é um potenciômetro.

Analise as seguintes afirmativas relativas ao circuito:
I. A corrente que passa pelo amperímetro A é nula quando !$ R_4 !$ é igual a 100Ω.
II. A corrente que passa pelo amperímetro A é monótona decrescente com relação à !$ R_4 !$.
III. A potência fornecida pela bateria é inversamente proporcional à !$ R_4 !$.
É correto o que se afirma em
Provas
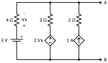
No circuito abaixo há, além das fontes independentes, uma fonte de tensão dependente, cujo valor depende da tensão no resistor (Vx), conforme indicado na figura a seguir.

O valor da tensão e do resistor de Thevenin vistos dos pontos A e B são
Provas
Um circuito elétrico é composto de uma fonte de corrente contínua igual a E que alimenta três resistores em série, de valores iguais a R, 2R e 3R.
Os equivalentes de Thévenin e Norton vistos pelos terminais do resistor igual a 2R são, respectivamente, compostos por
Provas
Caderno Container