Foram encontradas 50 questões.
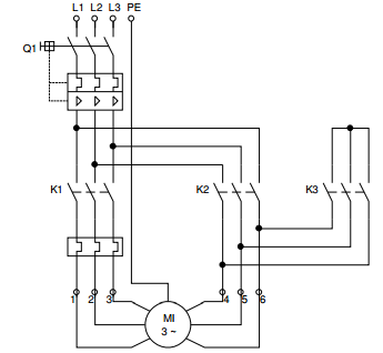
( ) Só é possível o acionamento de um motor elétrico utilizando esta chave de partida se este possuir
seis terminais acessíveis e dispuser de dupla tensão nominal.
( ) Trata-se de uma chave compensadora, sendo a troca da ligação de K2 para K3 durante a partida
acompanhada por uma elevação de corrente.
( ) A partida deve ser feita pelo acionamento de K1 e K3 simultaneamente, assim, o torque e a corrente
de partida ficam reduzidos a 1/3 de seus valores nominais.
( ) Trata-se de uma chave de partida direta com a possibilidade de reversão da rotação, pois o contator
K2 efetua a troca de sequência de fases no motor.
( ) Trata-se de uma chave estrela-triângulo, sendo a troca da ligação de K3 para K2 durante a partida
acompanhada por elevação de corrente.
( ) Trata-se de uma chave de partida direta com freio eletromagnético aplicado pelo acionamento do
contator K3.Provas

( ) A conexão da esquerda é denominada DELTA e a da direita é TRIÂNGULO. ( ) A conexão da esquerda é denominada DELTA e a da direita é ÍPSILON. ( ) V1 é uma tensão de linha e I2 é uma corrente de fase. ( ) Ao ponto central da conexão ESTRELA dá-se o nome de NEUTRO. ( ) A tensão V1 é equivalente à tensão V3 e a corrente I1 é equivalente a 1,73 x I2. ( ) I1 é uma corrente de linha, I2 é uma corrente de fase e V3 é uma tensão de fase. A única alternativa com a sequência correta de cima para baixo é:
Provas

Provas
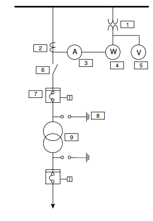
- Instalações ElétricasEquipamentos em Média Tensão
- Proteção de Sistemas ElétricosProteção em Média Tensão
- Sistemas Elétricos de PotênciaDistribuição de Energia Elétrica
Provas
- Instalações ElétricasSubestações
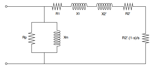
- Transformadores e Máquinas ElétricasMáquinas EstáticasTransformador de Corrente
- Transformadores e Máquinas ElétricasMáquinas EstáticasTransformador de Potência
- Sistemas Elétricos de PotênciaDistribuição de Energia Elétrica

Provas
- Instalações ElétricasAterramentos
- Normas TécnicasNBRsNBR 5410: Instalações Elétricas de Baixa Tensão

Provas
Provas
Provas

Provas
- Instalações ElétricasAterramentos
- Instalações ElétricasSubestações
- Sistemas Elétricos de PotênciaDistribuição de Energia Elétrica
- Sistemas Elétricos de PotênciaTransmissão
Preencha com V as afirmações verdadeiras e com F as afirmações falsas em relação ao fornecimento de energia elétrica em tensão primária de distribuição no âmbito da concessionária CELESC e depois escolha a única alternativa com a sequência correta de cima para baixo.
( ) O ramal de entrada é o conjunto de condutores e acessórios, de propriedade do consumidor, instalados a partir do ponto de entrega da energia até a medição.
( ) Carga Instalada é a soma das potências nominais dos equipamentos elétricos instalados na unidade consumidora em condições de entrar em funcionamento.
( ) O posto de medição é o local reservado à instalação dos equipamentos destinados à medição de energia elétrica e controle do fator de potência.
( ) Aterramento é a ligação à terra de todas as partes metálicas não energizadas, incluindo o neutro da rede e excetuando o neutro da instalação.
( ) Poste particular é situado na propriedade do consumidor com a finalidade de fixar, elevar ou desviar o ramal de ligação e instalar o ramal de entrada aéreo e posto de transformação e medição de energia.
( ) Subestação, posto ou cabine é a instalação elétrica do consumidor destinada a receber o fornecimento de energia elétrica em tensão primária de distribuição, com uma ou mais das funções de manobra, proteção, medição e transformação.
Provas
Caderno Container