Foram encontradas 50 questões.
Acerca das funcionalidades do Microsoft Windows 7 e Microsoft Office (2010 ou 2013), ambos
em português, marque com V as afirmações verdadeiras e com F as falsas.
( ) Quando você usa o comando Colar, o botão Colar ou o atalho de teclado CTRL + V, você cola
o conteúdo de transferência do Windows 7, não a área de transferência do Office.
( ) No Word, o tipo de alinhamento “Ajustar entre margens” dá uma aparência profissional ao documento,
alinhando ambas as margens, direita e esquerda.
( ) No Excel, as células dentro de um intervalo nem sempre são contíguas, isto porque um intervalo
pode conter várias linhas e colunas adjacentes.
( ) Por meio da Caixa de Pesquisa do Menu Iniciar do Windows 7, você pode procurar tudo o que
quiser, do simples documento a uma mensagem, enfim, tudo o que estiver armazenado no seu
computador.
( ) No Windows 7, o atalho de teclado Logotipo do Windows + Seta para Cima maximiza a janela
que está ativa, já o atalho Logotipo do Windows + Home minimiza todas as janelas da
área de trabalho, menos a que está ativa.
A sequência correta, de cima para baixo, é:
Provas
Questão presente nas seguintes provas
- EscritórioMicrosoft OfficeExcelVersões do ExcelExcel 2010
- EscritórioMicrosoft OfficeExcelVersões do ExcelExcel 2013
A célula D1 do trecho de planilha Excel (versões 2010 ou 2013, em português) a seguir, foi preenchida
com a fórmula =SE(MÉDIA($A$1:C$2)>=SOMA(A1;$C$1);MÁXIMO(A$1:C2);MÍNIMO($A1:$C2))

Assinale a alternativa que mostra corretamente qual o valor da célula D3 após ser copiado o conteúdo da célula D1.

Assinale a alternativa que mostra corretamente qual o valor da célula D3 após ser copiado o conteúdo da célula D1.
Provas
Questão presente nas seguintes provas
A carga de um motor pode ser analisada por sua curva de torque em função da velocidade,
como as apresentadas nas figuras abaixo, demarcadas de “a” até “d”. Analisando as figuras assinale
com V as alternativas verdadeiras e com F as alternativas falsas e depois assinale a única
opção com a sequência correta de cima para baixo.

( ) A curva “a” se refere a torque constante, como em ventiladores e bombas centrífugas. ( ) A curva “b” se refere a torque linearmente proporcional à velocidade. ( ) A curva “c” se refere a torque proporcional ao quadrado da velocidade, como em bombas d’água. ( ) A curva “d” se refere a torque inversamente proporcional à velocidade, como em ventiladores. ( ) A curva “a” representa torque de cargas como: elevadores, guindastes e pontes rolantes. ( ) Na curva “d” o torque cresce com o quadrado do aumento da velocidade.

( ) A curva “a” se refere a torque constante, como em ventiladores e bombas centrífugas. ( ) A curva “b” se refere a torque linearmente proporcional à velocidade. ( ) A curva “c” se refere a torque proporcional ao quadrado da velocidade, como em bombas d’água. ( ) A curva “d” se refere a torque inversamente proporcional à velocidade, como em ventiladores. ( ) A curva “a” representa torque de cargas como: elevadores, guindastes e pontes rolantes. ( ) Na curva “d” o torque cresce com o quadrado do aumento da velocidade.
Provas
Questão presente nas seguintes provas
Um motor de indução trifásico de 20 CV (15 kW), 4 polos, 60 Hz foi ensaiado em laboratório e
apresentou perdas no enrolamento do estator de 375 W, perdas nas barras da gaiola de esquilo
de 725 W, perdas mecânicas por atrito e ventilação de 225 W e perdas no núcleo do estator de
175 W. As perdas no núcleo do rotor foram negligenciadas. A única afirmativa correta que exprime,
respectivamente, os valores das perdas totais e do rendimento deste motor é:
Provas
Questão presente nas seguintes provas
Segundo a NR10 a carga horária mínima de treinamento básico a que os trabalhadores autorizados
devem obrigatoriamente participar é:
Provas
Questão presente nas seguintes provas
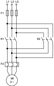
Analise o diagrama de acionamento de um motor de indução trifásico apresentado na figura
abaixo. Preencha com V as alternativas verdadeiras e com F as alternativas falsas e depois assinale
a única opção com a sequência correta de cima para baixo.

( ) Trata-se de uma chave de partida direta para motores de baixa potência. ( ) O acionamento simultâneo de K1 e K2 reduz a 1/3 a corrente de partida do motor. ( ) Trata-se de uma chave de partida estrela triângulo. ( ) O acionamento de K2 é um freio eletromagnético para o motor. ( ) O dispositivo F2 é utilizado para proteger as bobinas que acionam K1 e K2. ( ) O acionamento não simultâneo de K1 e K2 possibilita a reversão da rotação do motor.

( ) Trata-se de uma chave de partida direta para motores de baixa potência. ( ) O acionamento simultâneo de K1 e K2 reduz a 1/3 a corrente de partida do motor. ( ) Trata-se de uma chave de partida estrela triângulo. ( ) O acionamento de K2 é um freio eletromagnético para o motor. ( ) O dispositivo F2 é utilizado para proteger as bobinas que acionam K1 e K2. ( ) O acionamento não simultâneo de K1 e K2 possibilita a reversão da rotação do motor.
Provas
Questão presente nas seguintes provas
Em relação ao detalhe de ancoragem de um ramal de ligação da concessionária CELESC,
apresentado na figura abaixo, é correto afirmar que os elementos numerados de 01 a 09 são, respectivamente:


Provas
Questão presente nas seguintes provas
Uma instalação trifásica conectada em estrela é alimentada por uma tensão de linha de 381 V
e absorve uma corrente de 25 A com um fator de potência de 92% sem a presença de harmônicas.
As potências aparente e ativa são, respectivamente:
Provas
Questão presente nas seguintes provas
Em uma subestação de energia elétrica há um transformador cuja tensão do primário é de
13,8 kV com 726 espiras. Qual a tensão do secundário se o número de espiras é 20?
Provas
Questão presente nas seguintes provas
Planos de manutenção em estações de saneamento recomendam alguns procedimentos
mensais a serem executados. Entre eles é correto afirmar o seguinte conjunto de ações preventivas
de verificação:
Provas
Questão presente nas seguintes provas
Cadernos
Caderno Container