Foram encontradas 50 questões.
- Instalações ElétricasEquipamentos em Baixa Tensão
- Proteção de Sistemas ElétricosProteção em Média Tensão
- Sistemas Elétricos de PotênciaDistribuição de Energia Elétrica
Segundo a classificação dos dispositivos de manobra e de proteção em relação ao nível de
tensão é correto afirmar:
Provas
Questão presente nas seguintes provas
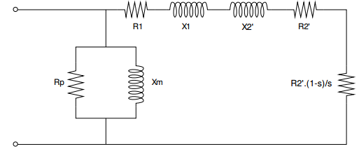
As seguintes medidas foram obtidas de ensaios para determinação dos parâmetros do circuito
equivalente de um motor de indução trifásico de 4 polos, 10 CV, 380 V, 11,3 A, Classe C com rotor
de dupla gaiola de esquilo. Considere para a análise o circuito equivalente por fase apresentado
na figura abaixo.

Após o ensaio de rotor bloqueado mediu-se o valor da resistência em corrente contínua vista pelos terminais do estator, cujo valor médio por fase resultou em 0,783 Ω. Dados: 1 CV = 735 W.
Calcule os valores dos parâmetros Rp, Xm, R1, X1, R2’ e X2’ e assinale a única alternativa que
corresponde à sequência correta destes parâmetros.

Após o ensaio de rotor bloqueado mediu-se o valor da resistência em corrente contínua vista pelos terminais do estator, cujo valor médio por fase resultou em 0,783 Ω. Dados: 1 CV = 735 W.
Calcule os valores dos parâmetros Rp, Xm, R1, X1, R2’ e X2’ e assinale a única alternativa que
corresponde à sequência correta destes parâmetros.Provas
Questão presente nas seguintes provas
Conforme NR10 somente serão consideradas desenergizadas as instalações elétricas liberadas
para trabalho mediante os procedimentos apropriados, obedecida a seguinte sequência correta:
Provas
Questão presente nas seguintes provas
O risco de choque elétrico está presente em praticamente todas as atividades com instalações
elétricas e, por isso, a NR10 prevê a realização de cursos para o devido entendimento dos mecanismos
e efeitos da corrente elétrica no corpo humano. Em relação aos efeitos manifestados pelo
corpo humano quando da presença de eletricidade assinale a alternativa correta:
Provas
Questão presente nas seguintes provas
Um motor de indução trifásico de 4 polos é alimentado em 380 V (tensão de linha) e frequência
de 60 Hz. Qual a velocidade deste motor se o escorregamento for de 2,0 %?
Provas
Questão presente nas seguintes provas
Um motor de indução trifásico de 2 polos é alimentado em 440 V (tensão de linha) e frequência
de 60 Hz. Qual a regulação de velocidade deste motor se ao operar em plena carga possui
velocidade de rotação de 3500 rpm?
Provas
Questão presente nas seguintes provas
Em relação ao circuito equivalente por fase do motor de indução trifásico mostrado na figura
abaixo a única afirmação correta é:


Provas
Questão presente nas seguintes provas
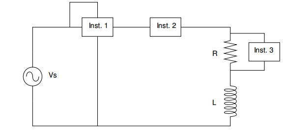
O circuito da figura abaixo possui três instrumentos de medidas denominados Inst. 1, Inst. 2 e Inst. 3. Estes instrumentos medem respectivamente.

Provas
Questão presente nas seguintes provas
A escolha de cabo para alimentação de um motor em estação elevatória deve ser feita pela
menor queda de tensão. Possuindo duas opções de cabos disponíveis no estoque da empresa
aponte qual a melhor opção entre o cabo de cobre com seção de 15 mm2
com resistividade de
1,69x10-8 Ωm e o cabo de alumínio com seção de 25 mm2
com resistividade de 2,75x10-8 Ωm.
Provas
Questão presente nas seguintes provas
Sobre a chave “soft-starter” qual afirmativa é correta?
Provas
Questão presente nas seguintes provas
Cadernos
Caderno Container