Foram encontradas 1.660 questões.
A realização dos serviços de fiscalização e de controle de obras objetiva o controle dos prazos de execução, dos custos e da qualidade dos serviços que compõem a obra, especialmente de obras públicas. Com base nessas informações e nos múltiplos aspectos por elas suscitados, julgue os itens a seguir.
É de competência do serviço de fiscalização a elaboração, durante a obra, dos projetos as built (como construído), que devem retratar, de forma exata, como foi construído o objeto contratado.
Provas
Julgue os itens a seguir, relativos às estruturas de concreto armado.
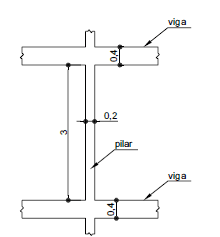
Considere a figura abaixo, na qual todas as medidas estão em metro, que mostra um corte de um pilar de secção transversal de 20 cm × 20 cm, em um lance de um pavimento de uma edificação, e que o pilar esteja vinculado às extremidades. Nessa situação, o comprimento equivalente (le) a ser usado nos cálculos de flambagem do pilar será igual a 3,2 m.

Provas
Julgue os itens a seguir, relativos às estruturas de concreto armado.
Nas lajes-cogumelo, projetadas para perfazer grandes vãos, a zona de tração é constituída por nervuras, entre as quais pode ser colocado material inerte.
Provas
Julgue os itens a seguir, relativos às estruturas de concreto armado.
Denomina-se torção de compatibilidade a torção necessária ao equilíbrio do elemento estrutural, a qual demanda a existência de armadura destinada a resistir aos esforços de tração oriundos dessa torção.Provas
Com relação às estruturas de madeira, julgue os próximos itens.
Em uma ligação com 10 pinos metálicos em linha, a resistência total da ligação deve ser dada pela soma das resistências de cada um dos pinos.
Provas
Com relação às estruturas de madeira, julgue os próximos itens.
Uma madeira enquadrada na classe de resistência C20 apresenta resistência característica à compressão normal às fibras igual a 20 MPa, na condição padrão de referência.
Provas
Julgue os itens subsecutivos, referentes ao isolamento térmico e acústico.
Entre os materiais considerados bons isolantes térmicos, incluem-se a lã de vidro, a lã de rocha, o poliestireno expandido (EPS), o concreto, as mantas asfálticas e a argila expandida.
Provas
Julgue os itens subsecutivos, referentes ao isolamento térmico e acústico.
Materiais com grande poder de isolamento acústico possuem alto poder de absorção acústica.
Provas
Julgue os itens subsecutivos, referentes ao isolamento térmico e acústico.
Materiais com baixa densidade, fibrosos ou de poros abertos são excelentes isolantes acústicos.
Provas
Julgue os itens subsecutivos, referentes ao isolamento térmico e acústico.
Os isolantes térmicos aumentam a resistividade térmica de uma superfície ao fluxo de calor e são mais eficientes quanto menor for a condutividade térmica.
Provas
Caderno Container