Foram encontradas 1.660 questões.
Sabendo que as instalações elétricas de baixa tensão, para garantir o funcionamento adequado das instalações, a segurança de pessoas e animais e a conservação dos bens, devem estar em conformidade com as condições fixadas em norma técnica, julgue os itens que se seguem, referentes às instalações elétricas prediais.
Uma corrente elétrica de curto-circuito consiste em uma sobrecorrente resultante, por exemplo, de uma falta direta entre condutores energizados, que apresentam uma diferença de potencial em funcionamento normal.
Provas
Julgue os itens seaguintes, relativos a instalações prediais de água quente.
O dispositivo de recirculação destina-se a manter a água quente em circulação, com o objetivo de equalizar sua temperatura.
Provas
Com relação às instalações prediais de águas pluviais, julgue os itens a seguir.
Na figura abaixo, que apresenta o corte esquemático de uma cobertura, a parte indicada por (A) corresponde a uma calha de água-furtada.

Provas

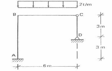
Com base na figura acima, que ilustra um pórtico plano com seu respectivo carregamento, julgue os itens seguintes.
O grau de hiperestaticidade, ou grau hiperestático, do sistema estrutural apresentado é 2.
Provas

Com base na figura acima, que ilustra um pórtico plano com seu respectivo carregamento, julgue os itens seguintes.
O momento fletor no nó B é diferente do momento fletor no meio da barra BC.
Provas

Com base na figura acima, que ilustra um pórtico plano com seu respectivo carregamento, julgue os itens seguintes.
As concavidades das barras AB e CD, na configuração deformada do sistema estrutural apresentado, voltar-se-ão, necessariamente, para a mesma direção.
Provas
Considerando que as técnicas de edificar devem ser atendidas no que se refere às instalações do canteiro de obra e ao acabamento e limpeza da edificação, com base em determinadas regras ou boas práticas, julgue os itens a seguir.
A distância máxima permitida entre instalação sanitária de um canteiro de obra e o posto de trabalho é de 200 metros.
Provas
Considerando que as técnicas de edificar devem ser atendidas no que se refere às instalações do canteiro de obra e ao acabamento e limpeza da edificação, com base em determinadas regras ou boas práticas, julgue os itens a seguir.
Em uma folha de alumínio de abrir (porta ou janela), a instalação de vidro deve ser feita de forma a garantir o contato direto entre o vidro e o alumínio.
Provas
Considerando que as técnicas de edificar devem ser atendidas no que se refere às instalações do canteiro de obra e ao acabamento e limpeza da edificação, com base em determinadas regras ou boas práticas, julgue os itens a seguir.
Os solos expansivos são adequados para a execução de aterros, pois permitem rápida compactação e adensamento.
Provas

A sapata associada é comum a vários pilares cujos centros, em planta, não estejam situados em um mesmo alinhamento.
Na fundação mostrada na figura, o cálculo da pressão admissível do solo deve ser feito tanto na superfície de contato entre a sapata e o terreno; quanto ao nível da profundidade Z.
Provas
Caderno Container