Foram encontradas 620 questões.
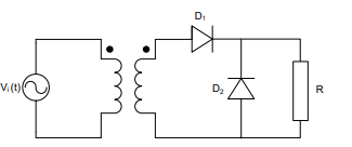
A figura a seguir apresenta um circuito empregado para alimentar uma carga resistiva. O transformador empregado no circuito é ideal e seus lados de alta e baixa tensão possuem, respectivamente, 1000 e 200 espiras.

Sabendo que VI(t) = 100 sen (377t) V (valores eficazes) e que R = 10 Ω, a potência média dissipada no resistor é, aproximadamente, de
Provas
Um transformador ideal encontra-se com seus terminais conectados, conforme apresentado na figura a seguir, alimentando uma carga puramente resistiva de 7,6 kW.

Sabendo-se que a tensão V1 é uma tensão senoidal de amplitude 20 V, a amplitude da corrente I, em A, é:
Provas
Grandeza Componentes Simétricos Tensão (V) V0 = 0 V1 = 90⌊30º V2 = 90⌊-30º Corrente (A) I0 = 0 I1 = 5⌊-30º I2 = 5⌊30º
O módulo da potência complexa absorvida por uma carga trifásica, que tem em seus terminais as grandezas descritas na tabela, é
Provas
Baseado nas informações descritas, o número de polos da máquina é
Provas
A respeito da partida de motores trifásicos por meio de chave estrela-triângulo, analise as afirmativas a seguir.
I. O motor deve ter disponíveis os seis terminais dos enrolamentos.
II. A tensão nos enrolamentos do motor com a chave na configuração em estrela é igual a 1/3 da tensão na configuração delta.
III. A configuração em delta corresponde à máxima potência do motor em regime permanente.
Está correto o que se afirma em
Provas
Um capacitor de 100 μF ligado em série com um resistor de 100 kΩ é alimentado por uma fonte de tensão contínua de 10 V. A carga desse capacitor e o tempo necessário para que se carregue são, respectivamente, iguais a
Provas
- EletrotécnicaCircuitos de Corrente Contínua em Eletrotécnica
- EletrotécnicaCircuitos Elétricos em Eletrotécnica
I. A corrente de Norton pode ser obtida dividindo a tensão de Thevenin pela resistência de Thevenin. II. O resultado da divisão entre a resistência de Norton pela resistência de Thevenin é igual a √2. III. Em um diagrama de circuito, a resistência de Norton é fisicamente posicionada em série com a fonte de corrente de Norton.
Está correto o que se afirma em:
Provas
- EletrotécnicaCircuitos de Corrente Contínua em Eletrotécnica
- EletrotécnicaCircuitos Elétricos em Eletrotécnica
A = 1 < 30º B = √3 < -60º C = A + B
O módulo do fasor C é
Provas
Adotando a tensão de 13,2 kV e a potência de 40 MVA como valores de base, tem-se que:
I. a reatância equivalente é de j 0,8 pu; e II. a reatância dos dois motores, em pu, são iguais.
Considerando as bases de tensão e a potência de cada motor, os valores percentuais da reatância do motor A e do motor B, são, respectivamente,
Provas
Um motor de indução, ligado em Y, possui uma resistência de estator igual a 0,40 Ω e uma resistência de rotor igual a 0,20 Ω.
Este motor é submetido a um ensaio em vazio cujos resultados são apresentados a seguir:
– tensão terminal: VT = 220 V;
– frequência da rede: f = 60 Hz;
– corrente de linha: Ilinha = 10 A;
– potência de entrada: Pentrada = 1200 W.
Diante do exposto, o valor das perdas do núcleo e rotacionais do motor, em W, é de
Provas
Caderno Container