Foram encontradas 620 questões.
Um equipamento elétrico, ligado a uma fonte CC de 100 V,
consome uma energia de 20 Wh em cinco horas. A quantidade de
carga elétrica, em coulombs, que passa pelo circuito que alimenta
esse equipamento durante 5 minutos, é igual a
Provas
Questão presente nas seguintes provas
Considere um motor de indução trifásico que, ao ser acionado
com partida direta, tem um conjugado de partida C1.
Considere agora que o mesmo motor foi acionado com partida a chave estrela-triângulo, produzindo um conjugado de partida C2.
A razão C2/C1 é igual a
Considere agora que o mesmo motor foi acionado com partida a chave estrela-triângulo, produzindo um conjugado de partida C2.
A razão C2/C1 é igual a
Provas
Questão presente nas seguintes provas
Considere o diagrama de um processo industrial em que se
deseja manter a pressurização de um sistema de ar comprimido
dentro de limites aceitáveis de funcionamento.

Assinale a opção que indica o dispositivo de medição.

Assinale a opção que indica o dispositivo de medição.
Provas
Questão presente nas seguintes provas
Considere os seguintes diagramas ladder que representam um
programa de CLP a seguir.
DIAGRAMA 1 DIAGRAMA 2
DIAGRAMA 3
DIAGRAMA 4 DIAGRAMA 5
Considere ainda que o A0 é o contato de uma botoeira, W0 é a bobina que energiza um determinado equipamento e B0 e B1 são bobinas auxiliares.
Assinale a opção que indica o diagrama que representa adequadamente o programa que liga/desliga um determinado equipamento utilizando apenas uma única botoeira.
DIAGRAMA 1 DIAGRAMA 2
DIAGRAMA 3
DIAGRAMA 4 DIAGRAMA 5
Considere ainda que o A0 é o contato de uma botoeira, W0 é a bobina que energiza um determinado equipamento e B0 e B1 são bobinas auxiliares.
Assinale a opção que indica o diagrama que representa adequadamente o programa que liga/desliga um determinado equipamento utilizando apenas uma única botoeira.
Provas
Questão presente nas seguintes provas
Considere o diagrama ladder de um CLP a seguir.

em que X0 e X1 são, respectivamente, os contatos de botoeiras de ligamento e desligamento e a saída Y0 aciona um determinado equipamento.
O diagrama acima apresentado é um programa de liga/desliga com

em que X0 e X1 são, respectivamente, os contatos de botoeiras de ligamento e desligamento e a saída Y0 aciona um determinado equipamento.
O diagrama acima apresentado é um programa de liga/desliga com
Provas
Questão presente nas seguintes provas
Considere um recorte de um projeto de instalação elétrica de
baixa tensão a seguir.

Sabe-se que o circuito 1 alimenta somente um chuveiro de 3300W em 220V.
Considere ainda as tabelas 1 e 2.
Tabela 1: capacidade de condução de corrente (A)
Seção nominal (mm2) 2 condutores carregados 3 condutores carregados 1,0 14 13 1,5 18,5 16,5 2,5 25 22 4 33 30 6 42 38
Tabela 2: fatores de correção aplicáveis a condutores agrupados
Número de circuitos 1 2 3 4 5 Fator de agrupamento 1,00 0,80 0,70 0,65 0,60
De acordo com as normas de instalações elétricas de baixa tensão, a seção do condutor do circuito 1, em mm2 de cobre, deve ser

Sabe-se que o circuito 1 alimenta somente um chuveiro de 3300W em 220V.
Considere ainda as tabelas 1 e 2.
Tabela 1: capacidade de condução de corrente (A)
Seção nominal (mm2) 2 condutores carregados 3 condutores carregados 1,0 14 13 1,5 18,5 16,5 2,5 25 22 4 33 30 6 42 38
Tabela 2: fatores de correção aplicáveis a condutores agrupados
Número de circuitos 1 2 3 4 5 Fator de agrupamento 1,00 0,80 0,70 0,65 0,60
De acordo com as normas de instalações elétricas de baixa tensão, a seção do condutor do circuito 1, em mm2 de cobre, deve ser
Provas
Questão presente nas seguintes provas
Considere o diagrama a seguir, que representa uma rede aérea
secundária trifásica de uma área urbana, alimentada por um
transformador T1.

Considere também que a distância entre cada nó é de 30m, que as cargas são trifásicas e que o coeficiente de queda de tensão trifásica do cabo da rede aérea é igual a 2 %/KVA.km.
A queda de tensão entre o transformador e o nó A é de

Considere também que a distância entre cada nó é de 30m, que as cargas são trifásicas e que o coeficiente de queda de tensão trifásica do cabo da rede aérea é igual a 2 %/KVA.km.
A queda de tensão entre o transformador e o nó A é de
Provas
Questão presente nas seguintes provas
O circuito abaixo é composto por uma fonte alternada V e uma
impedância Zg = 8 + j6 Ω associadas em série, alimentando uma
carga Zcarga através dos terminais A e B. Sabe-se que R = 6 Ω e que
ocorre uma máxima transferência de potência da parte do
circuito colocada à esquerda dos terminais A e B para a parte
colocada à direita.

Para que a carga Zcarga seja puramente resistiva e para que ela tenha componentes resistivos e reativos nessa condição de máxima transferência de potência, os valores de P são, respectivamente, iguais a

Para que a carga Zcarga seja puramente resistiva e para que ela tenha componentes resistivos e reativos nessa condição de máxima transferência de potência, os valores de P são, respectivamente, iguais a
Provas
Questão presente nas seguintes provas
- EletrotécnicaCircuitos de Corrente Contínua em Eletrotécnica
- EletrotécnicaCircuitos Elétricos em Eletrotécnica
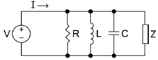
A admitância equivalente do circuito a seguir é 4,5 - j2 mhos.

Considere que:
I. R = 2 Ω II. L = j1 H III. C = -j 0,5 f.
Com base no que foi descrito, a impedância Z pode ser corretamente representada por

Considere que:
I. R = 2 Ω II. L = j1 H III. C = -j 0,5 f.
Com base no que foi descrito, a impedância Z pode ser corretamente representada por
Provas
Questão presente nas seguintes provas
- EletrotécnicaCircuitos de Corrente Contínua em Eletrotécnica
- EletrotécnicaCircuitos Elétricos em Eletrotécnica
O circuito elétrico apresentado a seguir, possui uma fonte de
tensão de valor 2Ix controlada pela corrente Ix que circula pelo
resistor de 3 Ω.
O valor da potência dissipada no resistor de 2 Ω, em W, é
O valor da potência dissipada no resistor de 2 Ω, em W, é
Provas
Questão presente nas seguintes provas
Cadernos
Caderno Container