Foram encontradas 50 questões.
Dado o circuito correspondente ao Flip-Flop RS básico e os sinais lógicos de entrada das variáveis R, S e Qa. Determine as saídas Qf e !$ \overline{Q} !$f da tabela da verdade e assinale a alternativa CORRETA.

Provas
Em relação aos dispositivos semicondutores, analise as assertivas abaixo.
I. O MOSFET é um dispositivo semicondutor de potência que pode ser utilizado como amplificador de sinal.
II. O diodo Schottky é um tipo de diodo que tem uma queda de tensão direta menor do que o diodo convencional.
III. O SCR (Silicon Controlled Rectifier) é um dispositivo semicondutor que só pode ser utilizado em circuitos de corrente contínua.
IV. O diodo de junção PN é um dispositivo semicondutor que permite a passagem da corrente elétrica em uma única direção.
Com base nas afirmações, marque a alternativa CORRETA.
Provas
Em relação aos processos de conformação mecânica. Assinale (V) para verdadeiro e (F) para falso e, em seguida, marque a alternativa CORRETA.
I. A extrusão direta é um processo de conformação mecânica que consiste em empurrar um bloco de metal através de uma matriz com uma abertura maior que a seção transversal do bloco.
II. O processo de forjamento consiste em moldar o metal através da aplicação de uma força de compressão, produzindo peças de metal com alta resistência mecânica e durabilidade.
III. No processo de laminação o metal é forçado a passar entre dois cilindros (que giram em sentido contrário) sob o efeito de forças de atrito, com velocidades superficiais iguais.
IV. A trefilação é um processo de conformação mecânica utilizado exclusivamente para produzir tubos de metal.
V. A estampagem é um processo de conformação mecânica que abrange o corte, o dobramento e o repuxo.
A sequência está CORRETA em:
Provas
A Figura a seguir apresenta um circuito com Diodo Zener. Considere no Diodo Zener (DZ) uma tensão de ruptura de Vz = 10 V e uma potência Pz = 30 mW. Determine o valor do Resistor Limitador (RS).

Provas
Determine a intensidade da corrente elétrica que percorre um condutor de seção normal, atravessado por uma carga ΔQ = 2,4x10-3C no intervalo de tempo Δt = 3x10-2s.
Provas
A Figura I mostra um circuito elétrico ligado por uma fonte de alimentação alternada, três resistores em série e um osciloscópio (Tektonix XSC1) conectado nos terminais do resistor de 5kΩ. Já a Figura II apresenta a forma de onda captada por esse instrumento de medida. Considere que a chave seletora de ganho do canal vertical do osciloscópio foi ajustada para 10 Vots/divisão, enquanto que a chave seletora da base de tempo foi fixada a 2 ms/divisão.


Conforme as informações do enunciado da questão, assinale a alternativa que representa a tensão de pico (em V) a tensão de pico a pico (em V) e a frequência (em Hz), respectivamente:
Provas
O goniômetro é um instrumento de medidas utilizado para verificação de medidas angulares. Realize a leitura no instrumento de medida abaixo:

Provas
Determine o comprimento da correia aberta que liga duas polias de diâmetros iguais de 10 cm, com distância entre eixos de 20 cm, conforme as informações dispostas na Figura abaixo. (Adotar !$ \pi !$= 3,14).

Provas
O tratamento térmico pode ser definido como o aquecimento ou resfriamento controlado dos metais feito para alterar suas propriedades físicas e mecânicas, sem alterar a forma do produto final. Diante do exposto, associe CORRETAMENTE cada tratamento térmico com sua respectiva descrição: Tratamentos Térmicos:
1. Normalização
2. Recozimento
3. Têmpera
4. Revenimento
5. Cementação
A. Processo que consiste em aquecer a peça a uma temperatura acima da linha crítica, seguido de resfriamento lento em um forno. Esse tratamento é utilizado para amolecer o material, melhorar sua ductilidade e tenacidade, e aliviar tensões residuais.
B. Processo que consiste em aquecer a peça a uma temperatura acima da linha crítica, seguido de resfriamento ao ar em condições ambientes. É um processo que visa obter um material com uma estrutura mais uniforme e melhorar suas propriedades mecânicas.
C. Processo que consiste em aquecer a peça temperada a uma temperatura abaixo da linha crítica, seguido de resfriamento em ar. Esse tratamento é utilizado para reduzir a fragilidade do material resultante da têmpera, mantendo a dureza e aumentando a tenacidade.
D. Processo que consiste em aquecer a peça a uma temperatura acima da linha crítica, seguido de resfriamento rápido em água, óleo ou salmoura. Esse tratamento é utilizado para aumentar a dureza e a resistência mecânica do material, mas pode torná-lo mais frágil e quebradiço.
E. Processo que consiste em adicionar carbono à superfície do material, geralmente através de exposição a uma atmosfera rica em carbono em alta temperatura, seguido de resfriamento. Esse tratamento é utilizado para aumentar a dureza da superfície do material e sua resistência ao desgaste, sem afetar as propriedades internas do material.
Assinale a alternativa que representa a sequência CORRETA:
Provas
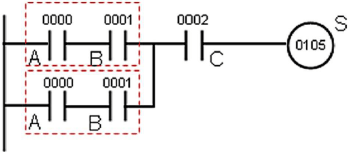
De acordo com diagrama de contato de programação em Ladder mostrado na figura a seguir, assinale alternativa que REPRESENTA a expressão booleana desse diagrama.

Provas
Caderno Container