Foram encontradas 100 questões.
- EletrotécnicaCircuitos de Corrente Contínua em Eletrotécnica
- EletrotécnicaCircuitos Elétricos em Eletrotécnica

Em um experimento realizado em laboratório, montou-se o circuito ilustrado na figura acima, o qual é composto por uma fonte CC de tensão (v) de 45 V, conectada aos resistores R1 = 10Ω, R2 = 50Ω, R3 = 20Ω, R4=100Ω, R5 = 10Ω e R6 = 5Ω. Assumindo que os M1,M2 e M3 são ideais, julgue o seguinte item.
É correto afirmar que o produto M1 . M3 é igual à potência dissipada no resistor R4, sendo M1 uma medida de corrente e M3 uma medida de tensão, cujo valor é de, aproximadamente, 100/9 W.
Provas
- EletrotécnicaCircuitos de Corrente Contínua em Eletrotécnica
- EletrotécnicaCircuitos Elétricos em Eletrotécnica

A resistência equivalente do circuito, vista da fonte de tensão, é igual a 45 Ω.
Provas

Em um experimento realizado em laboratório, montou-se o circuito ilustrado na figura acima, o qual é composto por uma fonte CC de tensão (v) de 45 V, conectada aos resistores R1 = 10Ω, R2 =50Ω:, R3 = 20Ω, R4=100Ω, R5 = 10Ω e R6 = 5Ω. Assumindo que os M1,M2 e M3 são ideais, julgue o seguinte item.
Pela forma como está conectado ao circuito, o medidor M2 consiste em um amperímetro e sua medição indicará um valor de 3,33 A.
Provas
- EletrotécnicaCircuitos de Corrente Contínua em Eletrotécnica
- EletrotécnicaCircuitos Elétricos em Eletrotécnica

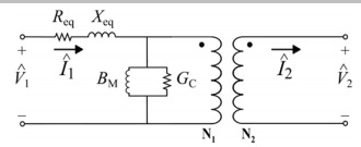
Para determinar os parâmetros de um transformador monofásico de 2 kV/200 V, 10 kVA, um fabricante resolveu submeter o dispositivo aos ensaios de curto-circuito e de circuito aberto. Os dados obtidos no enrolamento primário no ensaio de curto-circuito, realizado com corrente nominal e enrolamento secundário curto-circuitado, foram: P = 50 W e tensão aplicada ao primário (
1) igual a 35 V. Já os dados obtidos no enrolamento secundário no ensaio a vazio, realizado com tensão nominal aplicada ao secundário (
2 ) e os terminais primários em aberto, foram: P = 80 W e
2= 2A. Os parâmetros Req e Xeq são, respectivamente, a resistência e a reatância equivalentes, assim como BM e GC são, respectivamente, a susceptância e a condutância equivalentes, conforme ilustrado na figura acima, relativamente ao primário.
As perdas por efeito Joule nos enrolamentos do transformador são representadas pelo parâmetro Req, o qual pode ser estimado por meio do ensaio de curto-circuito. Já as perdas por fluxo de dispersão são representadas por Xeq , parâmetro estimado pelo mesmo ensaio.
Provas
- EletrotécnicaCircuitos de Corrente Contínua em Eletrotécnica
- EletrotécnicaCircuitos Elétricos em Eletrotécnica

Para determinar os parâmetros de um transformador monofásico de 2 kV/200 V, 10 kVA, um fabricante resolveu submeter o dispositivo aos ensaios de curto-circuito e de circuito aberto. Os dados obtidos no enrolamento primário no ensaio de curto-circuito, realizado com corrente nominal e enrolamento secundário curto-circuitado, foram: P = 50 W e tensão aplicada ao primário (
1) igual a 35 V. Já os dados obtidos no enrolamento secundário no ensaio a vazio, realizado com tensão nominal aplicada ao secundário (
2 ) e os terminais primários em aberto, foram: P = 80 W e
2= 2A. Os parâmetros Req e Xeq são, respectivamente, a resistência e a reatância equivalentes, assim como BM e GC são, respectivamente, a susceptância e a condutância equivalentes, conforme ilustrado na figura acima, relativamente ao primário.
Pode-se estimar, dos ensaios realizados, que, aproximadamente,
relativos ao primário. Provas
- EletrotécnicaCircuitos de Corrente Contínua em Eletrotécnica
- EletrotécnicaCircuitos Elétricos em Eletrotécnica

Em um determinado experimento da disciplina de circuitos elétricos, o circuito RLC ilustrado acima foi montado, considerando R1= 25Ω , R3= 10Ω , L=1/6π H e que a fonte de corrente CA senoidal apresenta amplitude de 10√ 2 A, com uma frequência de 60 Hz. Os componentes R2 e C foram alterados a depender do procedimento realizado.
Com base nesse caso hipotético, julgue o item que se segue.
Colocando-se um resistor (R2) de 0 Ω, isto é, um curto-circuito nos seus terminais, a capacitância necessária para que a tensão (v) e a corrente (i) apresentem a mesma fase será de 1/3.000π F.
Provas

Em um determinado experimento da disciplina de circuitos elétricos, o circuito RLC ilustrado acima foi montado, considerando R1= 25Ω , R3= 10Ω , L=1/6π H e que a fonte de corrente CA senoidal apresenta amplitude de 10√ 2 A, com uma frequência de 60 Hz. Os componentes R2 e C foram alterados a depender do procedimento realizado.
Com base nesse caso hipotético, julgue o item que se segue.
Colocando-se um capacitor (C) de 1/480 π F e uma resistência (R2) de 2 Ω no circuito, a tensão (v) sob a fonte de corrente será de, aproximadamente, 44∠45º V.
Provas
- EletrotécnicaCircuitos de Corrente Contínua em Eletrotécnica
- EletrotécnicaCircuitos Elétricos em Eletrotécnica

Em um determinado experimento da disciplina de circuitos elétricos, o circuito RLC ilustrado acima foi montado, considerando R1= 25Ω , R3= 10Ω , L=1/6π H e que a fonte de corrente CA senoidal apresenta amplitude de 10√ 2 A, com uma frequência de 60 Hz. Os componentes R2 e C foram alterados a depender do procedimento realizado.
Com base nesse caso hipotético, julgue o item que se segue.
Se C = 1/480π F e R2 = 2Ω a impedância equivalente, vista pela fonte de corrente, será predominantemente indutiva.
Provas

Em um determinado experimento da disciplina de circuitos elétricos, o circuito RLC ilustrado acima foi montado, considerando R1= 25Ω , R3= 10Ω , L=1/6π H e que a fonte de corrente CA senoidal apresenta amplitude de 10√ 2 A, com uma frequência de 60 Hz. Os componentes R2 e C foram alterados a depender do procedimento realizado.
Com base nesse caso hipotético, julgue o item que se segue.
Se C = 1/480π F e R2 = 2Ω, a admitância equivalente, vista pela fonte de corrente, será de 0,16 +J016 ℧
Provas
- EletrotécnicaCircuitos de Corrente Contínua em Eletrotécnica
- EletrotécnicaCircuitos Elétricos em Eletrotécnica

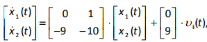
Dado que x1(t) = vc (t) e x2 (t) = i(t) são as variáveis de estado do sistema e que uma possível representação no espaço de estados desse circuito é dada por
os polos da função de transferência desse sistema são –1 e –9.
Provas
Caderno Container