Foram encontradas 855 questões.
Sobre os processos de conformação mecânica, são considerados processos com compressão direta
Provas
Durante uma manutenção, um técnico encontrou um capacitor cerâmico com a seguinte inscrição: 332 J.
É correto afirmar que se trata de um capacitor de
Provas
A um técnico em manutenção, foi pedido que instalasse uma lâmpada que pudesse ser acionada de 3 pontos distintos de uma instalação elétrica.
Para o acionamento desejado, o técnico deverá comprar
Provas
Para o circuito da figura seguir, os valores de resistência, indutância e capacitância são:
!$ R \, = \, 3 \, \Omega , \, L \, = \, \dfrac {1} {15 \pi} \, H, \, C \, = \, \dfrac {1} {480 \pi} F !$

Sabendo que a fonte de tensão ‘S’ tem frequência de 60 Hz e valor eficaz de 25 V, assinale a alternativa que apresenta o valor da tensão eficaz sobre o indutor.
Provas
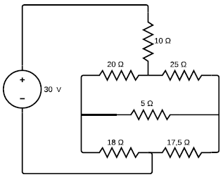
Considerando o circuito da figura a seguir, assinale a alternativa com o valor da potência fornecida pela fonte de tensão.

Provas
Quanto à presença de correntes harmônicas nas instalações elétricas, assinale a alternativa INCORRETA.
Provas
Sobre os diodos Zener, assinale a alternativa correta.
Provas
Um retificador monofásico de meia onda alimenta uma carga resistiva de 30 !$ \Omega !$. Sendo o valor de tensão eficaz da fonte igual a 150 V, os valores da corrente média na carga e da potência transferida à carga são, respectivamente:
Provas
Sobre os níveis de resistência de um diodo semicondutor, é correto afirmar que
Provas
A soma das cargas entrando no terminal de um componente elétrico é de !$ q \, = \, sen(3 \pi \, t) \, mC. !$
Assinale a alternativa que apresenta o valor da corrente no instante t = 2 s.
Provas
Caderno Container