Foram encontradas 70 questões.
Para um sistema pneumático composto por três pistões (A, B e C) e representado pelo diagrama de movimento A+ B+ C+ A- B- C-, que funciona de forma contínua, acionado por um botão manual, qual deverá ser a posição de fim de curso para a sequência fornecida?
Considere que os cilindros são de dupla ação e que são pilotados por válvulas de 5/2 vias por acionamento pneumático.
Provas
As polias e as roldanas são comumente utilizadas em sistema de transporte de peso. Imagine uma situação em que é necessário deslocar um motor “M”, apresentado na figura a seguir, que está associado a duas roldanas. Com base na situação representada esquematicamente, assinale a alternativa correta.

Provas
A respeito das máquinas operatrizes, em especial máquinas de usinagem, assinale a alternativa correta.
Provas
A respeito do Plano de Rigging, assinale a alternativa INCORRETA.
Provas
A NR-16 (Norma Regulamentadora sobre Atividades e Operações Perigosas) determina que um adicional de periculosidade seja acrescido ao salário do colaborador para determinadas situações e atuações de risco.
De acordo com essa NR, qual deverá ser a porcentagem de acréscimo sobre o salário incidente?
Provas
Compressores são máquinas que se destinam a realizar a compressão e o deslocamento de certa quantidade de ar.
Esses equipamentos podem ser classificados como compressores de deslocamento positivo e não positivo. Dentre cada um deles, temos ainda outras subclassificações.
A respeito dos compressos de palhetas, lóbulos e parafusos, é correto afirmar que se encaixam na classificação de compressores do tipo
Provas
A respeito dos conceitos que envolvem a lubrificação, assinale a alternativa que apresenta a definição correta do termo “ponto de gota de uma graxa”.
Provas
Imagine que você possui um tubo maciço e circular de material desconhecido e, para determinar o material, resolve determinar seu módulo elástico. Para começar seu processo, você realiza duas marcações no tubo com o auxílio de uma caneta. As marcações possuem distância de 250 mm uma da outra.
Sabendo que o diâmetro do tubo é de 10 milímetros e que uma força axial aplicada é de 5 kN, resultando em um afastamento entre as marcações de 250,17 milímetros, determine o módulo elástico do material e, em seguida, assinale a alternativa que apresenta o material que consta na seguinte tabela cujo valor do módulo elástico mais se aproxima do resultado encontrado.
| MATERIAL | MÓDULO ELÁSTICO (GPa) |
| Alumínio | 69 |
| Latão | 97 |
| Aço | 207 |
| Titânio | 107 |
| Tungstênio | 407 |
Provas
A respeito dos conceitos relacionados à manutenção preditiva, preventiva, corretiva e seus modos de detecção e análise, informe se é verdadeiro (V) ou falso (F) o que se afirma a seguir e assinale a alternativa com a sequência correta.
( ) A Manutenção Produtiva Total (TPM) é uma filosofia de manutenção que deve ser adotada por todos os envolvidos para garantir sua eficiência.
( ) O FMECA realiza uma análise de criticidade além da análise dos modos de falha, ao contrário do FMEA que realiza apenas análise dos modos de falha.
( ) A manutenção preventiva é aquela que ocorre quando há um indicativo que falha, por exemplo, vibração mecânica.
( ) O tempo de manutenção efetiva é o tempo decorrido em que de fato ocorreu a manutenção, descontando-se atrasos logísticos, por exemplo.
( ) O FMEA é uma metodologia quantitativa de análise de falhas que permite descrever quantos modos de falhas o produto possui.
Provas
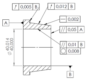
A metrologia é uma ciência que possibilita a padronização de pessoas, agrega valor e qualidade ao produto bem como facilita a transmissão de informações. Nesse sentido, quando tratamos de transmitir informações por meio da metrologia, estamos lidando diretamente com simbologias que devem ser de conhecimento de pessoas que atuam na área.
A respeito dos símbolos utilizados na metrologia, analise a seguinte figura e assinale a alternativa INCORRETA.

Provas
Caderno Container