Foram encontradas 1.051 questões.
Sobre as ligações triângulo/estrela, é correto afirmar que
são ligações utilizadas em
Provas
Questão presente nas seguintes provas
Considere a situação onde um aparelho de 1200W e
cosφ = 0,5 deva ser alimentado por meio de um transformador
monofásico.
A especificação de potência do transformador que atende
a esta aplicação é
Provas
Questão presente nas seguintes provas
A figura abaixo mostra a previsão de cargas de uma edificação.

É correto afirmar que o número de tomadas baixas a 0,30 m do piso acabado é
Provas
Questão presente nas seguintes provas
A instalação correta de uma lâmpada com dois pontos de
comando encontra-se em
Provas
Questão presente nas seguintes provas
Sobre Equipamentos de Proteção Individual − EPI, NÃO é
responsabilidade do empregado
Provas
Questão presente nas seguintes provas
A figura abaixo mostra as simbologias usadas para identificar os condutores de instalações elétricas.

Assim, I, II, III e IV são, correta e respectivamente,
Provas
Questão presente nas seguintes provas
Sobre uma instalação elétrica na qual as cores dos cabos
obedecem rigorosamente à norma vigente, pode-se afirmar
que os fios: vermelho, azul claro e verde/amarelo são,
respectivamente,
Provas
Questão presente nas seguintes provas
Um motor monofásico de 6 terminais encontra-se devidamente
ligado à rede elétrica de 220V por meio de um dispositivo
de comando, o qual permite a operação de inversão
do terminal 5 pelo 6. Essa operação permite
Provas
Questão presente nas seguintes provas
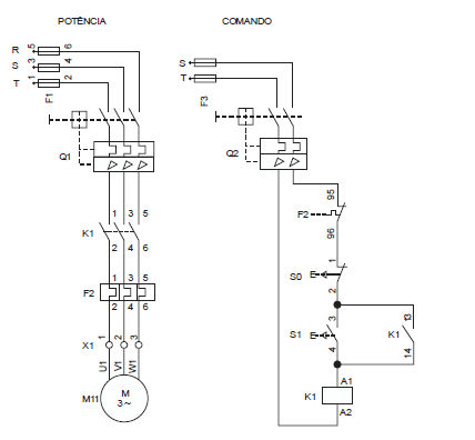
Considere abaixo os circuitos de potência e de comando para uma partida direta de motores.

A partida do motor será efetivada manualmente por meio de
Provas
Questão presente nas seguintes provas
A causa mais frequente da queima de equipamentos eletrônicos
como computadores, TVs e aparelhos de fax, é a
sobretensão causada por descargas atmosféricas ou manobras
de circuitos na rede elétrica. Contudo, estes problemas
podem ser evitados, instalando no quadro de luz
dispositivo próprio capaz de evitar qualquer tipo de dano,
descarregando para a terra esses pulsos de alta-tensão. O
dispositivo que evita esses danos é o
Provas
Questão presente nas seguintes provas
Cadernos
Caderno Container