Foram encontradas 380 questões.
Disciplina: Engenharia Elétrica
Banca: SELECON
Orgão: SAAE Lucas do Rio Verde-MT
Um circuito trifásico equilibrado é alimentado por tensão de fase de 127V e corrente de 1pu, em que cada impedância tem valor (8 + j6)Ω. Considerando as impedâncias ligadas em estrela, se a base do sistema for a tensão de linha na carga, a potência de base será:
Provas
Disciplina: Engenharia Elétrica
Banca: SELECON
Orgão: SAAE Lucas do Rio Verde-MT
Suponha um sistema elétrico de potência com N barras. A utilização do método de Gauss-Seidel para determinar o fluxo de potência nesse sistema difere do método de Gauss tradicional ao utilizar, para determinar o valor de tensão em uma barra “i”, durante o cálculo da iteração “k”, valores da:
Provas
Disciplina: Engenharia Elétrica
Banca: SELECON
Orgão: SAAE Lucas do Rio Verde-MT
Ao decompor as tensões de um sistema elétrico trifásico em componentes simétricas, aquela referente à sequência negativa tem a função de:
Provas
Disciplina: Engenharia Elétrica
Banca: SELECON
Orgão: SAAE Lucas do Rio Verde-MT
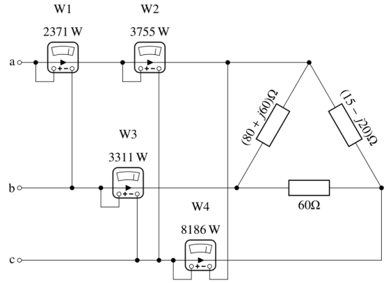
O circuito da Figura 2 mostra uma carga desbalanceada ligada em estrela com quatro wattímetros ligados em diferentes configurações. Considere que essa carga está sendo alimentada por uma fonte trifásica, ligada em estrela, cuja tensão de linha é de 220V a 60Hz, em sequência positiva.
Figura 2

A potência ativa trifásica dissipada pela carga é de:
Provas
Disciplina: Engenharia Elétrica
Banca: SELECON
Orgão: SAAE Lucas do Rio Verde-MT
Considere uma carga trifásica desequilibrada ligada em estrela sendo alimentada por uma fonte trifásica equilibrada, cuja tensão de linha é 380V em 60Hz, também ligada em estrela. A razão entre as intensidades das correntes da linha “b” e da linha “a” é de 4. A impedância ligada entre a linha “a” e o neutro é oito vezes maior que a impedância ligada entre a linha “c” e o neutro. Se a potência dissipada na impedância ligada à linha “b” é de 8,8kVA, a corrente de neutro é:
Provas
Disciplina: Engenharia Elétrica
Banca: SELECON
Orgão: SAAE Lucas do Rio Verde-MT
Um sistema trifásico conectado a uma carga ligada em estrela teve as componentes simétricas das correntes de linha determinadas como mostra a Tabela 1:
Tabela 1
|
Linha |
Componentes simétricas das correntes de linha (A) |
||
|
Sequência positiva |
Sequência negativa |
Sequência zero |
|
|
a |
6 \( \underline{\angle -30º} \) |
6 \( \underline{\angle 30º} \) |
0 |
|
b |
6 \( \underline{\angle -150º} \) |
6 \( \underline{\angle 150º} \) |
0 |
|
c |
6 \( \underline{\angle 90º} \) |
6 \( \underline{\angle -90º} \) |
0 |
Desse sistema, pode-se dizer que:
Provas
Disciplina: Engenharia Elétrica
Banca: SELECON
Orgão: SAAE Lucas do Rio Verde-MT
Um sistema elétrico de potência composto por cinco barras é descrito pelas reatâncias conectando as barras, na tabela da Figura 1(a), e pelas reatâncias ligadas às barras, na tabela da Figura 1(b). As tabelas representam os módulos das impedâncias.
Figura 1
Barra de origem | Barra de destino | Reatância (pu) | Barra | Reatância (pu) | |
1 1 2 3 4 | 2 5 3 4 5 | 0,10 0,40 0,20 0,20 0,10 | 1 4 5 | 1,50 1,25 1,50 | |
(a) | (b) | ||||
Na matriz de admitância nodal, o elemento Y44 vale:
Provas
Disciplina: Engenharia Elétrica
Banca: SELECON
Orgão: SAAE Lucas do Rio Verde-MT
As medidas de caráter geral descritas pela ABNT NBR 5410:2008, a serem utilizadas na proteção contra choques elétricos, desconsiderando os casos especiais, são:
Provas
Disciplina: Engenharia Elétrica
Banca: SELECON
Orgão: SAAE Lucas do Rio Verde-MT
Com base no sistema internacional de unidades (SI), a unidade base da intensidade luminosa é:
Provas
Disciplina: Engenharia Elétrica
Banca: SELECON
Orgão: SAAE Lucas do Rio Verde-MT
Das quatro grandezas elétricas principais em um estudo de fluxo de potência, há uma que é comum às barras classificadas como de carga e de geração, e há outra que é comum apenas às barras oscilantes. Elas são respectivamente:
Provas
Caderno Container