Foram encontradas 35 questões.
Disciplina: Engenharia Ambiental e Sanitária
Banca: SELECON
Orgão: SAAE Lucas do Rio Verde-MT
Há vários tipos de caixas empregadas em instalações de esgoto sanitário. A seguir, são descritas as funções de três desses tipos:
I- caixa destinada a permitir a junção de tubulações do subsistema de esgoto sanitário;
II- caixa provida de desconector, destinada a receber efluentes da instalação secundária de esgoto;
III- caixa em que se reúnem os efluentes líquidos, cuja disposição exija elevação mecânica.
As características apresentadas correspondem, respectivamente, às caixas do tipo:
Provas
Disciplina: Engenharia Civil
Banca: SELECON
Orgão: SAAE Lucas do Rio Verde-MT
A figura a seguir apresenta uma das águas do telhado de uma edificação com a indicação da posição de uma calha.

Nesse telhado, a altura h da cumeeira é de 1,8 m, e as dimensões a e b valem, respectivamente, 6 m e 10 m. Sabendo que a intensidade pluviométrica na região vale 200 mm/h, a vazão de projeto a ser considerada no projeto da calha é:
Provas
Disciplina: Engenharia Civil
Banca: SELECON
Orgão: SAAE Lucas do Rio Verde-MT
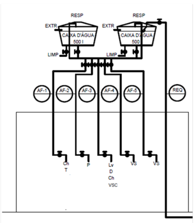
A figura a seguir ilustra o diagrama vertical da instalação hidráulica de uma residência.

|
Aparelho |
Legenda |
Peso |
||
|
Lavatório |
Lv |
0,5 |
||
|
Chuveiro |
Ch |
0,5 |
||
|
Ducha higiênica |
D |
0,1 |
||
|
Vaso sanitário (válvula) |
VS |
40 |
||
|
Vaso sanitário (caixa) |
VSC |
0,3 |
||
|
Banheira |
B |
1,0 |
||
|
Tanque |
T |
1,0 |
||
|
Pia |
P |
0,7 |
||
|
Soma dos pesos |
Diâmetro |
|
|
0,1 a 0,4 |
15 mm |
|
|
0,5 a 3,3 |
20 mm |
|
|
3,4 a 14,7 |
25 mm |
|
|
14,8 a 45,0 |
32 mm |
|
|
45,0 a 108,0 |
40 mm |
|
Considerando as tabelas indicadas, o diâmetro das colunas AF1, AF2, AF3, AF4 e AF5 na saída do barrilete valem respectivamente:
Provas
Um técnico em edificações identifica a presença de um disjuntor com curva de disparo do tipo B protegendo um dos circuitos elétricos de uma residência. Sabendo que o disjuntor tem corrente nominal de 30 A, sua ação acontecerá para correntes de curto-circuito entre:
Provas
Disciplina: Engenharia Elétrica
Banca: SELECON
Orgão: SAAE Lucas do Rio Verde-MT
A figura a seguir apresenta, esquematicamente, um centro de luz comandado por interruptores ligados em four-way.

Nessa ligação, devem estar presentes no eletroduto X:
Provas
Disciplina: Legislação Municipal
Banca: SELECON
Orgão: SAAE Lucas do Rio Verde-MT
A Lei do Município de Lucas do Rio Verde – MT nº 2.800, de 30 de maio de 2018, que dispõe sobre a Política Municipal de Saneamento Básico, dentre outros assuntos correlatos, tem por finalidade assegurar:
Provas
Disciplina: Legislação Municipal
Banca: SELECON
Orgão: SAAE Lucas do Rio Verde-MT
Em consonância com a Lei Orgânica do Município de Lucas do Rio Verde – MT, a organização municipal se alicerça em princípios e objetivos, dentre eles:
Provas
Disciplina: Legislação Municipal
Banca: SELECON
Orgão: SAAE Lucas do Rio Verde-MT
De acordo com a Lei Orgânica do Município de Lucas do Rio Verde – MT, cumpre ao Município legislar sobre a organização e a prestação – diretamente ou sob regime de concessão, permissão ou terceirização – dos serviços públicos de interesse local, incluído o transporte coletivo, que tem caráter essencial, devendo, nesse caso, dentre outras regras, estabelecer:
Provas
- Sistemas OperacionaisWindowsVersões do WindowsWindows 10
- Sistemas OperacionaisWindowsFuncionalidades do WindowsTeclas de Atalhos do Windows
No sistema operacional Windows 10, ao selecionarmos um determinado item e aplicarmos o atalho CTRL-X, realizaremos a ação de:
Provas
Disciplina: Legislação Municipal
Banca: SELECON
Orgão: SAAE Lucas do Rio Verde-MT
A Lei Ordinária Municipal nº 2697, de 16 de outubro de 2017, e suas alterações, que dispõe sobre a nova estruturação do Regime Próprio de Previdência Social do Município de Lucas do Rio Verde – MT e dá outras providências, estabelece que os servidores abrangidos pelo regime do PREVILUCAS serão aposentados, com proventos proporcionais ao tempo de contribuição, compulsoriamente
Provas
Caderno Container