Foram encontradas 800 questões.
As colunas de ventilação fazem parte do projeto do subsistema de:
I – água fria;
II – água quente;
III – esgoto;
IV – hidropneumático.
Torna(m) a sentença verdadeira apenas o(s) item(ns):
Provas
Em um projeto de instalação de água fria, no desenho do reservatório inferior, a correta identificação da(s) peça(s) localizada(s) na extremidade inferior da tubulação de sucção é válvula de:
Provas
No Auto Cad 2004, na seleção de objetos gráficos feita pela linha de comando, a letra F, quando digitada, permite selecionar todos os elementos interceptados por um(a):
Provas
Considere o trecho da planilha eletrônica, executada no Excel.

As células hachuradas, nas colunas H e I, podem ter, respectivamente, as seguintes fórmulas:
Provas
Um talude de 30° de inclinação (ângulo marcado em sua base) tem uma distância horizontal entre os pontos mais alto e mais baixo de 5 m.
Considere:
sen 30° = 0,50
cos 30° = 0,87
tg 30° = 0,58
O valor da distância vertical entre o ponto mais alto e o ponto mais baixo, em metros, vale:
Provas
Uma tubulação retilínea em declive liga os pontos P1 a P2, em que a projeção horizontal da distância entre eles mede 6,50 m. Sabendo-se que a declividade de P1 a P2 vale 20%, pode-se afirmar que o ponto P1 tem sua cota:
Provas
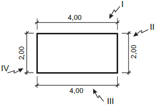
Observe o desenho a seguir.

De acordo com a NBR 10126/1987 (Cotagem em Desenho Técnico), está(ão) correta(s) a(s) cotagem(ns) indicada(s) pelo(s) número(s):
Provas
Disciplina: Segurança e Saúde no Trabalho (SST)
Banca: CESGRANRIO
Orgão: REFAP
Atmosfera Imediatamente Perigosa à Vida e à Saúde – IPVS é aquela que apresenta:
Provas
Disciplina: Segurança e Saúde no Trabalho (SST)
Banca: CESGRANRIO
Orgão: REFAP
Nos processos de soldagem, considera-se procedimento seguro:
Provas
Disciplina: Segurança e Saúde no Trabalho (SST)
Banca: CESGRANRIO
Orgão: REFAP
A doença causada por minúsculos cristais que provocam inflamação pulmonar e que pode ser prevenida instalando-se ventiladores e/ou aspiradores nos ambientes de trabalho e sistema de umidificação contínua das rochas é a:
Provas
Caderno Container