Foram encontradas 800 questões.
Considerado o aterramento de condutores e equipamentos, praticado na área da Engenharia Elétrica, é correto afirmar que:
Provas

A figura acima ilustra um circuito digital do tipo combinacional, tendo como entradas as variáveis lógicas A, B e C e, como saída, a variável G. A expressão simplificada de G é:
Provas

A figura acima ilustra o Mapa de Karnaugh do sinal digital Y em função dos sinais binários A, B e C. O painel disponível contém terminais com os sinais A, B, C, terra (tensão correspondente ao nível lógico 0) e +5 V (tensão correspondente ao nível lógico 1). O técnico possui apenas integrados contendo portas “ou exclusivo” (EXOR) com duas entradas. O número mínimo de portas desse tipo, necessárias para gerar o sinal Y, é:
Provas

Um técnico projetou um sistema de controle para acionamento de motores, conforme o esquema simplificado acima. Sabe-se que a chave S2 possui um retardo de Δt segundos para mudar de estado. É correto afirmar que:
Provas

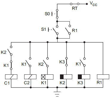
A figura acima apresenta a parte de controle do circuito de acionamento de duas máquinas trifásicas, energizadas por intermédio dos contatores C1 e C2. As chaves S0 e S1 são do tipo sem retenção. A ação de acionar uma chave significa apertá-la e em seguida deixá-la retornar a sua posição inicial. O relé K1 é do tipo com retardo na ligação, programado para Ta minutos, enquanto os relés K2 e K3 são do tipo com retardo no desligamento, respectivamente programados para Tb e Tc minutos. Com o sistema em condições normais de funcionamento, considere que o operador acionou a chave S0 e, após 2 minutos, a chave S1. Nessa situação, sem que haja novas interferências do operador, analise as afirmativas a seguir.
I - As duas máquinas poderão, simultaneamente, ser energizadas eletricamente por algum intervalo de tempo.
II - A máquina comandada pelo contator C1 funcionará intermitentemente por Ta minutos, quando, então, será desligada por Tb + Tc minutos.
III - A máquina comandada por C2 entrará em funcionamento imediatamente após o desligamento da máquina comandada por C1.
IV - O funcionamento das máquinas será cíclico, isto é, alternarão o funcionamento sempre mantendo um intervalo de Tb + Tc minutos de parada entre a energização de uma delas.
São verdadeiras, apenas, as afirmativas:
Provas

O diagrama unifilar simplificado acima apresenta um sistema composto de um gerador alimentando um motor por meio de três transformadores (T1, T2, e T3). A tensão e a potência de bases no setor em que se encontra o gerador são, respectivamente, iguais a 12 kV e 1.000 VA. Nessas condições, a reatância subtransitória (x”) do motor, em p.u., é:
Provas
A distribuição urbana elétrica em baixa tensão em cidades de grande porte é realizada de dois modos, conforme a zona atendida. O primeiro sistema é o aéreo, com todos os componentes sustentados por postes em todo o trajeto. O segundo é o reticulado (malha), com seus componentes em câmaras e eletrodutos subterrâneos. Com relação aos sistemas descritos, é correto afirmar que:
Provas
Para um trecho de linha de transmissão de 80 km, cuja impedância em série própria é igual a (0,01+j0,03) !$ Ω !$/km e no qual a impedância mútua entre as fases é (j0,01) !$ Ω !$/km , as impedâncias em série total, de seqüência direta e de seqüência inversa, respectivamente, em ohms, são:
Provas
Um transformador de grande porte em sistemas elétricos trifásicos é componente fortemente redutor dos valores das correntes de curto-circuito que o percorrem. Sobre a sua participação nos circuitos, para cálculos de curtos, é correto afirmar que:
Provas
Um gerador de CA (alternador) síncrono trifásico de quatro pólos, capacidade 19 kVA, acionado por motor diesel, é utilizado para alimentar uma rede de baixa tensão a quatro condutores, com 220 V (tensão de linha) / 127 V (tensão fase-neutro) eficazes, 60 Hz. Com relação à construção ou operação do gerador, é correto afirmar que:
Provas
Caderno Container