Foram encontradas 50 questões.
Na ausência de forças externas, o cabo AB do mecanismo representado não está esticado. Observe:

Se uma força P for aplicada à extremidade D do elemento e provocar uma rotação θ = 30º, qual será a deformação normal no cabo?
Provas
Uma partícula se movimenta com velocidade (em m/s) definida pela equação a seguir:
v(t) = et – 4t
(Considere t o tempo em segundos.)
Calcule o deslocamento da partícula após 5s e assinale seu valor:
Provas
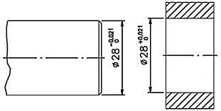
Para a montagem de um eixo maciço em uma bucha, a engenharia propôs no projeto uma montagem com o ajuste como indicado na imagem a seguir:

(Calcular os afastamentos inferior e superior do eixo e do furo.)
Assinale a alternativa que indica: As; Ai; as; ai; respectivamente, indicando o tipo de ajuste da montagem.
Provas
Todos os tipos de máquinas se desgastam naturalmente ao longo do que é chamada vida útil. A máquina nunca quebra totalmente de uma só vez, mas para de trabalhar quando alguma parte vital de seu conjunto se danifica. Este fenômeno é inevitável, de modo que nunca ocorre de uma máquina se recuperar, passando a operar como nova após ter apresentado uma falha operacional. NÃO condiz com a parte vital de uma máquina:
Provas
Para torquear um parafuso allen M12, de classificação 10.9, que possui uma resistência à tração máxima de, aproximadamente, 20.000 PSI; de acordo com a tabela, o torque de aperto recomendado para esse parafuso seria de 114,0 Nm.

A chave allen utilizada para tal aperto é 10 mm e tem as dimensões, conforme a imagem a seguir:

Para o torque indicado na tabela, qual a força necessária para o maior comprimento do “L” e para o lado menor da chave, respectivamente?
Provas
Para a usinagem em um torno CNC, foi exposto o desenho apresentado. Analise a programação CNC, comparando com o desenho, sabendo que a máquina CNC disponível possui torre traseira e o zero-peça está localizado no seguinte ponto indicado no desenho:

Provas
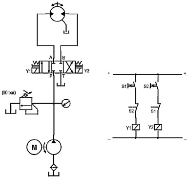
O projeto de um circuito eletro-hidráulico para acionamento de um motor hidráulico bidirecional deverá girar no sentido horário, no anti-horário e parar a qualquer momento, utilizando dois botões de comando – um para o giro no sentido horário e outro para o sentido contrário. Quando os botões não estiverem acionados, o motor deverá permanecer parado.

De acordo com o projeto eletro-hidráulico apresentado, assinale a afirmativa INCORRETA.
Provas
Para a instalação de um motor em determinada máquina, verificou-se que seria necessário uma potência acima de 4 kW para essa máquina se tornar efetiva. O motor escolhido comercialmente foi um motor trifásico, que apresentava os seguintes dados de placa:
- P = 5,4 kW;
- U = 380 V;
- I = 9,5 A;
- F . P = 0,92.
Assinale o rendimento desse motor trifásico em plena carga.
Provas
Atualmente, as ligas mais usadas para pistões são as de alumínio-silício e alumínio-cobre. Pelas suas boas características mecânicas e resistência ao desgaste, são as ligas de alumínio-silício as mais empregadas na fabricação de pistões. Nos casos em que o desempenho esperado do pistão é dependente de uma maior resistência ao desgaste ou de reduzidas folgas de montagem, recorre-se às ligas com teores mais altos de silício. Uma conciliação de características com propriedades mecânicas superiores é obtida pelo forjamento das ligas. Pistões forjados suportam condições mais severas de funcionamento e são empregados em motores de serviço pesado. Quando a resistência em altas temperaturas for requisito imprescindível, a alternativa é recorrer às de alumínio-cobre. Características especiais de resistência e excelente homogeneidade microestrutural são indicadas para pistões forjados dos motores de aviões. São consideradas propriedades mais importantes na escolha de uma liga para pistão, EXCETO:
Provas
Através de esforços que provocam a deformação do material, os processos de conformação mecânica modificam a sua geometria. Diferentes métodos podem ser empregados, dependendo do objetivo e das características do material. Sobre os processos de conformação, assinale a afirmativa correta.
Provas
Caderno Container